令和6年度下期に電験3種(理論分野)で出題された過去問題について解説します。
- 【令和6年度下期・問1】誘電体が挿入された平行平板コンデンサの電荷
- 【令和6年度下期・問2】地球の静電容量
- 【令和6年度下期・問3】電磁誘導によるコイルの起電力
- 【令和6年度下期・問4】平行な直線導体に働く電磁力
- 【令和6年度下期・問5】直並列回路における蓄積エネルギー
- 【令和6年度下期・問6】直流回路の電流
- 【令和6年度下期・問7】合成抵抗の算出
- 【令和6年度下期・問8】交流電圧の合成
- 【令和6年度下期・問9】RC直列回路の電流
- 【令和6年度下期・問10】RC回路の過渡現象
- 【令和6年度下期・問11】電界効果トランジスタ(FET)の特徴
- 【令和6年度下期・問12】マグネトロン内の電子の軌跡
- 【令和6年度下期・問13】固定バイアス回路を用いたトランジスタ増幅回路
- 【令和6年度下期・問14】SI組立単位の表し方
- 【令和6年度下期・問15】三相交流回路の電流と力率改善
- 【令和6年度下期・問16】ブリッジ回路を用いた未知抵抗の測定
- 【令和6年度下期・問17】並列接続されたコンデンサの電荷と放電
- 【令和6年度下期・問18】演算増幅器の特性と直流増幅回路
- 関連コンテンツ
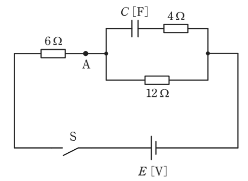
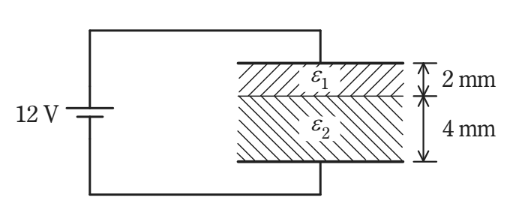
【令和6年度下期・問1】誘電体が挿入された平行平板コンデンサの電荷

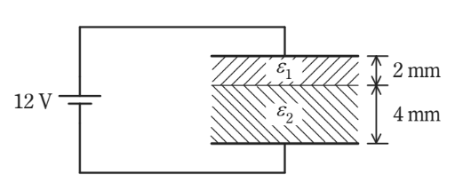
図のように、電極面積 $0.1 \text{ m}^2$、電極間隔 $6 \text{ mm}$ の平行平板コンデンサに、比誘電率 $\epsilon_{r1}=2$、厚さ $2 \text{ mm}$ 及び比誘電率 $\epsilon_{r2}=4$、厚さ $4 \text{ mm}$ の2種類の誘電体が電極と平行に挿入されている。このコンデンサに $12 \text{ V}$ の直流電圧を印加したとき、蓄えられる電荷の値 $\text{[C]}$ として、最も近いものを次の(1)~(5)のうちから一つ選べ。ただし、真空の誘電率 $\epsilon_0=8.85\times 10^{-12} \text{ F/m}$ とし、コンデンサの端効果は無視するものとする。
| – | (1) | (2) | (3) | (4) | (5) |
|---|---|---|---|---|---|
| 電荷 $\text{[C]}$ | $5.3\times 10^{-9}$ | $7.8\times 10^{-9}$ | $9.4\times 10^{-9}$ | $2.1\times 10^{-8}$ | $4.5\times 10^{-8}$ |
解説
正解は(1)です。
このコンデンサは、誘電率の異なる2つのコンデンサ $C_1$、$C_2$ が直列に接続されていると考えられます。
コンデンサの静電容量は $C = \epsilon_r \epsilon_0 \frac{S}{d}$ で求められます。
それぞれの静電容量を計算します。
$$C_1 = 2 \times 8.85\times 10^{-12} \times \frac{0.1}{0.002} = 8.85\times 10^{-10} \text{ [F]}$$
$$C_2 = 4 \times 8.85\times 10^{-12} \times \frac{0.1}{0.004} = 8.85\times 10^{-10} \text{ [F]}$$
直列に接続されたコンデンサの合成静電容量 $C$ は、
$$C = \frac{C_1 C_2}{C_1 + C_2} = \frac{8.85\times 10^{-10}}{2} = 4.425\times 10^{-10} \text{ [F]}$$
蓄えられる電荷 $Q$ は、 $Q = CV$ より、
$$Q = 4.425\times 10^{-10} \times 12 = 5.31\times 10^{-9} \text{ [C]}$$
最も近い値は $5.3\times 10^{-9}$ となります。

【令和6年度下期・問2】地球の静電容量
地球を、真空中にある半径 $6.37\times 10^6 \text{ m}$ の導体球と見なしたとき、地球の静電容量の値 $\text{[F]}$ として、最も近いものを次の(1)~(5)のうちから一つ選べ。
ただし、真空の誘電率を $\epsilon_0=8.85\times 10^{-12} \text{ F/m}$ とする。
| – | (1) | (2) | (3) | (4) | (5) |
|---|---|---|---|---|---|
| 静電容量 $\text{[F]}$ | $7.08\times 10^{-4}$ | $4.45\times 10^{-3}$ | $4.51\times 10^3$ | $5.67\times 10^4$ | $1.78\times 10^5$ |
解説
正解は(1)です。
孤立した半径 $r \text{ [m]}$ の導体球の静電容量 $C$ は、 $C = 4\pi \epsilon_0 r$ で表されます。
与えられた数値を代入して計算します。
$$C = 4 \times \pi \times 8.85\times 10^{-12} \times 6.37\times 10^6$$
$$C \approx 4 \times 3.14159 \times 8.85\times 10^{-12} \times 6.37\times 10^6 \approx 7.08\times 10^{-4} \text{ [F]}$$
最も近い値は $7.08\times 10^{-4}$ となります。

【令和6年度下期・問3】電磁誘導によるコイルの起電力
巻数30のコイルを貫通している磁束が0.1秒間に1Wbの割合で直線的に変化するとき、コイルに発生する起電力の大きさ $\text{[V]}$ として、最も近いものを次の(1)~(5)のうちから一つ選べ。
| – | (1) | (2) | (3) | (4) | (5) |
|---|---|---|---|---|---|
| 起電力 $\text{[V]}$ | 250 | 300 | 350 | 400 | 450 |
解説
正解は(2)です。
ファラデーの電磁誘導の法則により、コイルに生じる誘導起電力の大きさ $e$ は、巻数を $N$、磁束の変化量を $\Delta \Phi$、時間の変化量を $\Delta t$ とすると、次式で求められます。
$$e = N \frac{\Delta \Phi}{\Delta t}$$
数値を代入します。
$$e = 30 \times \frac{1}{0.1} = 300 \text{ [V]}$$
したがって、300 となります。

【令和6年度下期・問4】平行な直線導体に働く電磁力

図に示すように、直線導体A及びBがy方向に平行に配置され、両導体に同じ大きさの電流 $I$ が共に+y方向に流れているとする。このとき、各導体に加わる力の方向について、正しいものを次の(1)~(5)のうちから一つ選べ。
なお、xyz座標の定義は、破線の枠内の図で示したとおりとする。
| – | (1) | (2) | (3) | (4) | (5) |
|---|---|---|---|---|---|
| 導体A | +x方向 | +x方向 | -x方向 | -x方向 | どちらの導体にも力は働かない |
| 導体B | +x方向 | -x方向 | +x方向 | -x方向 |
解説
正解は(2)です。
アンペールの右ねじの法則より、+y方向に流れる電流は、周囲に磁界を作ります。
導体Aの電流 $I$ が導体Bの位置に作る磁界の向きは、-z方向(紙面の裏向き)です。導体Bの電流は+y方向であるため、フレミングの左手の法則を適用すると、導体Bが受ける力は-x方向(導体Aに引き寄せられる向き)になります。
同様に、導体Bの電流が導体Aの位置に作る磁界は+z方向(表向き)であり、導体Aが受ける力は+x方向(導体Bに引き寄せられる向き)になります。
平行で同じ向きに電流が流れる導体間には、互いに引き合う引力(吸引力)が働きます。
したがって、導体Aには+x方向、導体Bには-x方向の力が働きます。

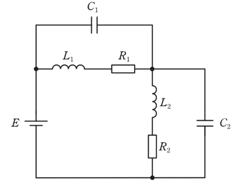
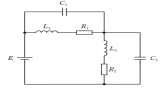
【令和6年度下期・問5】直並列回路における蓄積エネルギー

$R_1=20 \text{ }\Omega$、$R_2=30 \text{ }\Omega$ の抵抗、インダクタンス $L_1=20 \text{ mH}$、$L_2=40 \text{ mH}$ のコイル及び静電容量 $C_1=400 \text{ }\mu\text{F}$、$C_2=600 \text{ }\mu\text{F}$ のコンデンサからなる図のような直並列回路がある。直流電圧 $E=100 \text{ V}$ を加えたとき、定常状態において $L_1$、$L_2$、$C_1$ 及び $C_2$ に蓄えられるエネルギーの総和の値 $\text{[J]}$ として、最も近いものを次の(1)~(5)のうちから一つ選べ。
| – | (1) | (2) | (3) | (4) | (5) |
|---|---|---|---|---|---|
| エネルギーの総和 $\text{[J]}$ | 0.12 | 1.20 | 1.32 | 1.40 | 1.52 |
解説
正解は(5)です。
直流回路が定常状態に達したとき、コンデンサには直流電流は流れず開放状態とみなせ、コイルは短絡状態とみなせます。
したがって、回路に流れる電流は、抵抗 $R_1$ と $R_2$ の直列回路を通る電流のみとなります。
電流 $I$ は、
$$I = \frac{E}{R_1 + R_2} = \frac{100}{20 + 30} = 2 \text{ [A]}$$
となります。ここで、定常状態における各コンデンサにかかる電圧を求めます。
$C_1$ は $R_1$ と並列になっているため、$C_1$ にかかる電圧 $V_{C1}$ は $R_1$ での電圧降下に等しいです。
$$V_{C1} = I \times R_1 = 2 \times 20 = 40 \text{ [V]}$$
同様に、$C_2$ は $R_2$ と並列なので、$C_2$ にかかる電圧 $V_{C2}$ は、
$$V_{C2} = I \times R_2 = 2 \times 30 = 60 \text{ [V]}$$
コイル $L_1$、$L_2$ にはともに電流 $I = 2 \text{ [A]}$ が流れます。
各素子に蓄えられるエネルギーを計算します。
コイルの磁気エネルギー $W_L = \frac{1}{2} L I^2$は以下のようになります。
$$W_{L1} = \frac{1}{2} \times 20\times 10^{-3} \times 2^2 = 40\times 10^{-3} = 0.04 \text{ [J]}$$
$$W_{L2} = \frac{1}{2} \times 40\times 10^{-3} \times 2^2 = 80\times 10^{-3} = 0.08 \text{ [J]}$$
コンデンサの静電エネルギー $W_C = \frac{1}{2} C V^2$は以下のようになります。
$$W_{C1} = \frac{1}{2} \times 400\times 10^{-6} \times 40^2 = 200\times 10^{-6} \times 1600 = 0.32 \text{ [J]}$$
$$W_{C2} = \frac{1}{2} \times 600\times 10^{-6} \times 60^2 = 300\times 10^{-6} \times 3600 = 1.08 \text{ [J]}$$
これらの総和 $W$ は、
$$W = W_{L1} + W_{L2} + W_{C1} + W_{C2} = 0.04 + 0.08 + 0.32 + 1.08 = 1.52 \text{ [J]}$$

【令和6年度下期・問6】直流回路の電流

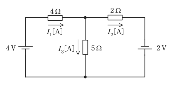
図のように、二つの直流電源と三つの抵抗からなる回路がある。各抵抗に流れる電流を図に示す向きに定義するとき、電流 $I_1$、$I_2$、$I_3$ の値 $\text{[A]}$ の組合せとして、正しいものを次の(1)~(5)のうちから一つ選べ。
| – | (1) | (2) | (3) | (4) | (5) |
|---|---|---|---|---|---|
| $I_1$ | -1 | -1 | 2 | 1 | 1 |
| $I_2$ | -1 | 1 | 1 | 1 | -1 |
| $I_3$ | 0 | -2 | 1 | 0 | 2 |
解説
正解は(4)です。
キルヒホッフの法則を用いて回路方程式を立てます。
中央の節点において、キルヒホッフの第1法則(電流則)より以下のようになります。
$$I_1 – I_2 – I_3 = 0 \quad \dots \text{①}$$
左側の閉回路について、キルヒホッフの第2法則(電圧則)より以下のようになります。
$$4 I_1 + 2 I_2 = 4 + 2 \quad \implies \quad 4 I_1 + 2 I_2 = 6 \quad \implies \quad 2 I_1 + I_2 = 3 \quad \dots \text{②}$$
右側の閉回路について、キルヒホッフの第2法則より以下のようになります。
$$-2 I_2 + 5 I_3 = -2 \quad \dots \text{③}$$
①式から $I_3 = I_1 – I_2$ として③式に代入します。
$$-2 I_2 + 5 (I_1 – I_2) = -2 \quad \implies \quad 5 I_1 – 7 I_2 = -2 \quad \dots \text{④}$$
②式より $I_2 = 3 – 2 I_1$ を④式に代入します。
$$5 I_1 – 7 (3 – 2 I_1) = -2$$
$$5 I_1 – 21 + 14 I_1 = -2$$
$$19 I_1 = 19 \quad \implies \quad I_1 = 1 \text{ [A]}$$
$I_2$ と $I_3$ を求めます。
$$I_2 = 3 – 2 \times 1 = 1 \text{ [A]}$$
$$I_3 = 1 – 1 = 0 \text{ [A]}$$
よって、$I_1 = 1, I_2 = 1, I_3 = 0$ となります。

【令和6年度下期・問7】合成抵抗の算出

図の抵抗回路において、端子a、b間の合成抵抗 $R_{ab}$ の値 $\text{[}\Omega\text{]}$ は $1.8R \text{ [}\Omega\text{]}$ であった。このとき、抵抗 $R_x$ の値 $\text{[}\Omega\text{]}$ として、正しいものを次の(1)~(5)のうちから一つ選べ。
| – | (1) | (2) | (3) | (4) | (5) |
|---|---|---|---|---|---|
| $R_x \text{ [}\Omega\text{]}$ | $R$ | $2R$ | $3R$ | $4R$ | $5R$ |
解説
正解は(4)です。
図の回路は、抵抗 $R$ と $R_x$ の並列部分が、別の抵抗 $R$ と直列に接続されている構成です。
端子a、b間の合成抵抗 $R_{ab}$ は、
$$R_{ab} = R + \frac{R \cdot R_x}{R + R_x}$$
題意より $R_{ab} = 1.8R$ であるため、
$$1.8R = R + \frac{R R_x}{R + R_x}$$
$$0.8R = \frac{R R_x}{R + R_x}$$
両辺を $R$ で割ります($R \neq 0$)。
$$0.8 = \frac{R_x}{R + R_x}$$
$$0.8 (R + R_x) = R_x$$
$$0.8R + 0.8R_x = R_x$$
$$0.8R = 0.2R_x$$
$$R_x = \frac{0.8}{0.2} R = 4R$$
したがって、$4R$ となります。

【令和6年度下期・問8】交流電圧の合成

図のように、二つの正弦波交流電圧源 $e_1 \text{ [V]}$、$e_2 \text{ [V]}$ が直列に接続されている回路において、合成電圧 $v \text{ [V]}$ の最大値は $e_1$ の最大値の(ア)倍となり、その位相は $e_1$ を基準として(イ)$\text{[rad]}$ の(ウ)となる。
上記の記述中の空白箇所(ア)~(ウ)に当てはまる組合せとして、正しいものを次の(1)~(5)のうちから一つ選べ。
$e_1 = E \sin(\omega t + \theta) \text{ [V]}$
$e_2 = \sqrt{3}E \sin(\omega t + \theta + \frac{\pi}{2}) \text{ [V]}$
| – | (ア) | (イ) | (ウ) |
|---|---|---|---|
| (1) | $\frac{1}{2}$ | $\frac{\pi}{3}$ | 進み |
| (2) | $1+\sqrt{3}$ | $\frac{\pi}{6}$ | 遅れ |
| (3) | $2$ | $\frac{\pi}{3}$ | 進み |
| (4) | $\sqrt{3}$ | $\frac{\pi}{6}$ | 遅れ |
| (5) | $2$ | $\frac{2\pi}{3}$ | 進み |
解説
正解は(3)です。
電圧 $e_1$ と $e_2$ をフェーザ(複素数)表示します。$e_1$ の位相を基準にすると、
$$\dot{E_1} = E$$
$e_2$ は $e_1$ に対して位相が $\frac{\pi}{2}$ 進んでおり、振幅が $\sqrt{3}$ 倍であるため、
$$\dot{E_2} = \sqrt{3}E \cdot e^{j\frac{\pi}{2}} = j\sqrt{3}E$$
合成電圧 $\dot{V}$ は、
$$\dot{V} = \dot{E_1} + \dot{E_2} = E + j\sqrt{3}E = E(1 + j\sqrt{3})$$
この合成電圧の大きさを求めます。
$$|\dot{V}| = E \sqrt{1^2 + (\sqrt{3})^2} = E \sqrt{1 + 3} = 2E$$
したがって、最大値は $e_1$ の最大値 $E$ の2倍になります。
位相は、
$$\arg(\dot{V}) = \tan^{-1}\left(\frac{\sqrt{3}}{1}\right) = \frac{\pi}{3}$$
位相は正であるため、進みとなります。

【令和6年度下期・問9】RC直列回路の電流
$4 \text{ }\Omega$ の抵抗と静電容量が $C \text{ [F]}$ のコンデンサを直列に接続したRC回路がある。このRC回路に、周波数 $50 \text{ Hz}$ の交流電圧 $100 \text{ V}$ の電源を接続したところ、$20 \text{ A}$ の電流が流れた。では、このRC回路に、周波数 $60 \text{ Hz}$ の交流電圧 $100 \text{ V}$ の電源を接続したとき、RC回路に流れる電流の値 $\text{[A]}$ として、最も近いものを次の(1)~(5)のうちから一つ選べ。
| – | (1) | (2) | (3) | (4) | (5) |
|---|---|---|---|---|---|
| 電流 $\text{[A]}$ | 16.7 | 18.6 | 21.2 | 24.0 | 25.6 |
解説
正解は(3)です。
周波数 $f_1 = 50 \text{ Hz}$ のときのインピーダンス $Z_1$ は、
$$Z_1 = \frac{V}{I_1} = \frac{100}{20} = 5 \text{ [}\Omega\text{]}$$
$Z_1$ は抵抗 $R$ と容量性リアクタンス $X_{C1}$ からなるため、
$$Z_1 = \sqrt{R^2 + X_{C1}^2}$$
$$5 = \sqrt{4^2 + X_{C1}^2} \quad \implies \quad 25 = 16 + X_{C1}^2 \quad \implies \quad X_{C1}^2 = 9 \quad \implies \quad X_{C1} = 3 \text{ [}\Omega\text{]}$$
次に、周波数が $f_2 = 60 \text{ Hz}$ となったときの容量性リアクタンス $X_{C2}$ は、周波数に反比例します。
$$X_{C2} = X_{C1} \times \frac{f_1}{f_2} = 3 \times \frac{50}{60} = 2.5 \text{ [}\Omega\text{]}$$
このときのインピーダンス $Z_2$ は、
$$Z_2 = \sqrt{R^2 + X_{C2}^2} = \sqrt{4^2 + 2.5^2} = \sqrt{16 + 6.25} = \sqrt{22.25} \approx 4.717 \text{ [}\Omega\text{]}$$
流れる電流 $I_2$ は、
$$I_2 = \frac{V}{Z_2} = \frac{100}{4.717} \approx 21.2 \text{ [A]}$$

【令和6年度下期・問10】RC回路の過渡現象

図に示す回路において、スイッチSを閉じた瞬間(時刻 $t=0$)に点Aを流れる電流を $I_0 \text{ [A]}$ とし、十分に時間が経ち、定常状態に達したのちに点Aを流れる電流を $I \text{ [A]}$ とする。電流比 $\frac{I_0}{I}$ の値として、最も近いものを次の(1)~(5)のうちから一つ選べ。
ただし、コンデンサの初期電荷は零とする。
| – | (1) | (2) | (3) | (4) | (5) |
|---|---|---|---|---|---|
| 電流比 $\frac{I_0}{I}$ | 0.5 | 1.0 | 1.5 | 2.0 | 2.5 |
解説
正解は(4)です。
過渡現象において、コンデンサ $C$ は、スイッチを閉じた瞬間($t=0$)は電荷がゼロであるため短絡状態(短絡線)とみなせ、十分時間が経過した定常状態($t=\infty$)では満充電となり開放状態とみなせます。
(1) $t=0$ のとき(コンデンサを短絡とみなす)
並列に接続されている抵抗は、コンデンサによって短絡されるため電流が流れず、全体の合成抵抗は直列に接続されている抵抗のみの分となります。したがって、回路全体の合成抵抗 $R_0$ は、直列部分の抵抗 $1$ つ分となります。
$R_0 = R$
このとき、点Aを流れる電流 $I_0$ はオームの法則より以下の通りです。
$$I_0 = \frac{V}{R}$$
(2) 定常状態(コンデンサを開放とみなす)
コンデンサが開放状態となるため、電流はすべての抵抗を通って流れます。
回路は「抵抗 $R$」と「抵抗 $R$」の直列接続となるため、全体の合成抵抗 $R_\infty$ は以下の通りです。
$R_\infty = R + R = 2R$
このとき、点Aを流れる電流 $I$ は以下の通りとなります。
$$I = \frac{V}{2R}$$
(3)求めた $I_0$ と $I$ の式を代入して、比率を求めます。
$$\frac{I_0}{I} = \frac{\frac{V}{R}}{\frac{V}{2R}}$$
分母・分子を整理すると、
$$\frac{I_0}{I} = \frac{V}{R} \times \frac{2R}{V} = 2.0$$
よって、正解は(4)**となります。

【令和6年度下期・問11】電界効果トランジスタ(FET)の特徴
電界効果トランジスタ(FET)に関する記述として、誤っているものを次の(1)~(5)のうちから一つ選べ。
| – | (1) | (2) | (3) | (4) | (5) |
|---|---|---|---|---|---|
| 記述 | 接合形とMOS形に分類することができる。 | ドレーンとソースとの間の電流の通路には、n形とp形がある。 | MOS形はデプレション形とエンハンスメント形に分類できる。 | ゲート電圧で自由電子又は正孔の移動を制御できる。 | エンハンスメント形はゲート電圧に関係なくチャネルができる。 |
解説
正解は(5)です。
エンハンスメント形MOSFETは、ゲート電圧がしきい値を超えたときに初めてチャネルが形成され、電流が流れるようになります。ゲート電圧が $0 \text{ V}$ の状態ではチャネルが存在せず、電流は流れません。ゲート電圧に関係なく元からチャネルが存在するのは、デプレション形のFETの特徴です。したがって、(5)が誤りです。

【令和6年度下期・問12】マグネトロン内の電子の軌跡

次の文章は,電子レンジに内蔵されてマイクロ波を発生する,マグネトロン内の電子の軌跡を簡略化して説明した記述である。
図に示すように,真空中の平行平板電極間に直流電圧を加えて平等電界 $E \text{ [V/m]}$ を作り,平等電界と直交する方向に磁束密度 $B \text{ [T]}$ の平等磁界を加えた。
図中の◯ は z 軸の正の向きで,紙面に垂直かつ手前の向きを表す。
陰極上の点 P に初速零で電荷 $e \text{ [C]}$ の電子を置いて静かに離すと, y 軸の(ア)の向きの電界により電子は陽極に向かって動き始める。同時に電子は磁束密度に(イ)した大きさの(ウ)力を受ける。磁界は z 軸の(エ)の向きのため,電子は電界と磁界の作用で x 軸の正の向きに移動する。このとき磁束密度が一定値以上では電子は陽極に到達せずに,図のように(オ)といわれる軌跡を描く。ただし,電子は紙面と平行な平面上を移動し,重力の影響は無視できるものとする。
| – | (ア) | (イ) | (ウ) | (エ) | (オ) |
|---|---|---|---|---|---|
| (1) | 正 | 比例 | ローレンツ | 正 | サイクロイド |
| (2) | 正 | 反比例 | アンペール | 正 | ヒステリシス |
| (3) | 負 | 比例 | アンペール | 負 | リサジュー |
| (4) | 負 | 比例 | ローレンツ | 負 | サイクロイド |
| (5) | 負 | 反比例 | ローレンツ | 負 | リサジュー |
解説
正解は(4)です。
各空白箇所に当てはまる内容は以下の通りです。
(ア)
電子は負の電荷を持つため、電界と逆向きに静電力を受けて移動します。問題において、電子は陰極から陽極(y軸の正の向き)へ向かって動き始めるため、電界の向きはその逆のy軸の負の向きとなります。
(イ)、(ウ)
磁界中を運動する電子が磁界から受ける力をローレンツ力といいます。ローレンツ力の大きさ $F \text{ [N]}$ は、電子の電荷の大きさを $e \text{ [C]}$、速度を $v \text{ [m/s]}$、磁束密度を $B \text{ [T]}$ とすると、
$$F = evB$$
と表され、磁束密度に比例します。
(エ)
フレミングの左手の法則を用いて磁界の向きを求めます。電子がy軸の正の向きに移動し始めたとき、電流の向きは逆のy軸の負の向きとなります。電子がx軸の正の向きへ移動(曲げられる)するため、力の向きはx軸の正の向きです。左手の中指を電流の向き(-y方向)、親指を力の向き(+x方向)に合わせると、人差し指(磁界の向き)は紙面の奥向き、すなわちz軸の負の向きを指します。
(オ)
直交する電界と磁界の中を初速零で放出された電子は、電界によって加速されながら、磁界によるローレンツ力で軌道を曲げられます。このとき、磁束密度が一定値以上であると、電子は陽極に到達することなく陰極へ戻り、再び加速される運動を繰り返します。この電子が描く軌跡をサイクロイドと呼びます。
したがって、すべての組み合わせが正しい(4)が正解となります。

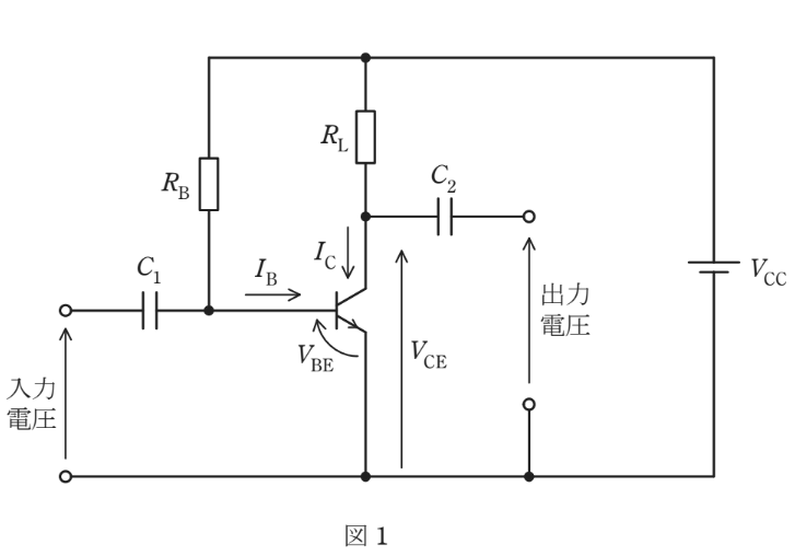
【令和6年度下期・問13】固定バイアス回路を用いたトランジスタ増幅回路

図1は、固定バイアス回路を用いた、$R_B$ の値が未知のエミッタ接地トランジスタ増幅回路である。図2は、この増幅回路で用いているトランジスタのコレクターエミッタ間電圧 $V_{CE}$ とコレクタ電流 $I_C$ との関係を予め調べ示した静特性である。ただし、五つのベース電流の値 $I_B \text{ [}\mu\text{A]}$ のみに対する曲線であり、増幅回路の負荷抵抗 $R_L$ の負荷線も重ねて示している。今、増幅回路の動作点を測定したところ $V_{CE}=3.0 \text{ V}$ であった。抵抗 $R_B$ の値 $\text{[M}\Omega\text{]}$ として最も近いものを次の(1)~(5)のうちから一つ選べ。
ただし、ベースーエミッタ間電圧 $V_{BE}$ を $0.7 \text{ V}$ としてよい。なお、$C_1$、$C_2$ は結合コンデンサであり、$V_{CC}$ は直流電圧源である。
| – | (1) | (2) | (3) | (4) | (5) |
|---|---|---|---|---|---|
| $R_B \text{ [M}\Omega\text{]}$ | 0.5 | 0.9 | 1.5 | 3.0 | 6.0 |
解説
正解は(2)です。
静特性(図2)より、$V_{CE} = 3.0 \text{ V}$ の動作点は直流負荷線との交点になります。
このとき、グラフからベース電流 $I_B$ は $6 \text{ }\mu\text{A}$($0.006 \text{ mA}$)の曲線上に位置することがわかります。
直流負荷線のX切片($I_C = 0$)は $V_{CC}$ の値を示します。グラフから $V_{CC} = 6.0 \text{ V}$ と読み取れます。
ベース回路の閉回路において、キルヒホッフの法則より、
$$V_{CC} = R_B I_B + V_{BE}$$
これを $R_B$ について解きます。
$$R_B = \frac{V_{CC} – V_{BE}}{I_B}$$
値を代入します。
$$R_B = \frac{6.0 – 0.7}{6 \times 10^{-6}} = \frac{5.3}{6 \times 10^{-6}} \approx 0.883 \times 10^6 \text{ [}\Omega\text{]} \approx 0.88 \text{ [M}\Omega\text{]}$$
最も近い値は $0.9 \text{ M}\Omega$ となります。

【令和6年度下期・問14】SI組立単位の表し方
固有の名称をもつSI組立単位の記号と、これと同じ内容を表す他の表し方の組合せとして、誤っているものを次の(1)~(5)のうちから一つ選べ。
| – | (1) | (2) | (3) | (4) | (5) |
|---|---|---|---|---|---|
| SI組立単位の記号 | F | Wb | S | T | W |
| SI基本単位及びSI組立単位による他の表し方 | C/V | V/s | A/V | Wb/m² | J/s |
解説
正解は(2)です。
磁束の単位であるウェーバ $\text{Wb}$ は、ファラデーの電磁誘導の法則 $e = -\frac{\Delta \Phi}{\Delta t}$ より、$\text{V} \cdot \text{s}$(ボルト秒)と表されます。したがって、$\text{V/s}$ ではなく $\text{V} \cdot \text{s}$ が正しい表し方です。その他の組合せはすべて正しいです。

【令和6年度下期・問15】三相交流回路の電流と力率改善

図1のように、相電圧 $200 \text{ V}$、周波数 $50 \text{ Hz}$ の対称三相交流電源に、抵抗とインダクタンスからなる三相平衡負荷を接続した交流回路がある。次の(a)及び(b)の問に答えよ。
(a) 図1の回路において、負荷電流 $I$ の値 $\text{[A]}$ として、最も近いものを次の(1)~(5)のうちから一つ選べ。
| – | (1) | (2) | (3) | (4) | (5) |
|---|---|---|---|---|---|
| 負荷電流 $I \text{ [A]}$ | 22.2 | 23.1 | 40 | 66.6 | 69.2 |
(b) 図2のように、静電容量 $C \text{ [F]}$ のコンデンサを $\Delta$ 結線して、その端子 a’、b’ 及び c’ をそれぞれ図1の端子 a、b 及び c に接続した。その結果、三相交流電源から見た負荷の力率は $1$ になったという。静電容量 $C$ の値 $\text{[F]}$ として、最も近いものを次の(1)~(5)のうちから一つ選べ。
| – | (1) | (2) | (3) | (4) | (5) |
|---|---|---|---|---|---|
| 静電容量 $C \text{ [F]}$ | $1.9 \times 10^{-6}$ | $1.7 \times 10^{-4}$ | $2.1 \times 10^{-4}$ | $7.4 \times 10^{-4}$ | $5.9 \times 10^{-2}$ |
解説
正解は(a)-(3)、(b)-(2)です。
(a) 図1の回路はY結線の対称三相交流電源に、Y結線の三相平衡負荷が接続されています。
電源の相電圧は $V_p = 200 \text{ [V]}$ です。
1相分の負荷のインピーダンス $Z \text{ [}\Omega\text{]}$ を求めます。
抵抗 $R = 3 \text{ [}\Omega\text{]}$ であり、インダクタンス $L = 12.75 \text{ [mH]}$ の誘導性リアクタンス $X_L \text{ [}\Omega\text{]}$ は、周波数 $f = 50 \text{ [Hz]}$ より、
$$X_L = 2\pi fL = 2 \times \pi \times 50 \times 12.75 \times 10^{-3} \approx 4.0 \text{ [}\Omega\text{]}$$
したがって、1相分のインピーダンスの大きさ $Z$ は、
$$Z = \sqrt{R^2 + X_L^2} = \sqrt{3^2 + 4^2} = \sqrt{9 + 16} = \sqrt{25} = 5 \text{ [}\Omega\text{]}$$
負荷電流 $I$ は相電流であり、相電圧 $V_p$ をインピーダンス $Z$ で割ることで求められます。
$$I = \frac{V_p}{Z} = \frac{200}{5} = 40 \text{ [A]}$$
よって、最も近い値は 40 となります。
(b) 力率が 1 になるということは、負荷の遅れ無効電力と、コンデンサの進み無効電力が等しくなることを意味します。
まず、図1の回路(負荷)の三相全体の遅れ無効電力 $Q_L \text{ [var]}$ を求めます。1相分の遅れ無効電力は $I^2 X_L$ です。
$$Q_L = 3 \times I^2 X_L = 3 \times 40^2 \times 4.0 = 3 \times 1600 \times 4.0 = 19200 \text{ [var]}$$
次に、図2のように静電容量 $C \text{ [F]}$ を $\Delta$ 結線したコンデンサを接続した場合の、三相全体の進み無効電力 $Q_C \text{ [var]}$ を求めます。
$\Delta$ 結線されたコンデンサに加わる電圧は線間電圧 $V_l$ です。相電圧 $V_p = 200 \text{ [V]}$ より、線間電圧 $V_l$ は、
$$V_l = \sqrt{3} V_p = 200\sqrt{3} \text{ [V]}$$
1相分のコンデンサの容量性リアクタンスは $X_C = \frac{1}{2\pi fC} \text{ [}\Omega\text{]}$ なので、三相全体の進み無効電力 $Q_C$ は、
$$Q_C = 3 \times \frac{V_l^2}{X_C} = 3 \times 2\pi fC \times V_l^2$$
数値を代入します。
$$Q_C = 3 \times 2 \times \pi \times 50 \times C \times (200\sqrt{3})^2$$
$$Q_C = 300\pi \times C \times 120000 = 36000000\pi C \text{ [var]}$$
力率が 1 になるための条件は $Q_L = Q_C$ なので、
$$19200 = 36000000\pi C$$
$$C = \frac{19200}{36000000\pi} = \frac{192}{360000\pi} \approx \frac{192}{1130973} \approx 1.697 \times 10^{-4} \text{ [F]}$$
最も近い値は $1.7 \times 10^{-4}$ となります。

【令和6年度下期・問16】ブリッジ回路を用いた未知抵抗の測定

図のブリッジ回路を用いて、未知抵抗 $R_x$ を測定したい。抵抗 $R_1=3 \text{ k}\Omega$、$R_2=2 \text{ k}\Omega$、$R_4=3 \text{ k}\Omega$ とし、$R_3=6 \text{ k}\Omega$ の滑り抵抗器の接触子の接点Cをちょうど中央に調整したとき($R_{ac}=R_{bc}=3 \text{ k}\Omega$)ブリッジが平衡したという。次の(a)及び(b)の問に答えよ。
ただし、直流電圧源は $6 \text{ V}$ とし、電流計の内部抵抗は無視できるものとする。
(a) 未知抵抗 $R_x$ の値 $\text{[k}\Omega\text{]}$ として、最も近いものを次の(1)~(5)のうちから一つ選べ。
| – | (1) | (2) | (3) | (4) | (5) |
|---|---|---|---|---|---|
| $R_x \text{ [k}\Omega\text{]}$ | 0.1 | 0.5 | 1.0 | 1.5 | 2.0 |
(b) 平衡時の電流計の指示値 $\text{[mA]}$ として、最も近いものを次の(1)~(5)のうちから一つ選べ。
| – | (1) | (2) | (3) | (4) | (5) |
|---|---|---|---|---|---|
| 指示値 $\text{[mA]}$ | 0 | 0.4 | 1.5 | 1.7 | 2.0 |
解説
正解は(a)-(3)、(b)-(4)です。
(a) ブリッジ回路が平衡しているため、向かい合う抵抗の積は等しくなります。
滑り抵抗器の接点が中央にあるため、回路のブリッジを構成する4つの辺の抵抗は次のようになります。
左上の辺:$R_1 = 3 \text{ k}\Omega$
右上の辺:$R_2 = 2 \text{ k}\Omega$
左下の辺:$R_4 + R_{ac} = 3 + 3 = 6 \text{ k}\Omega$
右下の辺:$R_x + R_{bc} = R_x + 3 \text{ k}\Omega$
平衡条件より、
$$R_1 \times (R_x + R_{bc}) = R_2 \times (R_4 + R_{ac})$$
$$3 \times (R_x + 3) = 2 \times (3 + 3)$$
$$3(R_x + 3) = 12 \quad \implies \quad R_x + 3 = 4 \quad \implies \quad R_x = 1.0 \text{ [k}\Omega\text{]}$$
よって、正解は(3)です。
(b) ブリッジが平衡しているとき、検流計には電流が流れません。したがって、ブリッジ回路の検流計がある経路を開放して回路の全抵抗 $R_{total}$ を求めます。
左側の直列部分:$R_1 + R_4 + R_{ac} = 3 + 3 + 3 = 9 \text{ k}\Omega$
右側の直列部分:$R_2 + R_x + R_{bc} = 2 + 1 + 3 = 6 \text{ k}\Omega$
この2つの経路が並列になっているため、全体の合成抵抗 $R_{total}$ は、
$$R_{total} = \frac{9 \times 6}{9 + 6} = \frac{54}{15} = 3.6 \text{ [k}\Omega\text{]}$$
電源電圧は $6 \text{ V}$ であるため、回路全体を流れる電流 $I$(電流計の指示値)は、オームの法則より、
$$I = \frac{E}{R_{total}} = \frac{6}{3.6} \approx 1.667 \text{ [mA]}$$
最も近い値は $1.7 \text{ mA}$ となります。
よって、正解は(4)です。

【令和6年度下期・問17】並列接続されたコンデンサの電荷と放電

図のように、十分大きい平らな金属板で覆われた床と平板電極とで作られる空気コンデンサが二つ並列接続されている。二つの電極は床と平行であり、それらの面積は左側が $A_1 = 10^{-3} \text{ m}^2$、右側が $A_2 = 10^{-2} \text{ m}^2$ である。床と各電極の間隔は左側が $d = 10^{-3} \text{ m}$ で固定、右側が $x \text{ [m]}$ で可変、直流電源電圧は $V_0 = 1000 \text{ V}$ である。次の(a)及び(b)の問に答えよ。
ただし、空気の誘電率を $\epsilon = 8.85\times 10^{-12} \text{ F/m}$ とし、静電容量を考える際にコンデンサの端効果は無視できるものとする。
(a) まず、右側の $x \text{ [m]}$ を $d \text{ [m]}$ と設定し、スイッチSを一旦閉じてから開いた。このとき、二枚の電極に蓄えられる合計電荷 $Q$ の値 $\text{[C]}$ として、最も近いものを次の(1)~(5)のうちから一つ選べ。
| – | (1) | (2) | (3) | (4) | (5) |
|---|---|---|---|---|---|
| 合計電荷 $Q \text{ [C]}$ | $8.0\times 10^{-9}$ | $1.6\times 10^{-8}$ | $9.7\times 10^{-8}$ | $1.9\times 10^{-7}$ | $1.6\times 10^{-6}$ |
(b) 上記(a)の操作の後、徐々に $x$ を増していったところ、$x=3.0\times 10^{-3} \text{ m}$ のときに左側の電極と床との間に火花放電が生じた。左側のコンデンサの空隙の絶縁破壊電圧 $V$ の値 $\text{[V]}$ として、最も近いものを次の(1)~(5)のうちから一つ選べ。
-|(1)|(2)|(3)|(4)|(5)
–|–|–|–|–|–
絶縁破壊電圧 $V \text{ [V]}$|$3.3\times 10^2$|$2.5\times 10^3$|$3.0\times 10^3$|$5.1\times 10^3$|$3.0\times 10^4$
解説
正解は(a)-(3)、(b)-(2)です。
(a)まず、スイッチを閉じたときの各コンデンサの静電容量を求めます。
左側のコンデンサ $C_1$は、
$$C_1 = \epsilon \frac{A_1}{d} = 8.85\times 10^{-12} \times \frac{10^{-3}}{10^{-3}} = 8.85\times 10^{-12} \text{ [F]}$$
右側のコンデンサ $C_2$($x=d$ のとき)は、
$$C_2 = \epsilon \frac{A_2}{d} = 8.85\times 10^{-12} \times \frac{10^{-2}}{10^{-3}} = 88.5\times 10^{-12} \text{ [F]}$$
並列接続されているため、合成静電容量 $C_{total}$ は、
$$C_{total} = C_1 + C_2 = 8.85\times 10^{-12} + 88.5\times 10^{-12} = 97.35\times 10^{-12} \text{ [F]}$$
蓄えられる合計電荷 $Q$ は、$Q = C_{total} V_0$ より、
$$Q = 97.35\times 10^{-12} \times 1000 = 9.735\times 10^{-8} \text{ [C]}$$
最も近い値は $9.7\times 10^{-8}$ となります。
よって、正解は(3)です。
(b) スイッチを開いた後も合計電荷 $Q$ は保存されます。
右側の電極の間隔 $x$ を $3.0\times 10^{-3} \text{ m}$ に広げたときの右側の静電容量 $C_2’$ は、
$$C_2′ = \epsilon \frac{A_2}{x} = 8.85\times 10^{-12} \times \frac{10^{-2}}{3.0\times 10^{-3}} = 29.5\times 10^{-12} \text{ [F]}$$
このときの全体の合成静電容量 $C’{total}$ は、
$$C{total}’ = C_1 + C_2′ = 8.85\times 10^{-12} + 29.5\times 10^{-12} = 38.35\times 10^{-12} \text{ [F]}$$
電荷保存の法則により、コンデンサ両端の電圧 $V’$ は、
$$V’ = \frac{Q}{C’_{total}} = \frac{9.735\times 10^{-8}}{38.35\times 10^{-12}} \approx 2538 \text{ [V]}$$
この電圧 $V’$ で火花放電(絶縁破壊)が発生したため、絶縁破壊電圧は $2538 \text{ V}$ となります。
最も近い値は $2.5\times 10^3 \text{ V}$ となります。
よって、正解は(2)です。

【令和6年度下期・問18】演算増幅器の特性と直流増幅回路
演算増幅器(オペアンプ)について、次の(a)及び(b)の問に答えよ。
(a) 演算増幅器の特徴に関する記述として、誤っているものを次の(1)~(5)のうちから一つ選べ。
| – | (1) | (2) | (3) | (4) | (5) |
|---|---|---|---|---|---|
| 記述 | アナログICの一種である。 | 入力インピーダンスが小さくて出力インピーダンスが大きい。 | 反転並びに非反転の二つの入力端子と一つの出力端子がある。 | 入力端子間の電圧のみを増幅して出力する。 | 増幅度が非常に大きい。 |
(b) 図1及び図2のような直流増幅回路がある。それぞれの出力電圧 $V_{o1}$、$V_{o2}$ の値 $\text{[V]}$ の組合せとして、正しいものを次の(1)~(5)のうちから一つ選べ。ただし、演算増幅器は理想的なものとし、$V_{i1}=0.6 \text{ V}$ 及び $V_{i2}=0.45 \text{ V}$ は直流の入力電圧である。
| – | (1) | (2) | (3) | (4) | (5) |
|---|---|---|---|---|---|
| $V_{o1}$ | 6.6 | 6.6 | -6.6 | -4.5 | 4.5 |
| $V_{o2}$ | -3.0 | 3.0 | 3.0 | 9.0 | -9.0 |
解説
正解は(a)-(2)、(b)-(1)です。
(a) 理想的な演算増幅器(オペアンプ)の特徴は、入力インピーダンスが非常に大きく(無限大)、出力インピーダンスが非常に小さい(ゼロ)ことです。したがって、「入力インピーダンスが小さくて出力インピーダンスが大きい」としている(2)の記述が誤りです。
(b)図1の回路は非反転増幅回路です。
非反転増幅回路の電圧増幅度 $A_{v1}$ は、入力側の抵抗 $R_1=10 \text{ k}\Omega$、帰還抵抗 $R_f=100 \text{ k}\Omega$ とすると、次式で求められます。
$$A_{v1} = 1 + \frac{R_f}{R_1} = 1 + \frac{100}{10} = 11$$
出力電圧 $V_{o1}$ は、
$$V_{o1} = A_{v1} V_{i1} = 11 \times 0.6 = 6.6 \text{ [V]}$$
図2の回路は反転増幅回路です。
反転増幅回路の電圧増幅度 $A_{v2}$ は、入力側の抵抗 $R_2=30 \text{ k}\Omega$、帰還抵抗 $R_f=200 \text{ k}\Omega$ とすると、次式で求められます。
$$A_{v2} = -\frac{R_f}{R_2} = -\frac{200}{30} \approx -6.667$$
出力電圧 $V_{o2}$ は、
$$V_{o2} = A_{v2} V_{i2} = -\frac{200}{30} \times 0.45 = -3.0 \text{ [V]}$$
したがって、$V_{o1} = 6.6 \text{ V}$、$V_{o2} = -3.0 \text{ V}$ となる(1)が正解です。

関連コンテンツ


-120x68.jpg)

コメント