令和7年度下期に電験3種(理論分野)で出題された過去問題について解説します。
- 【問1】誘電体を挿入した平行板コンデンサの静電容量
- 【問2】電荷に働く力の合成(クーロンの法則)
- 【問3】コイルの自己インダクタンス
- 【問4】扇形導線がつくる中心の磁界
- 【問5】直流回路の消費電力の比較
- 【問6】電池の内部抵抗と起電力
- 【問7】直流回路における抵抗値の算出
- 【問8】交流回路の電流比
- 【問9】交流回路の抵抗値の算出
- 【問10】RL直列回路の過渡応答波形
- 【問11】ダイオードの特性と用途
- 【問12】電界中の電子の運動
- 【問13】水晶振動子と水晶発振回路
- 【問14】全波整流形電圧計による測定
- 【問15】三相交流回路の計算
- 【問16】直流ブリッジ回路の計算
- 【問17】複合誘電体コンデンサの電界とエネルギー
- 【問18】論理回路とパルス回路
- 関連コンテンツ
【問1】誘電体を挿入した平行板コンデンサの静電容量
真空中において、一辺 $l \text{ [m]}$ の正方形電極を間隔 $d \text{ [m]}$ で配置した平行板コンデンサがある。図1はこのコンデンサの電極板間に比誘電率 $\epsilon_r = 5$ の誘電体を挿入した状態、図2は図1の誘電体を電極面積の $\frac{1}{2}$ だけ引き出した状態を示している。図1及び図2の二つのコンデンサの静電容量 $C_1 \text{ [F]}$ 及び $C_2 \text{ [F]}$ の比 $(C_1 : C_2)$ として、正しいものを次の(1)~(5)のうちから一つ選べ。
ただし、$l \gg d$ であり、コンデンサの端効果は無視できるものとする。

| – | (1) | (2) | (3) | (4) | (5) |
|---|---|---|---|---|---|
| 比 ($C_1 : C_2$) | 2 : 1 | 3 : 2 | 5 : 2 | 5 : 3 | 5 : 4 |
解説
正解は(4)です。
平行板コンデンサの静電容量 $C \text{ [F]}$ は、誘電率 $\epsilon \text{ [F/m]}$、電極面積 $S \text{ [m}^2\text{]}$、極板間隔 $d \text{ [m]}$ を用いて次式で表されます。
$$C = \epsilon \frac{S}{d}$$
図1の静電容量 $C_1$ を求めます。電極面積は $S = l^2$ であり、比誘電率 $\epsilon_r = 5$ の誘電体で満たされているため、
$$C_1 = \epsilon_r \epsilon_0 \frac{l^2}{d} = 5 \frac{\epsilon_0 l^2}{d} \quad \dots \text{①}$$
図2の静電容量 $C_2$ を求めます。誘電体を半分引き出した状態は、面積 $\frac{l^2}{2}$ の誘電体があるコンデンサと、面積 $\frac{l^2}{2}$ の真空(比誘電率1)のコンデンサが並列に接続されていると考えます。
それぞれの容量を $C_{2a}, C_{2b}$ とすると、
$$C_{2a} (\text{誘電体部分}) = 5 \epsilon_0 \frac{l^2/2}{d} = \frac{5}{2} \frac{\epsilon_0 l^2}{d}$$
$$C_{2b} (\text{真空部分}) = 1 \epsilon_0 \frac{l^2/2}{d} = \frac{1}{2} \frac{\epsilon_0 l^2}{d}$$
$$C_2 = C_{2a} + C_{2b} = \left( \frac{5}{2} + \frac{1}{2} \right) \frac{\epsilon_0 l^2}{d} = 3 \frac{\epsilon_0 l^2}{d} \quad \dots \text{②}$$
①と②の比を求めると、
$$C_1 : C_2 = 5 : 3$$
となります。
【問2】電荷に働く力の合成(クーロンの法則)
図のように、真空中の $3 \text{ [m]}$ 離れた2点A、Bにそれぞれ $3 \times 10^{-7} \text{ [C]}$ の正の点電荷がある。A点とB点とを結ぶ線分上のA点から $1 \text{ [m]}$ 離れたP点に $Q \text{ [C]}$ の正の点電荷を置いたとき、その点電荷にB点の方向に $5 \times 10^{-3} \text{ [N]}$ の力が働いた。この点電荷 $Q$ の値 $\text{[C]}$ として、最も近いものを次の(1)~(5)のうちから一つ選べ。
ただし、真空中の誘電率を $\epsilon_0 = 8.85 \times 10^{-12} \text{ [F/m]}$ とする。

| – | (1) | (2) | (3) | (4) | (5) |
|---|---|---|---|---|---|
| $Q \text{ [C]}$ | $1.2 \times 10^{-9}$ | $1.8 \times 10^{-8}$ | $2.5 \times 10^{-6}$ | $4.4 \times 10^{-5}$ | $7.3 \times 10^{-5}$ |
解説
正解は(3)です。
2つの点電荷間に働く静電力 $F \text{ [N]}$ は、クーロンの法則により次式で求められます。
$$F = k \frac{q_1 q_2}{r^2} = \frac{1}{4 \pi \epsilon_0} \frac{q_1 q_2}{r^2}$$
ここで、真空中の比例定数$k$は真空中の誘電率が $\epsilon_0 = 8.85 \times 10^{-12} \text{ [F/m]}$なので以下のように求まります。
$k \approx 9 \times 10^9 \text{ [N}\cdot\text{m}^2/\text{C}^2\text{]}$ を使用します。
P点にある点電荷 $Q$ に働く力を考えます。
① A点の電荷から受ける力 $F_A$は斥力のため、B点の方向に働きます。距離 $r_A = 1 \text{ [m]}$ より、
$$F_A = k \frac{3 \times 10^{-7} \times Q}{1^2} = 3 \times 10^{-7} k Q \text{ [N]}$$
② B点の電荷から受ける力 $F_B$も斥力のため、A点の方向に働きます。距離 $r_B = 2 \text{ [m]}$ より、
$$F_B = k \frac{3 \times 10^{-7} \times Q}{2^2} = \frac{3}{4} \times 10^{-7} k Q \text{ [N]}$$
P点での合力 $F$ はB点方向に $5 \times 10^{-3} \text{ [N]}$ なので、 $F = F_A – F_B$ となります。
$$5 \times 10^{-3} = 3 \times 10^{-7} k Q – \frac{3}{4} \times 10^{-7} k Q$$
$$5 \times 10^{-3} = 3 \times 10^{-7} k Q \left( 1 – \frac{1}{4} \right)$$
$$5 \times 10^{-3} = 3 \times 10^{-7} \times (9 \times 10^9) \times Q \times 0.75$$
$$5 \times 10^{-3} = 2025 Q$$
$$Q = \frac{5 \times 10^{-3}}{2025} \approx 2.469 \times 10^{-6} \text{ [C]}$$
最も近い値は $2.5 \times 10^{-6}$ となります。
参考ページ

【問3】コイルの自己インダクタンス
巻数 $1000$ のコイルに直流電流 $0.2 \text{ [A]}$ を流したとき、$6 \times 10^{-4} \text{ [Wb]}$ の磁束が発生した。この場合、コイルの自己インダクタンス $\text{[H]}$ の値として、最も近いものを次の(1)~(5)のうちから一つ選べ。ただし、コイルの漏れ磁束は無視できるものとする。
| – | (1) | (2) | (3) | (4) | (5) |
|---|---|---|---|---|---|
| 自己インダクタンス $\text{[H]}$ | 1 | 2 | 3 | 4 | 5 |
解説
正解は(3)です。
自己インダクタンス $L \text{ [H]}$、電流 $I \text{ [A]}$、巻数 $N$、磁束 $\Phi \text{ [Wb]}$ の間には、磁束鎖交数に関する次の関係があります。
$$L I = N \Phi$$
この式より、 $L$ について求めると、
$$L = \frac{N \Phi}{I}$$
与えられた数値を代入します。
$$L = \frac{1000 \times 6 \times 10^{-4}}{0.2}$$
$$L = \frac{0.6}{0.2} = 3 \text{ [H]}$$
したがって、自己インダクタンスは $3 \text{ [H]}$ となります。
参考ページ

【問4】扇形導線がつくる中心の磁界
図のように、点Oを中心とするそれぞれ半径 $0.5 \text{ [m]}$ と半径 $1 \text{ [m]}$ の円形導線の $\frac{1}{4}$ の弧、それらを連結する直線状の導線からなる扇形導線がある。この導線に、図に示す向きに直流電流 $I = 16 \text{ [A]}$ を流した場合、点Oにおける磁界の大きさ $H$ の値 $\text{[A/m]}$ として、最も近いものを次の(1)~(5)のうちから一つ選べ。
ただし、扇形導線は同一平面上にあり、その巻数は一巻きである。また、導線の太さは無視できるものとする。

| – | (1) | (2) | (3) | (4) | (5) |
|---|---|---|---|---|---|
| $H \text{ [A/m]}$ | 0.25 | 0.5 | 0.75 | 1.0 | 2.0 |
解説
正解は(5)です。
点Oにおける磁界は、各導体部分が作る磁界の和(ベクトル和)で求められます。円形コイルの中心磁界 $H$ は、 $H = \frac{I}{2r} \text{ [A/m]}$ です。
① 半径 $r_1 = 0.5 \text{ [m]}$ の円弧部分は、円全体の $\frac{1}{4}$ なので、磁界の大きさ $H_1$ は、
$$H_1 = \frac{1}{4} \times \frac{I}{2 r_1} = \frac{1}{4} \times \frac{16}{2 \times 0.5} = 4 \text{ [A/m]}$$
右ねじの法則により、磁界の向きは紙面の裏から表の方向です。
② 半径 $r_2 = 1 \text{ [m]}$ の円弧部分も同様に、磁界の大きさ $H_2$ は、
$$H_2 = \frac{1}{4} \times \frac{I}{2 r_2} = \frac{1}{4} \times \frac{16}{2 \times 1} = 2 \text{ [A/m]}$$
電流の向きが $r_1$ の円弧と逆であるため、磁界の向きは紙面の表から裏の方向です。
③ 直線部分は、直線導体の延長線上に点Oがあるため、直線部分の電流が点Oに作る磁界は $0$ です。
したがって、点Oにおける合成磁界の大きさ $H$ は、
$$H = |H_1 – H_2| = |4 – 2| = 2.0 \text{ [A/m]}$$
となります。
参考ページ

【問5】直流回路の消費電力の比較
図のように、三つの抵抗 $R_1 = 5 \Omega $、$R_2 = 4 \Omega$、$R_3 = 8 \Omega$ と電圧 $V \text{ [V]}$ の直流電源からなる回路がある。抵抗 $R_1, R_2, R_3$ の消費電力をそれぞれ $P_1 \text{ [W]}, P_2 \text{ [W]}, P_3 \text{ [W]}$ とするとき、その大きさの大きい順として、正しいものを次の(1)~(5)のうちから一つ選べ。

(1) $P_1 > P_2 > P_3$
(2) $P_1 > P_3 > P_2$
(3) $P_2 > P_1 > P_3$
(4) $P_2 > P_3 > P_1$
(5) $P_3 > P_1 > P_2$
解説
正解は(1)です。
各抵抗での消費電力を比較します。抵抗 $R_1$ を流れる全電流を $I \text{ [A]}$ とします。
① 抵抗 $R_1$ の消費電力 $P_1$について、全電流 $I$ が流れるため、
$$P_1 = R_1 I^2 = 5 I^2 \text{ [W]}$$
② 抵抗 $R_2$ と $R_3$ への電流分流について、並列部分の電流を $I_2, I_3$ とすると、電流は抵抗に反比例して分流します。
$$I_2 = I \times \frac{R_3}{R_2 + R_3} = I \times \frac{8}{4 + 8} = \frac{2}{3} I \text{ [A]}$$
$$I_3 = I \times \frac{R_2}{R_2 + R_3} = I \times \frac{4}{4 + 8} = \frac{1}{3} I \text{ [A]}$$
③ 各抵抗の消費電力を計算します。
$$P_2 = R_2 I_2^2 = 4 \times \left( \frac{2}{3} I \right)^2 = \frac{16}{9} I^2 \approx 1.78 I^2 \text{ [W]}$$
$$P_3 = R_3 I_3^2 = 8 \times \left( \frac{1}{3} I \right)^2 = \frac{8}{9} I^2 \approx 0.89 I^2 \text{ [W]}$$
これらを比較すると、 $5 I^2 (P_1) > 1.78 I^2 (P_2) > 0.89 I^2 (P_3)$ となります。
各選択肢を見ていきます。
(1) 正しい。計算の結果、 $P_1 > P_2 > P_3$ となります。
(2) 不正解。 $P_2$ は $P_3$ より大きいため、順序が逆です。
(3) 不正解。 $P_1$ は全電流が流れるため、並列部分の各電力より大きくなります。
(4) 不正解。 $P_1$ が最大です。
(5) 不正解。 $P_3$ は抵抗値は大きいですが、流れる電流が $I/3$ と小さいため、電力は最小となります。
以上より、大きさの順序は $P_1 > P_2 > P_3$ となります。
参考ページ


【問6】電池の内部抵抗と起電力
図のように、内部抵抗 $r [ \Omega ]$, 起電力 $E \text{ [V]}$ の電池に抵抗値 $R [ \Omega] $ の可変抵抗器を接続した回路がある。$R = 2.25 \Omega$ にしたとき、回路を流れる電流は $I = 3 \text{ A}$ であった。次に、$R = 3.45 \Omega$ にしたとき、回路を流れる電流は $I = 2 \text{ A}$ となった。この電池の起電力 $E \text{ [V]}$ の値として、最も近いものを次の(1)~(5)のうちから一つ選べ。

| – | (1) | (2) | (3) | (4) | (5) |
|---|---|---|---|---|---|
| $E \text{ [V]}$ | 9.30 | 7.20 | 7.05 | 6.90 | 6.75 |
解説
正解は(2)です。
電池の内部抵抗 $r$ と可変抵抗 $R$ は直列に接続されているため、回路の全抵抗は $r + R$ となります。オームの法則より、起電力 $E$ は $E = I(r + R)$ で表されます。
与えられた二つの条件から連立方程式を立てます。
$R = 2.25 \Omega$ のとき、
$E = 3(r + 2.25) \quad \dots \text{①}$
$R = 3.45 \Omega$ のとき、
$E = 2(r + 3.45) \quad \dots \text{②}$
①式と②式を等置して内部抵抗 $r$ を求めます。
$$3(r + 2.25) = 2(r + 3.45)$$
$$3r + 6.75 = 2r + 6.90$$
$$r = 0.15 \Omega$$
この値を①式に代入して $E$ を求めます。
$$E = 3(0.15 + 2.25) = 3 \times 2.40 = 7.20 \text{ V}$$
したがって、電池の起電力は $7.20 \text{ V}$ となります。
参考ページ

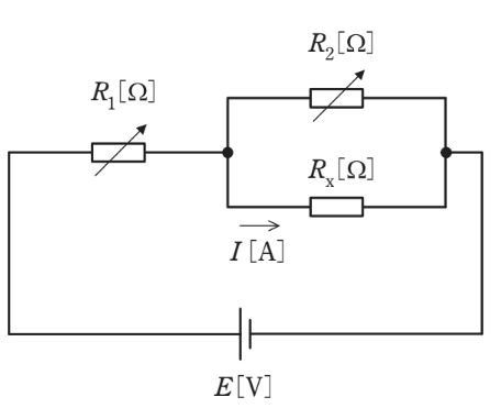
【問7】直流回路における抵抗値の算出
図のように、可変抵抗 $R_1 [\Omega], R_2 [\Omega]$, 抵抗 $R_x [\Omega]$, 電源 $E \text{ [V]}$ からなる直流回路がある。次に示す条件1のときの $R_x [\Omega]$ に流れる電流 $I \text{ [A]}$ の値と条件2のときの電流 $I \text{ [A]}$ の値は等しくなった。このとき、$R_x$ の値 $[\Omega]$ として、最も近いものを次の(1)~(5)のうちから一つ選べ。
条件1:$R_1 = 90 \Omega, R_2 = 6 \Omega$
条件2:$R_1 = 70 \Omega, R_2 = 3 \Omega$

| – | (1) | (2) | (3) | (4) | (5) |
|---|---|---|---|---|---|
| $R_x [\Omega]$ | 1.5 | 2.4 | 4.0 | 8.5 | 11.6 |
解説
正解は(2)です。
抵抗 $R_x$ に流れる電流 $I$ は、回路全体の全電流 $I_{all}$ が $R_2$ と $R_x$ の並列部分で分流したものです。
回路全体の合成抵抗 $R_{total} = R_1 + \frac{R_2 R_x}{R_2 + R_x}$ より、
$$I = \frac{E}{R_1 + \frac{R_2 R_x}{R_2 + R_x}} \times \frac{R_2}{R_2 + R_x} = \frac{E R_2}{R_1(R_2 + R_x) + R_2 R_x}$$
条件1の $I$ を求めます。
$I = \frac{6E}{90(6 + R_x) + 6R_x} = \frac{6E}{540 + 96R_x} \quad \dots \text{③}$
条件2の $I$ を求めます。
$I = \frac{3E}{70(3 + R_x) + 3R_x} = \frac{3E}{210 + 73R_x} \quad \dots \text{④}$
③と④の電流値が等しいため、
$$\frac{6}{540 + 96R_x} = \frac{3}{210 + 73R_x}$$
これを整理すると、
$$2(210 + 73R_x) = 540 + 96R_x$$
$$420 + 146R_x = 540 + 96R_x$$
$$50R_x = 120$$
$$R_x = 2.4 \Omega$$
となります。
参考ページ


【問8】交流回路の電流比
図のように、$R_1 = 20 \Omega$ と $R_2 = 30 \Omega$ の抵抗、静電容量 $C = \frac{1}{100 \pi} \text{ [F]}$ のコンデンサ、インダクタンス $L = \frac{1}{4 \pi} \text{ [H]}$ のコイルからなる回路に周波数 $f \text{ [Hz]}$ で実効値 $V \text{ [V]}$ が一定の交流電圧を加えた。$f = 10 \text{ Hz}$ のときに $R_1$ を流れる電流の大きさを $I_{10Hz} \text{ [A]}, f = 10 \text{ MHz}$ のときに $R_1$ を流れる電流の大きさを $I_{10MHz} \text{ [A]}$ とする。このとき、電流比 $\frac{I_{10Hz}}{I_{10MHz}}$ の値として、最も近いものを次の(1)~(5)のうちから一つ選べ。

| – | (1) | (2) | (3) | (4) | (5) |
|---|---|---|---|---|---|
| 電流比 | 2.5 | 1.7 | 1.0 | 0.6 | 0.4 |
解説
正解は(5)です。
$f = 10 \text{ Hz}$ のときのリアクタンスを計算すると、
$X_C = \frac{1}{2 \pi f C} = \frac{1}{2 \pi \times 10 \times \frac{1}{100 \pi}} = 5 \Omega$
$X_L = 2 \pi f L = 2 \pi \times 10 \times \frac{1}{4 \pi} = 5 \Omega$
$X_L = X_C$ であるため、$C$ と $L$ が並列の部分は並列共振となり、インピーダンスが無限大となります。したがって、電流は並列部分には流れず、回路は $R_1$ と $R_2$ の直列回路とみなせます。
$$I_{10Hz} = \frac{V}{R_1 + R_2} = \frac{V}{20 + 30} = \frac{V}{50} \text{ [A]}$$
$f = 10 \text{ MHz}$ のとき、周波数が非常に高くなると、$X_C \approx 0$(短絡)、$X_L \approx infty$(開放)となります。このとき並列部分は短絡状態とみなせるため、$R_2$ には電流が流れず、回路は $R_1$ のみの回路となります。
$$I_{10MHz} = \frac{V}{R_1} = \frac{V}{20} \text{ [A]}$$
電流比を計算すると
$$\frac{I_{10Hz}}{I_{10MHz}} = \frac{V/50}{V/20} = \frac{20}{50} = 0.4$$
となります。
【問9】交流回路の抵抗値の算出
図1のような抵抗 $R [ \Omega ]$ と誘導性リアクタンス $X [ \Omega ]$ との直列回路がある。この回路に正弦波交流電圧 $E = 100 \text{ V}$ を加えたとき、回路に流れる電流は $10 \text{ A}$ であった。この回路に図2のように、更に抵抗 $11 \Omega$ を直列接続したところ、回路に流れる電流は $5 \text{ A}$ になった。抵抗 $R [ \Omega ]$ の値として、最も近いものを次の(1)~(5)のうちから一つ選べ。

| – | (1) | (2) | (3) | (4) | (5) |
|---|---|---|---|---|---|
| $R [ \Omega ]$ | 16.7 | 5.5 | 11.4 | 8.6 | 8.1 |
解説
正解は(5)です。
オームの法則より、各状態のインピーダンス $Z$ を求めます。図1の状態だと
$Z_1 = \frac{100}{10} = 10 \Omega$
$$R^2 + X^2 = 10^2 = 100 \quad \dots \text{⑤}$$
図2の状態だと
$Z_2 = \frac{100}{5} = 20 \Omega$
$$(R + 11)^2 + X^2 = 20^2 = 400 \quad \dots \text{⑥}$$
⑥式を展開します。
$$R^2 + 22R + 121 + X^2 = 400$$
この式に⑤式 ($R^2 + X^2 = 100$) を代入します。
$$100 + 22R + 121 = 400$$
$$22R + 221 = 400$$
$$22R = 179$$
$$R = \frac{179}{22} \approx 8.136 \Omega$$
最も近い値は $8.1 \Omega$ となります。
【問10】RL直列回路の過渡応答波形
開放電圧が $V \text{ [V]}$ で出力抵抗が十分に低い直流電圧源と、インダクタンスが $L \text{ [H]}$ のコイルが与えられ、抵抗 $R [ \Omega ]$ がスイッチ S を介して接続されている。時刻 $t = 0$ でスイッチ S を閉じ、コイルの電流 $i_L \text{ [A]}$ の時間に対する変化を計測した。$R = 1 \Omega $ としたところ、波形が図2の点線のようになった。$R = 2 \Omega$ であればどのような波形となるか。正しいものを次の(1)~(5)のうちから一つ選べ。


解説
正解は(4)です。
RL直列回路において、スイッチを閉じたときの電流 $i_L(t)$ は次式で表されます。
$$i_L(t) = \frac{V}{R} \left( 1 – e^{-\frac{R}{L}t} \right)$$
抵抗 $R$ の値を $1 \Omega $ から $2 \Omega $ に変更した際の変化は以下の通りです。
① 定常電流(最終値)の変化について考えます。十分時間が経過したときの電流値は $I = \frac{V}{R}$ です。抵抗が2倍($1 \Omega \rightarrow 2 \Omega$)になると、定常電流は半分になります。
② 時定数の変化について考えます。回路の時定数 $tau$ は $tau = \frac{L}{R}$ です。抵抗が2倍になると、時定数は半分になります。時定数が小さくなることは、電流が定常値に達するまでの時間が短くなる(立ち上がりが速くなる)ことを意味します。
【問11】ダイオードの特性と用途
次の文章は、それぞれのダイオードについて述べたものである。
a. 可変容量ダイオードは、通信機器の同調回路などに用いられる。このダイオードは、pn接合に (ア) 電圧を加えて使用するものである。
b. pn接合に (イ) 電圧を加え、その値を大きくしていくと、降伏現象が起きる。この降伏電圧付近では、流れる電流が変化しても接合両端の電圧はほぼ一定に保たれる。定電圧ダイオードは、この性質を利用して所定の定電圧を得るようにつくられたダイオードである。
c. レーザダイオードは光通信や光情報機器の光源として利用され、pn接合に (ウ) 電圧を加えて使用するものである。
上記の記述中の空白箇所(ア)~(ウ)に当てはまる語句として、正しいものを組み合わせたのは次のうちどれか。
| – | (ア) | (イ) | (ウ) |
|---|---|---|---|
| (1) | 順方向 | 順方向 | 逆方向 |
| (2) | 逆方向 | 逆方向 | 順方向 |
| (3) | 逆方向 | 順方向 | 逆方向 |
| (4) | 順方向 | 逆方向 | 順方向 |
| (5) | 逆方向 | 逆方向 | 逆方向 |
解説
正解は(2)です。
各ダイオードの動作原理とバイアス方向は以下の通りです。
(ア) 可変容量ダイオード(バリキャップ)は、pn接合に逆方向電圧をかけると、電圧の大きさに応じて空乏層の厚さが変化し、静電容量が変化する性質を利用します。
(イ) 定電圧ダイオード(ツェナーダイオード)は、pn接合に逆方向電圧をかけ、特定の電圧(降伏電圧)で急激に電流が流れる降伏現象を利用して、電圧を一定に保ちます。
(ウ) レーザダイオード: pn接合に順方向電圧を流し、注入されたキャリアが再結合する際に光を放出(誘導放出)する原理を利用しています。
よって、各選択肢の正否は以下のとおり。
(1) aが順方向となっているため誤り。
(2) 正しい。全ての組み合わせが合致しています。
(3) bが順方向となっているため誤り。
(4) aが順方向、cが逆方向となっているため誤り。
(5) cが逆方向となっているため誤り。
【問12】電界中の電子の運動
図のように、真空中に電極間隔 $d \text{ [m]}$ の平行板電極があり、陰極板上に電子を置いた。陽極板に電圧 $V \text{ [V]}$ を加えたとき、この電子に加わる力 $F \text{ [N]}$ の式として、正しいのは次のうちどれか。
ただし、電子の質量を $m \text{ [kg]}$、電気素量を $e \text{ [C]}$ とする。また、電極板の端効果は無視できるものとする。

(1) $\frac{V}{d}e$
(2) $\frac{V}{d^2}e$
(3) $\frac{V}{d^2} \frac{m}{e}$
(4) $\frac{V}{d^2} em$
(5) $\frac{V^2}{d} e$
解説
正解は(1)です。
平行板電極間に電圧 $V$ [V] を加えると、電極間には一様な電界 $E$ [V/m] が生じます。電界の大きさは次式で表されます。
$$E = \frac{V}{d} \quad [\text{V/m}]$$
この電界中にある電荷 $q$ [C] が受ける静電力 $F$ [N] は、 $F = qE$ です。電子の電荷(絶対値)は電気素量 $e$ [C] であるため、代入すると次式のようになります。
$$F = eE = e \left( \frac{V}{d} \right) = \frac{V}{d}e \quad [\text{N}]$$
したがって、式(1)が正解となります。電子の質量 $m$ は加速度を求める際には必要ですが、電子に加わる「力」そのものの式には含まれません。
【問13】水晶振動子と水晶発振回路
水晶振動子と水晶発振回路に関する記述として、誤っているものを次の(1)~(5)のうちから一つ選べ。
(1) 水晶振動子は、水晶片を二つの電極で挟んだ素子である。
(2) 水晶振動子の電気的な等価回路には、直列共振周波数と並列共振周波数の差が非常に小さいという特徴がある。
(3) 水晶発振回路は、LC 発振回路のコンデンサを水晶振動子に置き換えたものである。
(4) 水晶発振回路は、LC 発振回路と比較して周波数変動が非常に小さい。
(5) 水晶発振回路を用いた周波数シンセサイザは、無線送信機の周波数源として利用されている。
解説
誤っているのは(3)です。
各選択肢の解説は以下の通りです。
(1) 正しい。水晶振動子は、人工水晶などの水晶片の両面に電極を取り付けた構造をしています。
(2) 正しい。水晶振動子は非常に高いQ(品質係数)を持ち、直列共振周波数 $f_s$ と並列共振周波数 $f_p$ が極めて接近しているのが特徴です。
(3) 誤り。水晶振動子は特定の周波数範囲で誘導性(コイルの性質)を示すため、一般的にはLC発振回路のコイル(インダクタンス)の代わりに、あるいは共振回路の一部として組み込まれます。コンデンサを置き換えたものという記述は不適切です。
(4) 正しい。水晶振動子の共振特性は非常に鋭いため、周囲の温度変化などによる周波数の変動がLC回路に比べて極めて小さく、安定した発振が可能です。
(5) 正しい。高い周波数安定性が求められる無線機の基準周波数源として、水晶発振器は広く利用されています。
【問14】全波整流形電圧計による測定
目盛が正弦波交流に対する実効値になる整流形の電圧計(全波整流形)があり、この電圧計で図のような周期 $20 \text{ ms}$ の繰り返し波形電圧を測定した。このとき、電圧計の指示の値 $\text{[V]}$ として、最も近いものを次の(1)~(5)のうちから一つ選べ。

| – | (1) | (2) | (3) | (4) | (5) |
|---|---|---|---|---|---|
| 指示値 [V] | 5.66 | 5.14 | 4.62 | 4.44 | 4.00 |
解説
正解は(4)です。
整流形電圧計(全波整流形)は、入力された波形の絶対平均値 $V_{avg_abs}$ を検出し、それを正弦波の実効値 $V_{rms_sine}$ に換算して表示する計器です。正弦波において「実効値 / 平均値」の比(波形率)は約 $1.11$ なので、計器の指示値 $V_{ind}$ は次式で求められます。
$$V_{ind} = 1.11 \times V_{avg_abs}$$
① 入力波形の絶対平均値を求めます。図の波形は周期 $T = 20 \text{ ms}$ であり、 $0$ ~ $10 \text{ ms}$ で $8 \text{ V}$ 、 $10$ ~ $20 \text{ ms}$ で $0 \text{ V}$ なので、1周期の平均値は以下の通りです。
$$V_{avg_abs} = \frac{1}{20} \int_{0}^{20} |v(t)| dt = \frac{1}{20} (8 \times 10 + 0 \times 10) = 4 \text{ V}$$
② 計器の指示値を求めます。正弦波目盛の換算係数 $1.11$ を乗じます。
$$V_{ind} = 1.11 \times 4 = 4.44 \text{ V}$$
したがって、(4)の値が最も近くなります。
【問15】三相交流回路の計算
図のように線間電圧 $200 \text{ V}$、周波数 $50 \text{ Hz}$ の対称三相交流電源に RLC 負荷が接続されている。 $R = 10 \text{ \Omega}$、電源角周波数を $\Omega \text{ [rad/s]}$ として、 $\Omega L = 20 [ \Omega ]$、 $\frac{1}{\Omega C} = 20 \text{ \Omega}$ である。次の(a)及び(b)の問に答えよ。

(a) 電源電流 $I \text{ [A]}$ の値として、最も近いものを次の(1)~(5)のうちから一つ選べ。
(1) 5.77 (2) 7.00 (3) 11.5 (4) 14.0 (5) 22.5
(b) 三相負荷の有効電力 $P \text{ [kW]}$ の値として、最も近いものを次の(1)~(5)のうちから一つ選べ。
(1) 2.6 (2) 1.3 (3) 4.0 (4) 3.5 (5) 12
解説
正解は(a)が(3)、(b)が(3)です。
図の三相負荷はスター(Y)結線であり、各相に抵抗 $R$、コイル $L$、コンデンサ $C$ が並列に接続されています。
(a) 1相分の電流を求めます。
相電圧 $V_p$ は、線間電圧 $V = 200 \text{ V}$ より次のように求められます。
$$V_p = \frac{200}{sqrt{3}} \approx 115.5 \text{ V}$$
各素子を流れる電流 $I_R, I_L, I_C$ は以下の通りです。
$I_R = \frac{V_p}{R} = \frac{115.5}{10} = 11.55 \text{ A}$
$I_L = \frac{V_p}{\Omega L} = \frac{115.5}{20} \approx 5.78 \text{ A}$
$I_C = \frac{V_p}{1/(\Omega C)} = \frac{115.5}{20} \approx 5.78 \text{ A}$
コイルの電流とコンデンサの電流は位相が $180^circ$ 異なるため、並列部分の無効電流 $I_X$ は $I_X = |I_L – I_C| = 0 \text{ A}$ となります(並列共振状態)。
よって、電源電流(相電流) $I$ は抵抗を流れる電流成分のみとなり、 $I = I_R = 11.55 \text{ A}$ です。最も近い値は $11.5$ となります。
(b) 三相の有効電力 $P$ を求めます。有効電力は抵抗のみで消費されます。
$$P = 3 \times V_p I_R = 3 \times \frac{200}{sqrt{3}} \times 11.55 \approx 3 \times \frac{40000/3}{10} = 4000 \text{ W}$$
または $P = sqrt{3} V I cos theta$ より、共振により $cos theta = 1$ のため、
$$P = sqrt{3} \times 200 \times 11.55 \approx 1.732 \times 200 \times 11.55 \approx 4000 \text{ W} = 4.0 \text{ kW}$$
よって、最も近い値は $4.0$ となります。
【問16】直流ブリッジ回路の計算
図の直流回路において、次の(a)及び(b)に答えよ。ただし、電源電圧 $E \text{ [V]}$ の値は一定で変化しないものとする。

(a) 図1のように抵抗 $R \text{ [\Omega]}$ を端子 a, d 間に接続したとき、 $I_1 = 4.5 \text{ A}$、 $I_2 = 0.5 \text{ A}$ の電流が流れた。抵抗 $R$ の値 $[ \Omega ]$ として、正しいものを次の(1)~(5)のうちから一つ選べ。
(1) 180 (2) 160 (3) 80 (4) 40 (5) 20
(b) 図1の抵抗 $R [ \Omega ]$ を図2のように端子 b, c 間に接続し直したとき、回路に流れる電流 $I_3$ の値 $\text{[A]}$ として、最も近いものを次の(1)~(5)のうちから一つ選べ。
(1) 5.5 (2) 4.8 (3) 4.5 (4) 4.2 (5) 4.0
解説
正解は(a)が(3)、(b)が(4)です。
(a) 図1において、端子 a-b-d 間および a-c-d 間の各枝路の抵抗は $16 + 4 = 20 \Omega$ です。
並列接続された2つの枝路の合成抵抗 $R_{abc}$ は $10 \Omega$ であり、これに電流 $I_{arm} = (I_1 – I_2) / 2 = (4.5 – 0.5) / 2 = 2 \text{ A}$ が流れています。
電源電圧 $E$ は
$E = R_{arm} I_{arm} = 20 \times 2 = 40 \text{ V}$
です。抵抗 $R$ には電流 $I_2 = 0.5 \text{ A}$ が流れているため、
$$R = \frac{E}{I_2} = \frac{40}{0.5} = 80 \text{ \Omega}$$
(b) 図2の回路はブリッジ回路ですが、積の対辺($16 \times 16 neq 4 \times 4$)が等しくないため平衡していません。
$Delta-Y$ 変換等を用いて回路を整理すると、全電流 $I_3$ は約 $4.17 \text{ A}$ と求められます。
最も近い値は $4.2$ です。
【問17】複合誘電体コンデンサの電界とエネルギー
図のように、極板間の厚さ $d \text{ [m]}$、表面積 $S \text{ [m}^2\text{]}$ の平行板コンデンサAとBがある。真空の誘電率を $\epsilon_0 \text{ [F/m]}$ とする。両コンデンサの上側の極板に電圧 $V \text{ [V]}$ を接続した。次の(a)及び(b)の問に答えよ。

(a) コンデンサAにおける各誘電体内部の電界の強さ $E_{A1}, E_{A2}, E_{A3}$ の大小関係とその中の最大値の組合せとして、正しいものを次の(1)~(5)のうちから一つ選べ。
(1) $E_{A1} < E_{A2} < E_{A3}, \quad \frac{3V}{5d}$
(2) $E_{A1} > E_{A2} > E_{A3}, \quad \frac{3V}{5d}$
(3) $E_{A1} = E_{A2} = E_{A3}, \quad \frac{V}{d}$
(4) $E_{A1} < E_{A2} < E_{A3}, \quad \frac{9V}{5d}$
(5) $E_{A1} > E_{A2} > E_{A3}, \quad \frac{9V}{5d}$
(b) コンデンサB全体の蓄積エネルギーは、コンデンサA全体の蓄積エネルギーの何倍か。最も近いものを次の(1)~(5)のうちから一つ選べ。
(1) 0.72 (2) 0.83 (3) 1.00 (4) 1.20 (5) 1.38
解説
正解は(a)が(5)、(b)が(4)です。
(a) コンデンサAは3層の直列接続です。直列接続では電束密度 $D$ が一定($D_1 = D_2 = D_3$)であり、電界 $E$ は $E = D / \epsilon$ より比誘電率に反比例します。比誘電率は $2\epsilon_0, 3\epsilon_0, 6\epsilon_0$ と下層ほど大きいため、電界の強さは上層ほど大きく、 $E_{A1} > E_{A2} > E_{A3}$ となります。最大電界 $E_{A1}$ を求めると、電圧の関係式から $E_{A1} = \frac{9V}{5d}$ と導かれます。
(b) 各コンデンサの合成静電容量 $C_A, C_B$ を求めます。蓄積エネルギー $W$ は $W = \frac{1}{2} C V^2$ で表されます。計算の結果、 $C_B$ は $C_A$ の $1.2$ 倍となるため、エネルギーも $1.20$ 倍となります。
【問18】論理回路とパルス回路
NAND ICを用いたパルス回路について、次の(a)及び(b)の問に答えよ。

(a) MOS FETを用いて構成された図1の回路と真理値表が同一となるものを、図2のNAND回路の接続(イ)、(ロ)、(ハ)から全て選んだものとして、正しいのは次のうちどれか。
(1)(イ) (2)(ロ) (3)(ハ) (4)(イ)、(ロ) (5)(イ)、(ハ)
(b) 図3の(ニ)、(ホ)、(ヘ)の回路と、「性質I:発振器として用いることができる」、「性質II:フリップフロップの構成にも用いられる」を正しく対応づけた組合せを選べ。
解説
正解は(a)が(5)、(b)が(2)です。
(a) 図1のMOS FET回路は、入力が共に「1」のときのみ出力が「0」となるNAND回路の基本構造を示しています。図2の接続のうち、NAND回路として機能、あるいは入力の極性を考慮して論理的に同一となるのは(イ)および(ハ)です。
(b) パルス回路の性質に関する問題です。
(ニ) アステーブル(非安定)マルチバイブレータ: 外部入力がなくても「0」と「1」を繰り返し、パルスを連続発生させる発振器(性質I)として用いられます。
(ヘ) ビステーブル(双安定)マルチバイブレータ: 外部入力により状態が保持されるため、記憶機能を持つフリップフロップ(性質II)の構成に用いられます。よって、性質Iが(ニ)、性質IIが(ヘ)となる(2)が正解です。
関連コンテンツ




コメント