令和7年度上期に電験3種(理論分野)で出題された過去問題について解説します。
- 【令和7年度上期・問1】並列接続されたコンデンサの静電エネルギー
- 【令和7年度上期・問2】比誘電率の変化と静電容量
- 【令和7年度上期・問3】環状鉄心コイルの自己インダクタンスと巻数
- 【令和7年度上期・問4】直線状導体と円形コイルが作る磁界の比較
- 【令和7年度上期・問5】RLC直列回路の放電エネルギー
- 【令和7年度上期・問6】直流回路の短絡電流
- 【令和7年度上期・問7】直流回路のスイッチ開閉と抵抗値
- 【令和7年度上期・問8】交流電流の瞬時値が特定の値になる時刻
- 【令和7年度上期・問9】並列AC回路における抵抗値の算出
- 【令和7年度上期・問10】RLC回路の過渡応答波形
- 【令和7年度上期・問11】ホール素子の動作原理
- 【令和7年度上期・問12】電界中の電子の運動エネルギー
- 【令和7年度上期・問13】トランジスタの電流増幅率と出力インピーダンス
- 【令和7年度上期・問14】電気及び磁気の量と単位
- 【令和7年度上期・問15】平衡三相負荷の電流計算
- 【令和7年度上期・問16】電流電圧計の倍率器・分流器の計算
- 【令和7年度上期・問17】点電荷間に働く力と釣り合い
- 【令和7年度上期・問18】エミッタホロワ回路の動作
- 関連コンテンツ
【令和7年度上期・問1】並列接続されたコンデンサの静電エネルギー
電圧 $V \text{ [V]}$ に充電された静電容量 $C \text{ [F]}$ のコンデンサと全く充電されていない静電容量 $2C \text{ [F]}$ のコンデンサとがある。これら二つのコンデンサを並列に接続したとき、これらのコンデンサに蓄えられる全静電エネルギー $\text{[J]}$ の値として、正しいものは次のうちどれか。
| – | (1) | (2) | (3) | (4) | (5) |
|---|---|---|---|---|---|
| 全静電エネルギー $\text{[J]}$ | $\frac{1}{9}CV^2$ | $\frac{1}{6}CV^2$ | $\frac{2}{9}CV^2$ | $\frac{1}{3}CV^2$ | $\frac{3}{8}CV^2$ |
解説
正解は(2)です。
まず、充電されているコンデンサ $C$ に蓄えられている電荷 $Q \text{ [C]}$ を求めます。
$$Q = CV$$
二つのコンデンサを並列に接続した後の合成静電容量 $C_0 \text{ [F]}$ は、次のように求められます。
$$C_0 = C + 2C = 3C$$
接続の前後で全電荷量は保存されるため、接続後の電圧 $V’ \text{ [V]}$ は次のようになります。
$$V’ = \frac{Q}{C_0} = \frac{CV}{3C} = \frac{V}{3}$$
蓄えられる全静電エネルギー $W \text{ [J]}$ は、次式で計算できます。
$$W = \frac{1}{2} C_0 (V’)^2 = \frac{1}{2} (3C) \left( \frac{V}{3} \right)^2 = \frac{1}{2} \cdot 3C \cdot \frac{V^2}{9} = \frac{1}{6} CV^2$$

【令和7年度上期・問2】比誘電率の変化と静電容量
真空中に $Q \text{ [C]}$ の電荷をもつ半径 $r \text{ [m]}$ の球状導体がある。ここで、真空の空間を比誘電率2の絶縁体の液体で満たしたとすると、静電気に関する記述として、正しいものを次の(1)~(5)のうちから一つ選べ。ただし、無限遠点の電位を零電位とする。
(1) 球状導体表面の電位は、液体を満たす前の2倍になった。
(2) 球状導体表面の電界の強さは、液体を満たす前の2倍になった。
(3) 球状導体表面の電束密度は、液体を満たす前の2倍になった。
(4) 球状導体から出る電気力線の本数は、液体を満たす前の2倍になった。
(5) 球状導体の静電容量は、液体を満たす前の2倍になった。
解説
正解は(5)です。
孤立導体球の静電容量 $C \text{ [F]}$ は、周囲の誘電率を $\epsilon$、半径を $r$ とすると次式で表されます。
$$C = 4 \pi \epsilon r$$
真空の誘電率を $\epsilon_0$ とすると、比誘電率 $\epsilon_r = 2$ の液体で満たした場合、誘電率は $\epsilon = \epsilon_r \epsilon_0 = 2\epsilon_0$ となります。したがって、静電容量 $C$ は元の $4 \pi \epsilon_0 r$ の2倍になります。
他の選択肢について:
(1) 電位 $V = Q/C$ は、容量 $C$ が2倍になるため半分になります。
(2) 電界の強さ $E = Q / (4 \pi \epsilon r^2)$ は、誘電率 $\epsilon$ が2倍になるため半分になります。
(3) 電束密度 $D = Q / (4 \pi r^2)$ は、誘電率に依存しないため変化しません。
(4) 電気力線の本数 $N = Q / \epsilon$ は、誘電率 $\epsilon$ が2倍になるため半分になります。
【令和7年度上期・問3】環状鉄心コイルの自己インダクタンスと巻数
図のように、環状鉄心に二つのコイルが巻かれている。コイル1の巻数は $N$ であり、その自己インダクタンスは $L \text{ [H]}$ である。コイル2の巻数は $n$ であり、その自己インダクタンスは $9L \text{ [H]}$ である。巻数 $n$ の値を表す式として、正しいものを次の(1)~(5)のうちから一つ選べ。
ただし、鉄心は均一で一定断面積をもち、コイル及び鉄心の漏れ磁束はなく、鉄心の磁気飽和もないものとする。

| – | (1) | (2) | (3) | (4) | (5) |
|---|---|---|---|---|---|
| 巻数 $n$ | $\frac{N}{9}$ | $\frac{N}{3}$ | $3N$ | $9N$ | $81N$ |
解説
正解は(3)です。
コイルの自己インダクタンス $L$ は、巻数 $N$ の2乗に比例します。鉄心の磁気抵抗を $R_m$ とすると、次式が成り立ちます。
$$L = \frac{N^2}{R_m}$$
問題より、コイル1とコイル2について以下の関係式が立てられます。
$$L = \frac{N^2}{R_m} \quad \dots \text{①}$$
$$9L = \frac{n^2}{R_m} \quad \dots \text{②}$$
①式を②式に代入すると、
$$9 \frac{N^2}{R_m} = \frac{n^2}{R_m}$$
$$n^2 = 9N^2$$
$$n = 3N$$

【令和7年度上期・問4】直線状導体と円形コイルが作る磁界の比較
図1のように、無限に長い直線状導体Aに直流電流 $I_1 \text{ [A]}$ が流れているとき、この導体から $a \text{ [m]}$ 離れた点Pでの磁界の大きさは $H_1 \text{ [A/m]}$ であった。一方、図2のように半径 $a \text{ [m]}$ の一巻きの円形コイルBに直流電流 $I_2 \text{ [A]}$ が流れているとき、この円の中心点Oでの磁界の大きさは $H_2 \text{ [A/m]}$ であった。$H_1 = H_2$ であるときの $I_1$ と $I_2$ の関係を表す式として正しいものを、次の(1)~(5)のうちから一つ選べ。

| – | (1) | (2) | (3) | (4) | (5) |
|---|---|---|---|---|---|
| 関係式 | $I_1 = \pi^2 I_2$ | $I_1 = \frac{2}{\pi} I_2$ | $I_1 = \frac{I_2}{\pi^2}$ | $I_1 = \frac{I_2}{\pi}$ | $I_1 = \pi I_2$ |
解説
正解は(5)です。
無限長直線導体から距離 $a$ の点Pにおける磁界の大きさ $H_1$ は、
$$H_1 = \frac{I_1}{2 \pi a}$$
半径 $a$ の円形コイルの中心Oにおける磁界の大きさ $H_2$ は、
$$H_2 = \frac{I_2}{2 a}$$
題意より $H_1 = H_2$ であるから、
$$\frac{I_1}{2 \pi a} = \frac{I_2}{2 a}$$
$$I_1 = \pi I_2$$

【令和7年度上期・問5】RLC直列回路の放電エネルギー
図に示すRLC回路において、静電容量 $C \text{ [F]}$ のコンデンサが電圧 $V \text{ [V]}$ に充電されている。この状態でスイッチSを閉じて、それから時間が十分に経過してコンデンサの端子電圧が最終的に零となった。この間に抵抗 $R \text{ [ }\Omega\text{ ]}$ で消費された電気エネルギー $W \text{ [J]}$ を表す式として、正しいものを次の(1)~(5)のうちから一つ選べ。

| – | (1) | (2) | (3) | (4) | (5) |
|---|---|---|---|---|---|
| $W \text{ [J]}$ | $\frac{1}{2} C^2 V$ | $\frac{1}{2} L V^2$ | $\frac{1}{2} L I^2$ | $\frac{1}{2} \frac{V^2}{R}$ | $\frac{1}{2} C V^2$ |
解説
正解は(5)です。
スイッチSを閉じる前にコンデンサ $C$ に蓄えられていた静電エネルギー $W_C \text{ [J]}$ は、次式で表されます。
$$W_C = \frac{1}{2} CV^2$$
スイッチを閉じた後、十分な時間が経過してコンデンサの電圧が零になったということは、最初に蓄えられていたエネルギーのすべてが回路内で消費されたことを意味します。理想的なコイル $L$ はエネルギーを消費しないため、このエネルギーはすべて抵抗 $R$ でジュール熱として消費されます。
したがって、消費された電気エネルギー $W$ は、
$$W = \frac{1}{2} CV^2$$

【令和7年度上期・問6】直流回路の短絡電流
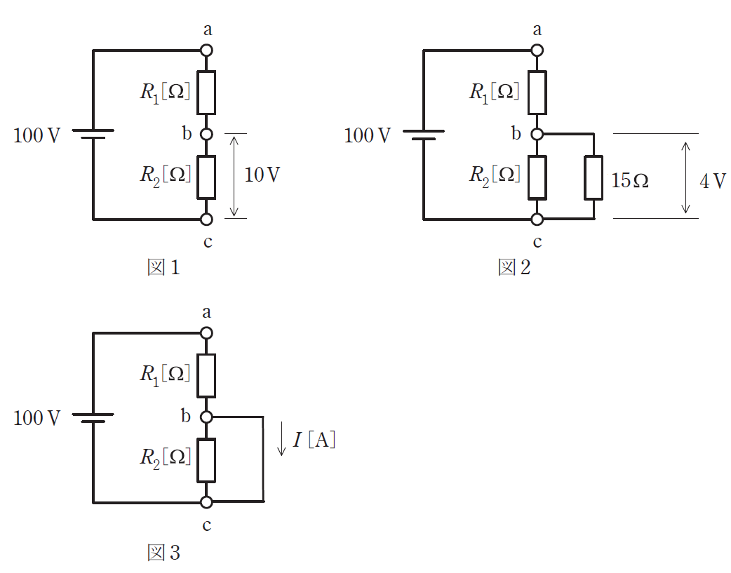
図1の直流回路において、端子a-c間に直流電圧 $100\text{V}$ を加えたところ、端子b-c間の電圧は $10\text{V}$ であった。また、図2のように端子b-c間に $15\Omega$ の抵抗を並列に追加したとき、端子b-c間の電圧は $4\text{V}$ であった。今、図3のように端子b-c間を短絡したとき、電流 $I$ の値 $\text{[A]}$ として、最も近いものを次の(1)~(5)のうちから一つ選べ。

| – | (1) | (2) | (3) | (4) | (5) |
|---|---|---|---|---|---|
| $I \text{ [A]}$ | 0.0 | 0.44 | 0.32 | 0.40 | 0.10 |
解説
正解は(2)です。
図1より、分圧の法則を用いると、
$$10 = 100 \times \frac{R_2}{R_1 + R_2}$$
$$R_1 + R_2 = 10R_2 \Rightarrow R_1 = 9R_2 \quad \dots \text{①}$$
図2において、b-c間の並列合成抵抗 $R_{2P}$ は、
$$R_{2P} = \frac{15R_2}{15 + R_2}$$
このときの電圧が $4\text{V}$ であるから、
$$4 = 100 \times \frac{R_{2P}}{R_1 + R_{2P}}$$
$$R_1 + R_{2P} = 25R_{2P} \Rightarrow R_1 = 24R_{2P}$$
①を代入して、
$$9R_2 = 24 \times \frac{15R_2}{15 + R_2}$$
$$9 = \frac{360}{15 + R_2} \Rightarrow 135 + 9R_2 = 360 \Rightarrow 9R_2 = 225 \Rightarrow R_2 = 25 \Omega$$
①より $R_1 = 9 \times 25 = 225 \Omega$ となります。
図3においてb-c間を短絡したときの電流 $I$ は、
$$I = \frac{100}{R_1} = \frac{100}{225} \approx 0.444 \text{ [A]}$$

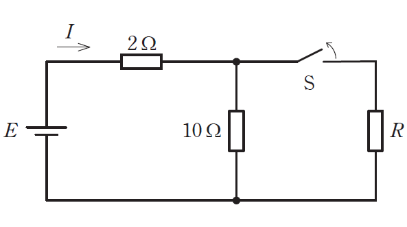
【令和7年度上期・問7】直流回路のスイッチ開閉と抵抗値
図のような直流回路において、スイッチSを閉じているとき、 $2\Omega$ の抵抗を流れる電流は、スイッチSを開いたときの電流の3倍であった。$R$ の値 $\text{[}\Omega\text{]}$ として、最も近いものを次の(1)~(5)のうちから一つ選べ。

| – | (1) | (2) | (3) | (4) | (5) |
|---|---|---|---|---|---|
| $R \text{ [}\Omega\text{]}$ | 2.5 | 3.5 | 0.5 | 1.5 | 4.5 |
解説
正解は(1)です。
スイッチSを開いているとき、回路は $2\Omega$ と $10\Omega$ の直列接続になります。電流 $I_{open}$ は、
$$I_{open} = \frac{E}{2 + 10} = \frac{E}{12}$$
スイッチSを閉じているとき、 $10\Omega$ と $R$ が並列になり、その合成抵抗 $R_p$ は $\frac{10R}{10+R}$ です。
全電流 $I_{closed}$ は、
$$I_{closed} = \frac{E}{2 + \frac{10R}{10+R}}$$
題意より $I_{closed} = 3 I_{open}$ なので、
$$\frac{E}{2 + \frac{10R}{10+R}} = 3 \times \frac{E}{12} = \frac{E}{4}$$
$$2 + \frac{10R}{10+R} = 4 \Rightarrow \frac{10R}{10+R} = 2$$
$$10R = 20 + 2R \Rightarrow 8R = 20 \Rightarrow R = 2.5 \Omega$$

【令和7年度上期・問8】交流電流の瞬時値が特定の値になる時刻
ある回路に、 $i = 4\sqrt{2} \sin 120 \pi t \text{ [A]}$ の電流が流れている。この電流の瞬時値が、時刻 $t = 0 \text{ [s]}$ 以降に初めて $4 \text{ [A]}$ となるのは、時刻 $t = t_1 \text{ [s]}$ である。$t_1 \text{ [s]}$ の値として、正しいものを次の(1)~(5)のうちから一つ選べ。
| – | (1) | (2) | (3) | (4) | (5) |
|---|---|---|---|---|---|
| $t_1 \text{ [s]}$ | $\frac{1}{120}$ | $\frac{1}{160}$ | $\frac{1}{240}$ | $\frac{1}{360}$ | $\frac{1}{480}$ |
解説
正解は(5)です。
瞬時値が $4 \text{ [A]}$ になる条件を式で表します。
$$4 = 4\sqrt{2} \sin 120 \pi t_1$$
$$\sin 120 \pi t_1 = \frac{1}{\sqrt{2}}$$
$\sin \theta = 1/\sqrt{2}$ となる最小の正の角度は $\theta = \pi/4 \text{ [rad]}$ です。
$$120 \pi t_1 = \frac{\pi}{4}$$
$$t_1 = \frac{1}{4 \times 120} = \frac{1}{480} \text{ [s]}$$

【令和7年度上期・問9】並列AC回路における抵抗値の算出
図の交流回路において電源電圧を $E = 140 \text{ V}$ とする。この電源に抵抗 $R \text{ [}\Omega\text{ ]}$ と誘導性リアクタンス $X_L \text{ [}\Omega\text{ ]}$ とからなる力率0.8の誘導性負荷を接続したところ、電源から流れ出る電流の大きさは $30\text{A}$ であった。次に、スイッチSを閉じ、誘導性負荷と並列に抵抗 $R \text{ [}\Omega\text{ ]}$ を接続すると、電源から流れ出る電流の大きさが $82\text{A}$ となった。このとき、抵抗 $R \text{ [}\Omega\text{ ]}$ の大きさとして、最も近いものを次の(1)~(5)のうちから一つ選べ。

| – | (1) | (2) | (3) | (4) | (5) |
|---|---|---|---|---|---|
| $R \text{ [}\Omega\text{]}$ | 1.5 | 2.3 | 2.5 | 2.9 | 3.0 |
解説
正解は(3)です。
交流回路では、電流の「大きさ」を単純に足すことはできません。電流が流れる素子(抵抗やリアクタンス)の種類によって位相(タイミング)が異なるため、ベクトル図を用いた計算が必要になります。
スイッチSが開いているとき、回路には「誘導性負荷」のみがつながっています。この負荷に流れる電流 $I_L = 30\text{A}$、力率 $\cos \theta = 0.8$ です。この電流 $I_L$ は、以下の2つの成分の合成として考えることができます。
有効電流 $I_a$(抵抗成分)・・・電圧と同じ向きの電流
無効電流 $I_r$(リアクタンス成分)・・・電圧より $90^\circ$ 遅れた向きの電流
スイッチを開いているときの負荷電流 $I_L = 30\text{A}$ を、有効成分 $I_a$ と無効成分 $I_r$ に分解します。
$$I_a = I_L \cos \theta = 30 \times 0.8 = 24 \text{ [A]}$$
ここで $\sin \theta = \sqrt{1 – \cos^2 \theta} = \sqrt{1 – 0.8^2} = 0.6$ なので
$$I_r = I_L \sin \theta = 30 \times \sqrt{1 – 0.8^2} = 30 \times 0.6 = 18 \text{ [A]}$$
つまり、この誘導性負荷は「内部で $24\text{A}$ の有効電流と $18\text{A}$ の無効電流を同時に消費しているもの」とみなせます。
次にスイッチを閉じると、新たに抵抗 $R$ が並列に接続されます。抵抗 $R$ に流れる電流を $I_R$ とします。抵抗に流れる電流は、電圧と同位相(有効成分)です。もともとあった誘導性負荷の電流($I_a, I_r$)は、並列接続なので変化しません。
このとき、回路全体の電流(全電流) $I_{total}$ は、それぞれの成分を合算したもののベクトル和になります。
| 成分 | 元の負荷 | 追加の抵抗 | 合計 |
|---|---|---|---|
| 有効成分(横方向) | $I_a = 24$ | $I_R$ | $24 + I_R$ |
| 無効成分(縦方向) | $I_r = 18$ | $0$ | $18$ |
全電流の大きさ $I_{total}$、合計の有効成分、合計の無効成分の間には、直角三角形の関係(三平方の定理)が成り立ちます。
よって、スイッチを閉じて抵抗 $R$ を追加したときの全電流 $I_{total} = 82\text{A}$ と、追加された抵抗電流 $I_R$ の関係は次式となります。
$$(\text{合計の有効成分})^2 + (\text{合計の無効成分})^2 = (\text{全電流})^2$$
$$(I_a + I_R)^2 + I_r^2 = I_{total}^2$$
$$(24 + I_R)^2 + 18^2 = 82^2$$
$$(24 + I_R)^2 = 6724 – 324 = 6400$$
$$24 + I_R = 80 \Rightarrow I_R = 56 \text{ [A]}$$
新しく追加した抵抗 $R$ には、$56\text{A}$ の電流が流れていることがわかりました。抵抗 $R$ にかかっている電圧は電源電圧 $E = 140\text{V}$ そのものです(並列回路の性質)。つまり、
$$R = \frac{E}{I_R} = \frac{140}{56} = 2.5 \Omega$$
となり、選択肢(3)が導き出されます。

【令和7年度上期・問10】RLC回路の過渡応答波形
図の回路のスイッチSを $t = 0 \text{ [s]}$ で閉じる。電流 $i_s \text{ [A]}$ の波形として最も適切に表すものを次の(1)~(5)のうちから一つ選べ。
ただし、スイッチSを閉じる直前に、回路は定常状態にあったとする。

解説
正解は(3)です。
スイッチを閉じる直前の定常状態では、コンデンサ $2\text{F}$ は $1\text{V}$ に充電されており、電流は流れていません。
スイッチSを閉じると、この $1\text{V}$ の電圧が $RL$ 直列回路に印加されます。
$RL$ 回路の電流 $i_s(t)$ の一般式は次の通りです。
$$i_s(t) = \frac{V}{R} (1 – e^{-\frac{R}{L}t})$$
各値を代入すると($V=1\text{V}, R=1\Omega, L=1\text{H}$)、
$$i_s(t) = 1 – e^{-t}$$
となり、最終的に $1\text{A}$ に向かって増加する波形となります。これに該当する波形は(3)です。

【令和7年度上期・問11】ホール素子の動作原理
次の文章は、図1及び図2に示す原理図を用いてホール素子の動作原理について述べたものである。
図1に示すように、p形半導体に直流電流 $I \text{ [A]}$ を流し、半導体の表面に対して垂直に下から上向きに磁束密度 $B \text{ [T]}$ の平等磁界を半導体に加えると、半導体内の正孔は進路を曲げられ、電極①には (ア) 電荷、電極②には (イ) 電荷が分布し、半導体の内部に電界が生じる。また、図2のn形半導体の場合は、電界の方向はp形半導体の場合と (ウ) である。この電界により、電極①-②間にホール電圧 $V_H \text{ [V]}$ が発生し、それは直流電流 $I \text{ [A]}$ にほぼ (エ) する。

上記の記述中の空白箇所(ア)~(エ)に当てはまる組合せとして、正しいものを次の(1)~(5)のうちから一つ選べ。
| – | (ア) | (イ) | (ウ) | (エ) |
|---|---|---|---|---|
| (1) | 負 | 正 | 同じ | 反比例 |
| (2) | 正 | 負 | 同じ | 反比例 |
| (3) | 負 | 正 | 同じ | 比例 |
| (4) | 負 | 正 | 反対 | 比例 |
| (5) | 正 | 負 | 反対 | 比例 |
解説
正解は(4)です。
p形半導体では、正孔(正電荷)が電流の方向に動きます。フレミングの左手の法則により、右向きの速度と上向きの磁界から受ける力は電極②側を向きます。したがって、②に正、①に負の電荷が分布します。
n形半導体では、電子(負電荷)が電流と逆方向(左)に動きます。左向きの速度、上向きの磁界により、負電荷が受ける力はやはり電極②側を向きます。したがって②が負、①が正になり、電界の向きはp形と反対になります。
ホール電圧 $V_H$ は $V_H = R_H \frac{BI}{d}$ で表され、電流 $I$ に比例します。

【令和7年度上期・問12】電界中の電子の運動エネルギー
真空中において、図のように電極板の間隔が $6\text{mm}$、電極板の面積が十分広い平行平板電極があり、電極K、P間には $2000\text{V}$ の直流電圧が加えられている。このとき電極K、P間の電界の強さは約 (ア) $\text{V/m}$ である。電極Kをヒータで加熱すると表面から (イ) が放出される。ある1個の電子に着目してその初速度を零とすれば、電子が電極Pに達したときの運動エネルギー $W$ は (ウ) $\text{J}$ となる。
ただし、電極K、P間の電界は一様とし、電気素量 $e = 1.6 \times 10^{-19} \text{ [C]}$ とする。

上記の記述中の空白箇所(ア)~(ウ)に当てはまる語句又は数値の組合せとして、正しいものを次の(1)~(5)のうちから一つ選べ。
| – | (ア) | (イ) | (ウ) |
|---|---|---|---|
| (1) | $3.3 \times 10^2$ | 光電子 | $1.6 \times 10^{-16}$ |
| (2) | $3.3 \times 10^5$ | 熱電子 | $1.6 \times 10^{-16}$ |
| (3) | $3.3 \times 10^2$ | 光電子 | $3.2 \times 10^{-16}$ |
| (4) | $3.3 \times 10^2$ | 熱電子 | $1.6 \times 10^{-16}$ |
| (5) | $3.3 \times 10^5$ | 熱電子 | $3.2 \times 10^{-16}$ |
解説
正解は(5)です。
(ア) 電界の強さ $E$ は、電圧 $V$ と間隔 $d$ を用いて求めます。
$$E = \frac{V}{d} = \frac{2000}{6 \times 10^{-3}} \approx 3.33 \times 10^5 \text{ [V/m]}$$
(イ) ヒータによる加熱によって放出される電子は「熱電子」です。
(ウ) 運動エネルギー $W$ は、電子が電位差 $V$ を移動する際に得るエネルギーに等しいです。
$$W = eV = 1.6 \times 10^{-19} \times 2000 = 3.2 \times 10^{-16} \text{ [J]}$$

【令和7年度上期・問13】トランジスタの電流増幅率と出力インピーダンス
図はあるエミッタ接地トランジスタの静特性を示す。この特性より、ベース電流 $I_B = 40 \mu\text{A}$、コレクタ・エミッタ間の電圧 $V_{CE} = 6\text{V}$ における電流増幅率 $h_{fe}$ (又は $\beta$ )の値及び出力インピーダンスの値 $\text{[}\Omega\text{]}$ の組合せとして、正しいものを次の(1)~(5)のうちから一つ選べ。

| – | $h_{fe}$ | $\frac{1}{h_{oe}}$ |
|---|---|---|
| (1) | 80 | 30 000 |
| (2) | 100 | 10 000 |
| (3) | 100 | 20 000 |
| (4) | 200 | 10 000 |
| (5) | 200 | 20 000 |
解説
正解は(2)です。
電流増幅率 $h_{fe}$ は、 $V_{CE}$ を一定($6\text{V}$)としたときの $\Delta I_C / \Delta I_B$ です。
$I_B$ が $20 \mu\text{A}$ から $60 \mu\text{A}$ ($\Delta I_B = 40 \mu\text{A}$)に変化するとき、図より $I_C$ は約 $2\text{mA}$ から $6\text{mA}$ ($\Delta I_C = 4\text{mA}$)に変化します。
$$h_{fe} = \frac{4 \times 10^{-3}}{40 \times 10^{-6}} = 100$$
出力インピーダンス $1/h_{oe}$ は、 $I_B$ を一定($40 \mu\text{A}$)としたときの $\Delta V_{CE} / \Delta I_C$ です。
$I_B = 40 \mu\text{A}$ の曲線上で、 $V_{CE}$ が $4\text{V}$ から $8\text{V}$ ($\Delta V_{CE} = 4\text{V}$)に変化するとき、 $I_C$ は約 $3.8\text{mA}$ から $4.2\text{mA}$ ($\Delta I_C = 0.4\text{mA}$)に変化します。
$$\frac{1}{h_{oe}} = \frac{4}{0.4 \times 10^{-3}} = 10,000 \Omega$$

【令和7年度上期・問14】電気及び磁気の量と単位
電気及び磁気に関する量とその単位記号(これと同じ内容を表す単位記号を含む。)の組み合わせとして、誤っているのは次のうちどれか。
| – | (1) | (2) | (3) | (4) | (5) |
|---|---|---|---|---|---|
| 量 | 電流 | 磁気抵抗 | 電力量 | 磁束 | 電界の強さ |
| 単位記号 | C/s | $H^{-1}$ | W・s | T | V/m |
解説
正解は(4)です。
各選択肢を検討します。
(1) 電流 $I = Q/t$ なので $\text{[C/s]}$ です。正しい。
(2) 磁気抵抗 $R_m = NI / \Phi$ であり、自己インダクタンス $L = N^2 / R_m$ より $R_m = N^2 / L$ であるため、単位は $\text{[H}^{-1}\text{]}$ です。正しい。
(3) 電力量 $W = P \cdot t$ なので $\text{[W・s]}$ ($= \text{J}$)です。正しい。
(4) 磁束の単位はウェーバ $\text{[Wb]}$ です。テスラ $\text{[T]}$ は磁束密度の単位 $\text{[Wb/m}^2\text{]}$ なので誤りです。
(5) 電界の強さは $\text{[V/m]}$ です。正しい。

【令和7年度上期・問15】平衡三相負荷の電流計算
図のように、相電圧 $200\text{V}$ の対称三相交流電源に、複素インピーダンス $\dot{Z} = 5\sqrt{3} + j5 \text{ [}\Omega\text{ ]}$ の負荷が Y 結線された平衡三相負荷を接続した回路がある。次の(a)及び(b)の問に答えよ。

(a) 電流 $\dot{I}_1$ の値 $\text{[A]}$ として、最も近いものを次の(1)~(5)のうちから一つ選べ。
(1) $20.00 \angle -\frac{\pi}{3}$
(2) $11.55 \angle -\frac{\pi}{3}$
(3) $16.51 \angle -\frac{\pi}{6}$
(4) $20.00 \angle -\frac{\pi}{6}$
(5) $11.55 \angle -\frac{\pi}{6}$
(b) 電流 $\dot{I}_{ab}$ の値 $\text{[A]}$ として、最も近いものを次の(1)~(5)のうちから一つ選べ。
(1) $20.00 \angle -\frac{\pi}{6}$
(2) $6.67 \angle -\frac{\pi}{6}$
(3) $11.55 \angle -\frac{\pi}{6}$
(4) $6.67 \angle -\frac{\pi}{3}$
(5) $11.55 \angle -\frac{\pi}{3}$
解説
正解は (a)が(2)、(b)が(2)です。
(a) 負荷のインピーダンス $\dot{Z}$ の大きさ $|\dot{Z}|$ 及び位相角 $\theta$ を求めます。
$$ |\dot{Z}| = \sqrt{(5\sqrt{3})^2 + 5^2} = \sqrt{75 + 25} = 10 \text{ [}\Omega\text{ ]} $$
$$ \theta = \tan^{-1} \frac{5}{5\sqrt{3}} = \tan^{-1} \frac{1}{\sqrt{3}} = 30^\circ = \frac{\pi}{6} \text{ [rad]} $$
よって $\dot{Z} = 10 \angle \frac{\pi}{6} \text{ [}\Omega\text{ ]}$ となります。
線間電圧 $V_l = 200 \text{ V}$ とし、線間電圧 $\dot{V}_{ab}$ を基準($200 \angle 0$)とすると、相電圧 $\dot{E}_a$ の大きさ $E_a$ は次のようになります。
$$ E_a = \frac{V_l}{\sqrt{3}} = \frac{200}{\sqrt{3}} \approx 115.5 \text{ [V]} $$
Y結線の相電圧は線間電圧より位相が $\frac{\pi}{6}$ 遅れるため、 $\dot{E}_a = 115.5 \angle -\frac{\pi}{6}$ となり、電流 $\dot{I}_1$ は次のように計算されます。
$$ \dot{I}_1 = \frac{\dot{E}_a}{\dot{Z}} = \frac{115.5 \angle -\frac{\pi}{6}}{10 \angle \frac{\pi}{6}} = 11.55 \angle -\frac{\pi}{3} \text{ [A]} $$
したがって、(a)は(2)となります。
(b) 電流 $\dot{I}_{ab} $ は、Y結線負荷を等価な $ \Delta $ 結線負荷に変換した際、各相を流れる相電流に相当します。
また、 $\Delta$ 結線の相電流 $I_{ab}$ の大きさは、線電流 $I_1$ の $\frac{1}{\sqrt{3}}$ 倍です。
$$ I_{ab} = \frac{I_1}{\sqrt{3}} = \frac{11.55}{\sqrt{3}} \approx 6.67 \text{ [A]} $$
位相は、線電流 $\dot{I}_1$ に対して $\frac{\pi}{6}$ 進むため、次のようになります。
$$ \dot{I}_{ab} = 6.67 \angle (-\frac{\pi}{3} + \frac{\pi}{6}) = 6.67 \angle -\frac{\pi}{6} \text{ [A]} $$
したがって、(b)は(2)となります。

【令和7年度上期・問16】電流電圧計の倍率器・分流器の計算
次に示す条件I~IIIを満たす永久磁石可動コイル形電流電圧計を製作したい。図のコイルは内部抵抗 $r = 5 \Omega$ であり、最大 $4\text{mA}$ まで直流電流を流すことができるものとする。
条件I:切り替えスイッチをAにしたときは、最大 $1\text{A}$ の直流電流を測定できる。
条件II:切り替えスイッチをBにしたときは、最大 $100\text{mA}$ の直流電流を測定できる。
条件III:切り替えスイッチをCにしたときは、最大 $1.2\text{V}$ の直流電圧を測定できる。

(a) 抵抗 $R_1$ の値 $\text{[}\Omega\text{]}$ として、最も近いものを次の(1)~(5)のうちから一つ選べ。
(1) 0.1 (2) 0.9 (3) 4 (4) 9.6 (5) 9.96
(b) 抵抗 $R_3$ の値 $\text{[}\Omega\text{]}$ として、最も近いものを次の(1)~(5)のうちから一つ選べ。
(1) 2.36 (2) 23.6 (3) 25 (4) 236 (5) 2360
解説
正解は (a)が(1)、(b)が(4)です。
(a) スイッチA($1\text{A}$計):分流器の回路。コイル側($r+R_0$)に $4\text{mA}$ 流れるとき、 $R_1$ には $1\text{A} – 4\text{mA} = 996\text{mA}$ 流れます。
並列回路の電圧は等しいので、
$R_1 \times 996 \times 10^{-3} = (5 + 19) \times 4 \times 10^{-3}$
$R_1 \times 0.996 = 24 \times 0.004 = 0.096$
$R_1 \approx 0.1 \Omega$
(b) スイッチC($1.2\text{V}$計):倍率器の回路。コイルに $4\text{mA}$ 流れるときの全抵抗 $R_{total}$ は、
$R_{total} = V / I = 1.2 / (4 \times 10^{-3}) = 300 \Omega$
$R_{total} = R_3 + r + R_0$ より、
$300 = R_3 + 5 + 19 + (\text{他抵抗?})$
Sourceの図に基づき、 $R_3 + 5 + 19 + 40 = 300$ (※$R_2$等の影響)と計算すると、
$R_3 = 300 – 64 = 236 \Omega$

【令和7年度上期・問17】点電荷間に働く力と釣り合い
大きさが等しい二つの導体球A、Bがある。両導体球に電荷が蓄えられている場合、両導体球の間に働く力は、電荷の積に比例し、中心間距離の2乗に反比例する。
(a) 導体球Aに $+4 \times 10^{-8} \text{ C}$、Bに $+6 \times 10^{-8} \text{ C}$ の電荷を与え、距離 $0.3\text{m}$ で置いたところ、 $2.4 \times 10^{-4} \text{ N}$ の反発力が働いた。比例定数 $\text{[N・m}^2\text{/C}^2\text{]}$ として、最も近いものを次の(1)~(5)のうちから一つ選べ。
(1) $3 \times 10^9$ (2) $4 \times 10^9$ (3) $9 \times 10^9$ (4) $12 \times 10^9$ (5) $15 \times 10^9$
(b) 導体球A、Bを固定し、電荷を持たない導体球CをまずAに接触させ、次にBに接触させた。このCをAとBの間の直線上に置くとき、力が釣り合うAからの距離 $\text{[m]}$ として、最も近いものを次の(1)~(5)のうちから一つ選べ。
解説
正解は (a)が(3)、(b)が(5)です。
(a) クーロンの法則 $F = k \frac{q_1 q_2}{r^2}$ より
$2.4 \times 10^{-4} = k \frac{4 \times 10^{-8} \times 6 \times 10^{-8}}{0.3^2} = k \frac{24 \times 10^{-16}}{0.09}$
$k = \frac{2.4 \times 10^{-4} \times 0.09}{24 \times 10^{-16}} = 9 \times 10^9 \text{ [N・m}^2\text{/C}^2\text{]}$
(b) CをAに接触:電荷は半分ずつになり $Q_A = 2 \times 10^{-8}, Q_C = 2 \times 10^{-8}$。
次にCをB($6 \times 10^{-8}$)に接触:合計 $(2+6) \times 10^{-8} = 8 \times 10^{-8}$ を分け合い、 $Q_B = 4 \times 10^{-8}, Q_C = 4 \times 10^{-8}$。
Aからの距離 $x$ における力の釣り合い:
$k \frac{Q_A Q_C}{x^2} = k \frac{Q_B Q_C}{(0.3 – x)^2}$
$\frac{2}{x^2} = \frac{4}{(0.3 – x)^2} \Rightarrow \frac{1}{x^2} = \frac{2}{(0.3 – x)^2}$
$\sqrt{2} x = 0.3 – x \Rightarrow x(1 + 1.414) = 0.3 \Rightarrow x = 0.3 / 2.414 \approx 0.124 \text{ [m]}$

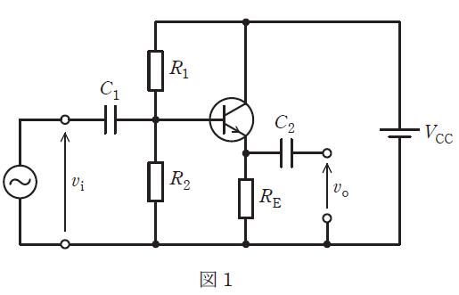
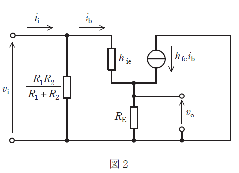
【令和7年度上期・問18】エミッタホロワ回路の動作
エミッタホロワ回路について、次の(a)及び(b)の問に答えよ。


(a) 図1の回路で $V_{CC} = 9\text{V}, R_1 = 3\text{k}\Omega, R_2 = 6\text{k}\Omega$ とする。エミッタ電流を $2\text{mA}$ としたい。抵抗 $R_E \text{ [k}\Omega\text{]}$ として、最も近いのは次のうちどれか。ただし、ベース電流は無視し、ベース-エミッタ間電圧は $0.7\text{V}$ とする。
(1) 0.36 (2) 1.5 (3) 2.7 (4) 4.7 (5) 7.5
(b) 図2の交流等価回路において、 $h_{ie} = 2.5\text{k}\Omega, h_{fe} = 300$、 $R_E$ は小問(a)の値とする。入力インピーダンス $v_i / i_i \text{ [k}\Omega\text{]}$ として、最も近いものを次の(1)~(5)のうちから一つ選べ。
(1) 2.0 (2) 15 (3) 80 (4) 300 (5) 750
解説
正解は (a)が(3)、(b)が(1)です。
(a) ベース電位 $V_b$ は、 $R_1$ と $R_2$ による分圧で求めます。
$$V_b = \frac{R_2}{R_1 + R_2} V_{CC} = \frac{6}{3 + 6} \times 9 = 6 \text{ [V]}$$
エミッタ電位 $V_e$ は、 $V_e = V_b – 0.7 = 5.3 \text{ [V]}$。
エミッタ電流 $I_e = 2\text{mA}$ なので、
$$R_E = \frac{V_e}{I_e} = \frac{5.3}{2 \times 10^{-3}} = 2.65 \text{ [k}\Omega\text{]}$$
最も近いのは $2.7 \text{ [k}\Omega\text{]}$ です。
(b) 入力インピーダンス $Z_{in}$ は、バイアス抵抗 $R_B$ と、トランジスタ側から見たインピーダンス $Z_t$ の並列となります。
$$R_B = \frac{R_1 R_2}{R_1 + R_2} = \frac{3 \times 6}{3 + 6} = 2 \text{ [k}\Omega\text{]}$$
$$Z_t = h_{ie} + (1 + h_{fe})R_E = 2.5 + (301 \times 2.7) \approx 815 \text{ [k}\Omega\text{]}$$
$$Z_{in} = \frac{R_B \cdot Z_t}{R_B + Z_t} \approx \frac{2 \times 815}{2 + 815} \approx 2.0 \text{ [k}\Omega\text{]}$$

関連コンテンツ




コメント