令和6年度上期に電験3種(理論分野)で出題された過去問題について解説します。
- 【令和6年度上期・問1】複合誘電体平行平板電極の等電位線
- 【令和6年度上期・問2】孤立導体球に帯電できる最大の電荷
- 【令和6年度上期・問3】磁気に関する量と単位
- 【令和6年度上期・問4】平行直線導体による合成磁界
- 【令和6年度上期・問5】直流回路における消費電力
- 【令和6年度上期・問6】未知の抵抗値の計算
- 【令和6年度上期・問7】ジュール熱が最大となるときの可変抵抗の値
- 【令和6年度上期・問8】LC共振回路を直列接続したときの共振周波数
- 【令和6年度上期・問9】非正弦波交流による電力
- 【令和6年度上期・問10】過渡現象の波形
- 【令和6年度上期・問11】バイポーラトランジスタと電界効果トランジスタ(FET)
- 【令和6年度上期・問12】真空中に置かれた平行電極板間における電子の運動
- 【令和6年度上期・問13】共振回路の等価回路の変換
- 【令和6年度上期・問14】電気計器に関する記述
- 【令和6年度上期・問15】交流回路の素子とエネルギー
- 【令和6年度上期・問16】直流電流の測定範囲の拡大
- 【令和6年度上期・問17】コンデンサのY-Δ変換と合成静電容量
- 【令和6年度上期・問18】アナログ変調・復調回路
- 関連コンテンツ
【令和6年度上期・問1】複合誘電体平行平板電極の等電位線

図1に示すような、空気を含む二つの誘電体からなる平行平板電極がある。この下部電極を接地し、上部電極に電圧を加えたときの電極間の等電位線の分布を示す断面図として、正しいものを次の(1)~(5)のうちから一つ選べ。
ただし、誘電体の導電性及び電極と誘電体の端効果は無視できるものとする。参考までに固体誘電体を取り除いた、空気中平行平板電極の場合の等電位線の分布を図2に示す。

解説
正解は(5)です。
平行平板コンデンサの誘電体層が直列に配置されている場合、電束密度 $D$ は各層で連続(等しい)となります。空気の比誘電率を $\epsilon_1 = 1$、固体誘電体の比誘電率を $\epsilon_2 = 6$ とすると、それぞれの電界の強さ $E_1, E_2$ は次式の関係になります。
$$D = \epsilon_0 \epsilon_1 E_1 = \epsilon_0 \epsilon_2 E_2$$
したがって、空気中と固体誘電体中の電界の強さの比は以下のようになります。
$$E_1 : E_2 = \epsilon_2 : \epsilon_1 = 6 : 1$$
電界の強さ $E$ は等電位面の間隔に反比例するため、電界が強い空気中では等電位面の間隔が狭く(密に)なり、電界が弱い固体誘電体中では間隔が広く(疎に)なります。

【令和6年度上期・問2】孤立導体球に帯電できる最大の電荷
空気中に孤立した半径 $a \text{ [m]}$ の導体球に帯電できる最大の電荷の値 $\text{[C]}$ として、正しいものを次の(1)~(5)のうちから一つ選べ。ただし、空気の絶縁耐力及び誘電率はそれぞれ $E_m \text{ [V/m]}$ 及び $\epsilon_0 \text{ [F/m]}$ とする。
| – | (1) | (2) | (3) | (4) | (5) |
|---|---|---|---|---|---|
| 電荷の値 | $\frac{E_{m}}{4\pi\epsilon_{0}a^{2}}$ | $\frac{E_{m}}{4\pi\epsilon_{0}a}$ | $4\pi\epsilon_{0}aE_{m}$ | $4\pi\epsilon_{0}a^{2}E_{m}$ | $4\pi\epsilon_{0}a^{3}E_{m}$ |
解説
正解は(4)です。
半径 $a \text{ [m]}$ の導体球に電荷 $Q \text{ [C]}$ が帯電しているとき、導体球表面の電界の強さ $E$ は、ガウスの定理より次式で表されます。
$$E = \frac{Q}{4\pi\epsilon_0 a^2}$$
この電界 $E$ が空気の絶縁耐力 $E_m$ に達したときが、導体球に帯電できる最大の電荷 $Q_{max}$ となります。したがって、
$$E_m = \frac{Q_{max}}{4\pi\epsilon_0 a^2}$$
この式を $Q_{max}$ について解くと、
$$Q_{max} = 4\pi\epsilon_0 a^2 E_m$$
となります。

【令和6年度上期・問3】磁気に関する量と単位
磁気に関する量とその単位記号 (SI 基本単位及び組立単位による表し方)の組合せとして、誤っているものを次の(1)~(5)のうちから一つ選べ。
| – | (1) | (2) | (3) | (4) | (5) |
|---|---|---|---|---|---|
| 量 | インダクタンス | 磁束 | 磁界の強さ | 磁気抵抗 | 透磁率 |
| 単位記号 | Wb/A | $V/s$ | $A/m$ | $H^{-1}$ | $H/m$ |
解説
正解は(2)です。
磁束の単位はウェーバ $\text{[Wb]}$ です。ファラデーの電磁誘導の法則 $e = -\frac{d\Phi}{dt}$ より、電圧は磁束の時間変化率に等しいため、単位は次式の関係となります。
$$\text{[V]} = \frac{\text{[Wb]}}{\text{[s]}}$$
すなわち、 $\text{[Wb]=[Vs]}$ となります。したがって、(2)の $\text{V/s}$ は誤りです。
(2)インダクタンス:$\text{Wb/A}$は正しいです。
自己インダクタンス $L$ の定義式 $\Phi = Li$(磁束 = インダクタンス × 電流)から導けます。
この式を $L$ について解くと、
$$L = \frac{\Phi}{i} \quad \rightarrow \quad \text{[H]} = \frac{\text{[Wb]}}{\text{[A]}}$$
(3) 磁界の強さ:$\text{A/m}$は正しいです。
アンペールの右ねじの法則(周回積分の法則) $Hl = NI$ から導けます。
磁界の強さ $H$ は、単位長さあたりの起電力(電流)となるため、
$$H = \frac{NI}{l} \quad \rightarrow \quad \text{[A/m]}$$
($N$ は巻数で無次元量のため、単位としては電流の $\text{A}$ と長さの $\text{m}$ が残ります)
(4) 磁気抵抗:$\text{H}^{-1}$は正しいです。
磁気抵抗 $R_m$ とインダクタンス $L$ の関係式 $L = \frac{N^2}{R_m}$ から導けます。
この式を $R_m$ について解くと、
$$R_m = \frac{N^2}{L} \quad \rightarrow \quad \frac{1}{\text{[H]}} = \text{[H}^{-1}\text{]}$$
また、磁気回路のオームの法則 $\Phi = \frac{F}{R_m}$ (起磁力 $\div$ 磁気抵抗)から $\text{A/Wb}$ と表すこともありますが、$\text{H}^{-1}$ も一般的によく使われる正しい表記です。
(5) 透磁率:$\text{H/m}$は正しいです。
磁束密度 $B$ と磁界の強さ $H$ の関係式 $B = \mu H$ から導けます。
透磁率 $\mu$ について解くと、
$$\mu = \frac{B}{H} = \frac{\text{[T]}}{\text{[A/m]}} = \frac{\text{[Wb/m}^2\text{]}}{\text{[A/m]}} = \frac{\text{[Wb]}}{\text{[A]}} \cdot \frac{1}{\text{[m]}}$$
ここで、(1)で確認した通り $\text{Wb/A} = \text{H}$ なので、
$$\mu \rightarrow \text{[H/m]}$$
したがって、透磁率の単位として $\text{H/m}$ は正しいです。

【令和6年度上期・問4】平行直線導体による合成磁界

図のように、A,B2本の平行な直線導体があり、導体Aには $1.2 \text{ [A]}$ の、導体Bにはそれと反対方向に $3 \text{ [A]}$ の電流が流れている。導体AとBの間隔が $l \text{ [m]}$ のとき、導体Aより $0.3 \text{ [m]}$ 離れた点Pにおける合成磁界が零になった。$l$ の値 $\text{[m]}$ として、最も近いものを次の(1)~(5)のうちから一つ選べ。
ただし、導体A、Bは無限長とし、点Pは導体A、Bを含む平面上にあるものとする。
| – | (1) | (2) | (3) | (4) | (5) |
|---|---|---|---|---|---|
| $l \text{ [m]}$ | 0.24 | 0.45 | 0.54 | 0.75 | 1.05 |
解説
正解は(2)です。
無限長直線導体が距離 $r$ の点に作る磁界の大きさは $H = \frac{I}{2\pi r}$ です。
電流の向きが互いに逆であるため、点Pにおいて導体Aが作る磁界 $H_A$ と導体Bが作る磁界 $H_B$ は向きが逆になり、打ち消し合います。
$$H_A = \frac{1.2}{2\pi \times 0.3}$$
$$H_B = \frac{3}{2\pi \times (0.3 + l)}$$
点Pにおいて合成磁界が零になるため、 $H_A = H_B$ が成り立ちます。
$$\frac{1.2}{0.3} = \frac{3}{0.3 + l}$$
$$4 = \frac{3}{0.3 + l}$$
$$0.3 + l = 0.75$$
$$l = 0.45 \text{ [m]}$$

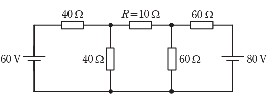
【令和6年度上期・問5】直流回路における消費電力

図の直流回路において,抵抗 $R=10 [\Omega]$ で消費される電力の値 $\text{[W]}$ として、最も近いものを次の(1)~(5)のうちから一つ選べ。
| – | (1) | (2) | (3) | (4) | (5) |
|---|---|---|---|---|---|
| 電力 $\text{[W]}$ | 0.28 | 1.89 | 3.79 | 5.36 | 7.62 |
解説
正解は(1)です。
複雑な直流回路において、特定の抵抗で消費される電力を求めるには、テブナンの定理やミルマンの定理を用いるのが有効です。テブナンの定理を用いて抵抗 $R=10 [\Omega] $ を切り離したときの開放端電圧 $V_0$ と、その端子から見た回路網の合成抵抗 $R_0$ を求めると、抵抗 $R$ に流れる電流 $I$ は次式で計算できます。
$$I = \frac{V_0}{R_0 + R}$$
抵抗 $R$ を回路から取り除き、その接続点を端子 a, b とします。各枝路において分圧の法則を適用し、端子 a および端子 b の電位 $V_a, V_b$ を求めます。


$V_a = 60 \times \frac{40}{40 + 40} = 30 \text{ [V]}$
$V_b = 80 \times \frac{60}{60 + 60} = 40 \text{ [V]}$
開放端電圧 $V_0$ は、これらの電位差の絶対値として求められます。
$$V_0 = |V_b – V_a| = |40 – 30| = 10 \text{ [V]}$$
回路内の電圧源をすべて短絡し、端子 a, b から回路側を見た合成抵抗 $R_0$ を求めます。

このとき回路は、 $40 [\Omega]$ 抵抗 2 個の並列接続と、 $60 [\Omega]$ 抵抗 2 個の並列接続が直列に接続された構成となります。

$$R_0 = \frac{40 \times 40}{40 + 40} + \frac{60 \times 60}{60 + 60} = 20 + 30 = 50 [\Omega]$$
テブナンの等価回路に抵抗 $R = 10 [\Omega]$ を接続したときに流れる電流 $I$ を求めます。

$$I = \frac{V_0}{R_0 + R} = \frac{10}{50 + 10} = \frac{10}{60} = \frac{1}{6} \text{ [A]}$$
抵抗 $R$ で消費される電力 $P$ は、電流 $I$ の 2 乗に抵抗値を乗じて算出します。
$$P = I^2 R = \left( \frac{1}{6} \right)^2 \times 10 = \frac{10}{36} \approx 0.278 \text{ [W]}$$
以上の計算より、消費電力の値として最も近いものは 0.28 [W] となります。

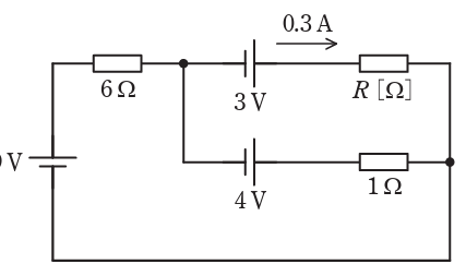
【令和6年度上期・問6】未知の抵抗値の計算

図の回路において、抵抗 $R [\Omega]$ には電流 $0.3 \text{ [A]}$ が流れている。抵抗 $R$ の値 $ [\Omega]$ として、最も近いものを次の(1)~(5)のうちから一つ選べ。
| – | (1) | (2) | (3) | (4) | (5) |
|---|---|---|---|---|---|
| $R [\Omega]$ | 2.0 | 2.8 | 3.7 | 4.9 | 25 |
解説
正解は(1)です。まず、回路網を見やすくします。

回路の各枝に流れる電流を $I_1, I_2, I_3$ とします。

抵抗 $R$ のある枝に流れる電流を $I_1 = 0.3 \text{ [A]}$、中央の $1 [\Omega]$ の抵抗がある枝に流れる電流を $I_2$、右側の $6 [\Omega]$ の抵抗がある枝に流れる電流を $I_3$ とし、すべて下向きに流れるものと仮定します。
まず、キルヒホッフの第一法則(電流則)より、接続点において流入する電流と流出する電流の和は等しいため、次の方程式が成り立ちます。
$I_1 + I_2 + I_3 = 0$
$0.3 + I_2 + I_3 = 0$ つまり $I_3 = -0.3 – I_2 \dots$ (1)
次に、各閉回路にキルヒホッフの第二法則(電圧則)を適用します。
左側の閉回路について、時計回りに電圧の合計を考えると、電源電圧の向きと抵抗による電圧降下の向きに注意して以下の式が得られます。
$3 – 0.3R + I_2 \times 1 – 4 = 0$
$I_2 = 0.3R + 1 \dots$ (2)
右側の閉回路について、同様に時計回りに電圧の合計を考えると以下の式が得られます。
$4 – I_2 \times 1 + I_3 \times 6 – 9 = 0$
$-I_2 + 6I_3 – 5 = 0 \dots$ (3)
式(3)に式(1)を代入して $I_2$ を求めます。
$-I_2 + 6(-0.3 – I_2) – 5 = 0$
$-I_2 – 1.8 – 6I_2 – 5 = 0$
$-7I_2 – 6.8 = 0$
$7I_2 = -6.8$
$I_2 \approx -0.97 \text{ [A]}$
左から右へ流れる電流の節点での関係を $I_1 + I_2 = I_3$ とし、ループ内の電位差を整理すると以下のようになります。
閉回路1(左): $3 – 0.3R + 1 \times I_2 – 4 = 0$ より $I_2 = 0.3R + 1$
閉回路2(右): $4 – 1 \times I_2 – 6 \times I_3 + 9 = 0$ より $13 – I_2 – 6I_3 = 0$
この連立方程式に $I_3 = 0.3 + I_2$ を代入すると
$13 – I_2 – 6(0.3 + I_2) = 0$
$13 – I_2 – 1.8 – 6I_2 = 0$
$11.2 – 7I_2 = 0$
$I_2 = 1.6 \text{ [A]}$
この $I_2$ の値を閉回路1の式に代入します。
$1.6 = 0.3R + 1$
$0.6 = 0.3R$
$R = \frac{0.6}{0.3} = 2.0 \text{ [}\Omega\text{]}$
したがって、抵抗 $R$ の値は $2.0 \Omega$ となります。
【令和6年度上期・問7】ジュール熱が最大となるときの可変抵抗の値
起電力が $E \text{ [V]}$ で内部抵抗が $r [\Omega]$ の電池がある。この電池に抵抗 $R_1 [\Omega]$ と可変抵抗 $R_2 [\Omega]$ を並列につないだとき、抵抗 $R_2 [\Omega]$ から発生するジュール熱が最大となるときの抵抗 $R_2$ の値 $[\Omega]$ を表す式として、正しいものを次の(1)~(5)のうちから一つ選べ。
| – | (1) | (2) | (3) | (4) | (5) |
|---|---|---|---|---|---|
| $R_2 [\Omega]$ | $R_2 = r$ | $R_2 = R_1$ | $R_2 = \frac{r R_1}{r + R_1}$ | $R_2 = \frac{r R_1}{R_1 – r}$ | $R_2 = \frac{r R_1}{r – R_1}$ |
解説
正解は(3)です。
最大電力供給定理によれば、負荷抵抗で消費される電力(ジュール熱)が最大になるのは、負荷抵抗が電源側から見た内部抵抗と等しいときです。
可変抵抗 $R_2$ を負荷として考えたとき、電源側から見た等価内部抵抗 $r_{eq}$ は、電池の内部抵抗 $r$ と抵抗 $R_1$ が並列に接続された合成抵抗となります。
$$r_{eq} = \frac{r R_1}{r + R_1}$$
消費電力が最大となる条件は $R_2 = r_{eq}$ であるため、
$$R_2 = \frac{r R_1}{r + R_1}$$
となります。

【令和6年度上期・問8】LC共振回路を直列接続したときの共振周波数

図のように、二つのLC直列共振回路 A, Bがあり、それぞれの共振周波数が $f_A \text{ [Hz]}$, $f_B \text{ [Hz]}$ である。これら A, B をさらに直列に接続した場合、全体としての共振周波数が $f_{AB} \text{ [Hz]}$ になった。$f_A$, $f_B$ 及び $f_{AB}$ の大小関係として、正しいものを次の(1)~(5)のうちから一つ選べ。
| – | (1) | (2) | (3) | (4) | (5) |
|---|---|---|---|---|---|
| 大小関係 | $f_A < f_B < f_{AB}$ | $f_A < f_{AB} < f_B$ | $f_B < f_{AB} < f_A$ | $f_{AB} < f_A < f_B$ | $f_{AB} < f_B < f_A$ |
解説
正解は(3)です。
LC直列回路の共振周波数 $f$ は、インダクタンス $L$、静電容量 $C$ として次式で表されます。
$$f = \frac{1}{2\pi\sqrt{LC}}$$
図示された回路定数から、回路Aは $L, C$ であり $f_A = \frac{1}{2\pi\sqrt{LC}}$ となります。回路Bは $2L, C$ であり、共振周波数は以下のようになります。
$$f_B = \frac{1}{2\pi\sqrt{2LC}} \approx 0.707 f_A$$
回路Aと回路Bを直列に接続した全体のインダクタンスは $L_{AB} = L + 2L = 3L$、直列合成静電容量は $C_{AB} = \frac{C \cdot C}{C + C} = \frac{C}{2}$ となります。
全体の共振周波数 $f_{AB}$ は次のように計算されます。
$$f_{AB} = \frac{1}{2\pi\sqrt{3L \cdot \frac{C}{2}}} = \frac{1}{2\pi\sqrt{1.5LC}} \approx 0.816 f_A$$
したがって、大小関係は $f_B < f_{AB} < f_A$ となります。

【令和6年度上期・問9】非正弦波交流による電力
次式に示す電圧 $e \text{ [V]}$ 及び電流 $i \text{ [A]}$ による電力の値 $\text{[kW]}$ として、最も近いものを次の(1)~(5)のうちから一つ選べ。
$e = 100 \sin \omega t + 50 \sin \left( 3\omega t – \frac{\pi}{6} \right) \text{ [V]}$
$i = 20 \sin \left( \omega t – \frac{\pi}{6} \right) + 10\sqrt{3} \sin \left( 3\omega t + \frac{\pi}{6} \right) \text{ [A]}$
| – | (1) | (2) | (3) | (4) | (5) |
|---|---|---|---|---|---|
| 電力 $\text{[kW]}$ | 0.95 | 1.08 | 1.16 | 1.29 | 1.34 |
解説
正解は(2)です。
非正弦波交流の有効電力は、各周波数成分(基本波と高調波)ごとの有効電力の和として求められます。
基本波(周波数 $\omega$)
電圧の最大値 $E_{m1} = 100 \text{ [V]}$、位相 $\theta_{v1} = 0$
電流の最大値 $I_{m1} = 20 \text{ [A]}$、位相 $\theta_{i1} = -\frac{\pi}{6}$
第3高調波(周波数 $3\omega$)
電圧の最大値 $E_{m3} = 50 \text{ [V]}$、位相 $\theta_{v3} = -\frac{\pi}{6}$
電流の最大値 $I_{m3} = 10\sqrt{3} \text{ [A]}$、位相 $\theta_{i3} = \frac{\pi}{6}$
各成分の有効電力を計算します。実効値は「最大値 / $\sqrt{2}$」であるため、電力の式は $P = \frac{E_m}{\sqrt{2}} \cdot \frac{I_m}{\sqrt{2}} \cdot \cos(\theta_v – \theta_i) = \frac{E_m I_m}{2} \cos(\theta_v – \theta_i)$ となります。
基本波の電力 $P_1$
$P_1 = \frac{100 \times 20}{2} \cos(0 – (-\frac{\pi}{6})) = 1000 \cos \frac{\pi}{6} = 1000 \times \frac{\sqrt{3}}{2} = 500\sqrt{3} \approx 866.0 \text{ [W]}$
第3高調波の電力 $P_3$
$P_3 = \frac{50 \times 10\sqrt{3}}{2} \cos(-\frac{\pi}{6} – \frac{\pi}{6}) = 250\sqrt{3} \cos(-\frac{\pi}{3}) = 250\sqrt{3} \times \frac{1}{2} = 125\sqrt{3} \approx 216.5 \text{ [W]}$
全有効電力 $P$
$P = P_1 + P_3 = 866.0 + 216.5 = 1082.5 \text{ [W]}$
単位を [kW] に変換します。
$1082.5 / 1000 = 1.0825 \approx 1.08 \text{ [kW]}$

【令和6年度上期・問10】過渡現象の波形

図の回路のスイッチSを $t=0 \text{ s}$ で閉じる。電流 $i_S \text{ [A]}$ の波形として最も適切に表すものを次の(1)~(5)のうちから一つ選べ。
ただし、スイッチSを閉じる直前に、回路は定常状態にあったとする。
解説
正解は(3)です。
① スイッチSが開いた状態で回路が定常状態にあるとき($t < 0$)、直流回路においてコイルは短絡(抵抗0)、コンデンサは開放(断線)とみなせます。
コイルの電流 $i_L(0_-)$: 抵抗 $R_1$ とコイルが直列に接続されているため、$i_L(0_-) = \frac{E}{R_1} \text{ [A]}$ となります。
コンデンサの電圧 $v_C(0_-)$: コンデンサは $R_2$ を介して電源 $E$ と並列になっていますが、電流が流れないため $v_C(0_-) = E \text{ [V]}$ となります。
② $t=0$ でスイッチを閉じると、コイルの電流とコンデンサの電圧は連続性を保とうとします。($t = 0_+$)
コイル: 直前の電流 $\frac{E}{R_1}$ を維持するため、電流源のように振る舞います。
コンデンサ: 直前の電圧 $E$ を維持するため、電圧源のように振る舞います。
このとき、スイッチを流れる電流 $i_S$ は、キルヒホッフの電流則により各枝路に流れる電流の合計となります。
左側の抵抗 $R_1$ 枝路:スイッチによって電源が短絡されるため、この枝路の電流は $i_S$ に影響しません(電源 $E$ からスイッチへ直接流れます)。
中央のコイル枝路:$i_L(0_+) = \frac{E}{R_1}$ が下向きに流れます。
右側のコンデンサ・抵抗 $R_2$ 枝路:コンデンサの電圧 $E$ によって、抵抗 $R_2$ に $i_C(0_+) = \frac{E}{R_2}$ の電流が下向きに流れます。
したがって、スイッチを閉じた直後の電流 $i_S(0_+)$ は以下のようになります。
$i_S(0_+) = \frac{E}{R_1} + \frac{E}{R_2}$
③ スイッチを閉じて十分時間が経過した新しい定常状態($t \to \infty$)では、コイルは再び短絡、コンデンサは開放となります。
コイル枝路:スイッチとコイルが並列になります。電源 $E$ からの電流は抵抗 $R_1$ を通ってスイッチへ流れますが、コイル側には電源から切り離された閉回路(スイッチとコイルのループ)が形成されます。このループには抵抗成分がない(理想的な場合)ため、エネルギーが散逸し、最終的にコイルの電流は $0$ になります。
コンデンサ枝路:コンデンサは抵抗 $R_2$ とスイッチを介して放電しきり、最終的な電圧は $0$、電流も $0$ となります。
よって、十分時間が経過したときのスイッチの電流 $i_S(\infty)$ は、電源 $E$ から抵抗 $R_1$ を通って流れてくる分だけになります。
$i_S(\infty) = \frac{E}{R_1}$
④ 以上の解析から、電流 $i_S$ は以下の特徴を持ちます。
- $t=0$ で最大値 $\frac{E}{R_1} + \frac{E}{R_2}$ をとる。
- 時間の経過とともに減少する。
- $t \to \infty$ で一定値 $\frac{E}{R_1}$ に収束する。
この条件を満たす波形は(3)となります。

【令和6年度上期・問11】バイポーラトランジスタと電界効果トランジスタ(FET)
バイポーラトランジスタと電界効果トランジスタ(FET)に関する記述として,誤っているものを次の(1)~(5)のうちから一つ選べ。
(1) バイポーラトランジスタは,消費電力がFETより大きい。
(2) バイポーラトランジスタは,静電気に対してFETより破壊されにくい。
(3) バイポーラトランジスタの入力インピーダンスは,FETのそれよりも低い。
(4) バイポーラトランジスタは電圧制御素子,FETは電流制御素子といわれる。
(5) バイポーラトランジスタのコレクタ電流は自由電子及び正孔の両方が関与し,FETのドレーン電流は自由電子又は正孔のどちらかが関与する。
解説
正解は(4)です。
バイポーラトランジスタはベース電流によってコレクタ電流を制御する「電流制御素子」です。一方、電界効果トランジスタ(FET)はゲート電圧によってドレーン電流を制御する「電圧制御素子」です。したがって、(4)の記述は逆になっており誤りです。

【令和6年度上期・問12】真空中に置かれた平行電極板間における電子の運動
真空中に置かれた平行電極板間に,直流電圧 $V \text{ [V]}$ を加えて平等電界 $E \text{ [V/m]}$ を作り,この陰極板に電子を置いた場合,初速零で出発した電子が陽極板に到達したときの速さは, $v \text{ [m/s]}$ となった。このときの電子の運動エネルギーは,電子が陽極板に到達するまでに得るエネルギーに等しいと考えられ,次の式が成立する。
$\frac{1}{2}mv^2 =$ (ア)
ただし,電子の電気素量を $e \text{ [C]}$,電子の質量を $m \text{ [kg]}$ とする。
したがって,この式から電子の速さ $v \text{ [m/s]}$ は, (イ) で表される。
上記の記述中の空白箇所(ア)及び(イ)に当てはまる組合せとして,正しいものを次の(1)~(5)のうちから一つ選べ。
| – | (ア) | (イ) |
|---|---|---|
| (1) | $eV$ | $\sqrt{\frac{4eV}{m}}$ |
| (2) | $eV$ | $\sqrt{\frac{2eV}{m}}$ |
| (3) | $2eV$ | $\sqrt{\frac{4eV}{m}}$ |
| (4) | $eE$ | $\sqrt{\frac{2eE}{m}}$ |
| (5) | $eE$ | $\sqrt{\frac{4eE}{m}}$ |
解説
正解は(2)です。
電荷 $-e \text{ [C]}$ の電子を電位差 $V \text{ [V]}$ の電界で移動させたとき、電界が電子に与えるエネルギーは $eV \text{ [J]}$ となります。このエネルギーがすべて電子の運動エネルギーに変換されるため、以下の式が成り立ちます。
$\frac{1}{2}mv^2 = eV$
したがって、(ア)には $eV$ が当てはまります。この式を電子の速さ $v$ について解くと、次のようになります。
$v = \sqrt{\frac{2eV}{m}}$
したがって、(イ)には $\sqrt{\frac{2eV}{m}}$ が当てはまります。

【令和6年度上期・問13】共振回路の等価回路の変換
図1は,静電容量 $C \text{ [F]}$ のコンデンサとコイルからなる共振回路の等価回路である。このようにコイルに内部抵抗 $r [\Omega]$ が存在する場合は,インダクタンス $L \text{ [H]}$ と抵抗 $r [\Omega]$ の直列回路として表すことができる。この直列回路は,コイルの抵抗 $r [\Omega]$ が,誘導性リアクタンス $\omega L [\Omega]$ に比べて十分小さいものとすると,図2のように,等価抵抗 $R_p [\Omega]$ とインダクタンス $L \text{ [H]}$ の並列回路に変換することができる。このときの等価抵抗 $R_p [\Omega]$ の値を表す式として,正しいのは次のうちどれか。
ただし, $I_c \text{ [A]}$ は電流源の電流を表す。
(※回路図は省略)
(1) $\frac{\omega L}{r}$
(2) $\frac{r}{(\omega L)^2}$
(3) $\frac{(\omega L)^2}{r}$
(4) $\frac{r^2}{\omega L}$
(5) $r(\omega L)^2$
解説
正解は(3)です。
図1の等価回路において、コイル部分(インダクタンス $L$ と抵抗 $r$ の直列回路)のアドミタンス $\dot{Y}_1$ は、次のように表されます。
$\dot{Y}_1 = \frac{1}{r + j\omega L} = \frac{r – j\omega L}{r^2 + (\omega L)^2} = \frac{r}{r^2 + (\omega L)^2} – j\frac{\omega L}{r^2 + (\omega L)^2}$
ここで、 $r$ が $\omega L$ に比べて十分小さい( $r \ll \omega L$ )とすると、 $r^2 + (\omega L)^2 \approx (\omega L)^2$ と近似できるため、アドミタンスは次のようになります。
$\dot{Y}_1 \approx \frac{r}{(\omega L)^2} – j\frac{\omega L}{(\omega L)^2} = \frac{r}{(\omega L)^2} – j\frac{1}{\omega L}$
一方、図2の等価回路におけるコイル部分(等価抵抗 $R_p$ とインダクタンス $L$ の並列回路)のアドミタンス $\dot{Y}_2$ は、次のように表されます。
$\dot{Y}_2 = \frac{1}{R_p} – j\frac{1}{\omega L}$
図1と図2の等価回路が電気的に等価であるためには、両者のアドミタンスの実部が等しくなる必要があります。
$\frac{1}{R_p} = \frac{r}{(\omega L)^2}$
これを $R_p$ について解くと、次のようになります。
$R_p = \frac{(\omega L)^2}{r}$

【令和6年度上期・問14】電気計器に関する記述
電気計器に関する記述として,正しいものを次の(1)~(5)のうちから一つ選べ。
(1) クランプメータは,電線に流れる電流による磁界をはかることで電流が測定できるため,磁界が打ち消し合うように電線1本のみをクランプする。
(2) 電子電圧計は,増幅器と可動コイル形計器を組み合わせたもので,内部抵抗が小さく,電圧の測定範囲が数Vから100V程度である。
(3) ホイートストンブリッジは抵抗を精密に測定できる。
(4) 接地抵抗計は,屋内配線や機器などの絶縁抵抗を測定する。
(5) 絶縁抵抗計は,接地電極と大地との間の抵抗を測定する。
解説
正解は(3)です。
各選択肢の解説は以下の通りです。
(1) クランプメータは電線に流れる電流による磁界を測定するものですが、2本以上の電線を同時にクランプすると電流の向きが逆の場合に磁界が打ち消し合ってしまい正しく測定できません。そのため、磁界が打ち消し合わないように電線を1本だけクランプします。問題文の「磁界が打ち消し合うように」という記述が誤りです。
(2) 電圧計は測定対象の回路に並列に接続するため、測定時に計器へ流れ込む電流をできるだけ小さくする必要があります。そのため、電子電圧計の入力抵抗(内部抵抗)は極めて大きく設計されており、「内部抵抗が小さく」という記述は誤りです。
(3) ホイートストンブリッジは、4つの抵抗をブリッジ状に組むことで中程度の抵抗を精密に測定できる回路であり、正しい記述です。
(4) 接地抵抗計は接地電極と大地との間の接地抵抗を測定する計器であり、絶縁抵抗を測定するものではありません。
(5) 絶縁抵抗計は電路や機器の絶縁抵抗を測定する計器であり、接地抵抗を測定するものではありません。

【令和6年度上期・問15】交流回路の素子とエネルギー

図の交流回路において、回路素子は、インダクタンス $L$ のコイル又は静電容量 $C$ のコンデンサである。この回路に正弦波交流電圧 $v = 500 \sin (1000t) \text{ [V]}$ を加え、回路に流れる電流は、 $i = -50 \cos (1000t) \text{ [A]}$ であった。このとき、次の(a)及び(b)の問に答えよ。
(a) 回路素子の値として、最も近いものを次の(1)~(5)のうちから一つ選べ。
| – | (1) | (2) | (3) | (4) | (5) |
|---|---|---|---|---|---|
| 回路素子 | $C = 10 \text{ nF}$ | $C = 100 \text{ nF}$ | $C = 10 \text{ \mu F}$ | $L = 10 \text{ mH}$ | $L = 100 \text{ mH}$ |
(b) この回路素子に蓄えられるエネルギーの最大値 $W_{max}$ の値 $\text{[J]}$ として、最も近いものを次の(1)~(5)のうちから一つ選べ。
ただし、インダクタンスの場合には $\frac{1}{2} L i^2$、静電容量の場合には $\frac{1}{2} C v^2$ のエネルギーが蓄えられるものとする。
| – | (1) | (2) | (3) | (4) | (5) |
|---|---|---|---|---|---|
| エネルギー $\text{[J]}$ | 2.5 | 6.25 | 12.5 | 25 | 125 |
解説
(a) 回路素子の特定と値の算出をします。
瞬時値からフェーザ表示への変換を考えます。与えられた電圧と電流の瞬時値の式から、最大値と位相を取り出します。
電圧:$v = 500 \sin (1000t) \text{ [V]}$
最大値 $V_m = 500 \text{ [V]}$、初期位相 $\theta_v = 0^\circ$ です。これをフェーザ $\dot{V}$ で表すと、実軸方向を基準として次のようになります。
$\dot{V} = \frac{500}{\sqrt{2}} \angle 0^\circ$
次に電流ですが、そのままでは位相が比較しにくいため $\sin$ の形に統一します。三角関数の公式 $-\cos \theta = \sin (\theta – 90^\circ)$ を用います。
電流:$i = -50 \cos (1000t) = 50 \sin (1000t – 90^\circ) \text{ [A]}$
最大値 $I_m = 50 \text{ [A]}$、初期位相 $\theta_i = -90^\circ$ です。これをフェーザ $\dot{I}$ で表します。
$\dot{I} = \frac{50}{\sqrt{2}} \angle -90^\circ$
素子のインピーダンス計算を考えます。オームの法則の複素数版 $\dot{V} = \dot{Z}\dot{I}$ を変形して、インピーダンス $\dot{Z}$ を求めます。フェーザの割り算では、大きさは割り、角度は引きます。
$\dot{Z} = \frac{\dot{V}}{\dot{I}} = \frac{\frac{500}{\sqrt{2}} \angle 0^\circ}{\frac{50}{\sqrt{2}} \angle -90^\circ} = \frac{500}{50} \angle (0^\circ – (-90^\circ)) = 10 \angle 90^\circ [\Omega]$
素子の特をします。インピーダンスの位相が $+90^\circ$ であることは、電圧に対して電流が $90^\circ$ 遅れていることを意味します。この特性を持つのはインダクタンス(コイル)のみです。
複素数表示に直すと、$\dot{Z} = j10 [\Omega]$ となります。
自己インダクタンス $L$ の算出をします。誘導性リアクタンス $X_L$ の式は $X_L = \omega L$ です。
問題の式から角周波数 $\omega = 1000 \text{ [rad/s]}$ なので、
$10 = 1000 \times L$
$L = \frac{10}{1000} = 0.01 \text{ [H]} = 10 \text{ [mH]}$
よって、正解は(4)です。
(b) 蓄えられるエネルギーの最大値を求めます。
コイルに蓄えられるエネルギー $W$ は、流れる電流の瞬時値 $i$ を用いて $W = \frac{1}{2} L i^2$ と定義されます。
最大値の条件、つまりエネルギーが最大になるのは、電流の二乗 $i^2$ が最大、つまり電流の絶対値が最大値 $I_m$ になった瞬間です。
電流の瞬時値の式から、最大値 $I_m$ は $50 \text{ [A]}$ です。
(a)で求めた $L = 10 \text{ mH} = 0.01 \text{ [H]}$ を代入します。
$W_{max} = \frac{1}{2} \times 0.01 \times 50^2$
$W_{max} = \frac{1}{2} \times 0.01 \times 2500$
$W_{max} = \frac{1}{2} \times 25$
$W_{max} = 12.5 \text{ [J]}$
よって、正解は(3)です。

【令和6年度上期・問16】直流電流の測定範囲の拡大
直流電流の測定範囲の拡大について、次の(a)及び(b)の問に答えよ。
(a) 直流電流計Iの最大目盛は $100 \text{ A}$、直流電流計IIの最大目盛は $50 \text{ A}$、直流電流計IIIの最大目盛は $50 \text{ A}$ である。この3台の直流電流計を並列に接続し、ある回路に接続したところ、直流電流計Iの指示値は $90 \text{ A}$、直流電流計IIの指示値は $40 \text{ A}$、直流電流計IIIの指示値は $35 \text{ A}$ であった。この接続において計測できる最大電流の値 $\text{[A]}$ として、最も近いものを次の(1)~(5)のうちから一つ選べ。
| – | (1) | (2) | (3) | (4) | (5) |
|---|---|---|---|---|---|
| 最大電流 $\text{[A]}$ | 100 | 144 | 165 | 183 | 200 |
(b) 次に、直流電流計I、直流電流計II、直流電流計IIIの3台を並列に接続した状態で、別の回路に接続した。この回路を流れる電流の値は $150 \text{ A}$ であった。このとき、各電流計が指示した値は、直流電流計I = (ア) A、直流電流計II = (イ) A、直流電流計III = (ウ) Aであった。
上記の記述中の空白箇所(ア)~(ウ)に当てはまる最も近い数値の組合せとして、正しいものを次の(1)~(5)のうちから一つ選べ。
| – | (ア) | (イ) | (ウ) |
|---|---|---|---|
| (1) | 31.8 | 36.4 | 81.8 |
| (2) | 31.8 | 81.8 | 36.4 |
| (3) | 36.4 | 31.8 | 81.8 |
| (4) | 81.8 | 31.8 | 36.4 |
| (5) | 81.8 | 36.4 | 31.8 |
解説
(a) 正解は(4)です。
電流計は並列接続されているため、各計器にはそれぞれの内部抵抗に反比例して電流が流れます。流れる電流の比は、 $I_1 : I_2 : I_3 = 90 : 40 : 35 = 18 : 8 : 7$ となります。
各電流計が最大目盛に達したときの全電流を計算し、最も早く上限に達するものが計測できる最大電流となります。
電流計Iが $100 \text{ A}$ に達したとき、
$$I_{max} = 100 \times \frac{18 + 8 + 7}{18} = 100 \times \frac{33}{18} \approx 183.3 \text{ [A]}$$
電流計IIが $50 \text{ A}$ に達したときは約 $206.3 \text{ A}$、電流計IIIが $50 \text{ A}$ に達したときは約 $235.7 \text{ A}$ となるため、最小の $183.3 \text{ A}$ が計測の上限です。
(b) 正解は(5)です。
全電流が $150 \text{ A}$ のとき、各電流計の指示値は先ほどの電流比に比例して分配されます。
$$I_1 = 150 \times \frac{18}{33} = 150 \times \frac{6}{11} \approx 81.8 \text{ [A]}$$
$$I_2 = 150 \times \frac{8}{33} \approx 36.4 \text{ [A]}$$
$$I_3 = 150 \times \frac{7}{33} \approx 31.8 \text{ [A]}$$

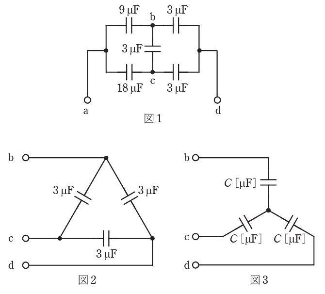
【令和6年度上期・問17】コンデンサのY-Δ変換と合成静電容量

図1の端子a-d間の合成静電容量について、次の(a)及び(b)の問に答えよ。
(a) 端子b-c-d間は図2のように $\Delta$ 結線で接続されている。これを図3のようにY結線に変換したとき、電気的に等価となるコンデンサ $C$ の値 $[\mu F]$ として、最も近いものを次の(1)~(5)のうちから一つ選べ。
| – | (1) | (2) | (3) | (4) | (5) |
|---|---|---|---|---|---|
| $C [\mu F]$ | 1.0 | 2.0 | 4.5 | 6.0 | 9.0 |
(b) 図3を用いて、図1の端子b-c-d間をY結線回路に変換したとき、図1の端子 a-d間の合成静電容量 $C$ の値 $[\mu F]$ として、最も近いものを次の(1)~(5)のうちから一つ選べ。
| – | (1) | (2) | (3) | (4) | (5) |
|---|---|---|---|---|---|
| 合成静電容量 $C [\mu F]$ | 3.0 | 4.5 | 4.8 | 6.0 | 9.0 |
解説
(a)の解説
図2のデルタ結線を図3のスター結線に変換します。コンデンサのデルタ・スター変換において、各辺の静電容量がすべて等しい場合、変換後のスター結線の各静電容量 $C_Y$ は、元のデルタ結線の各静電容量 $C_\Delta$ の3倍になります。
$$C_Y = 3 C_\Delta$$
問題文の条件より $C_\Delta = 3.0 \mu F$ なので、変換後の静電容量 $C$ は以下のようになります。
$$C = 3 \times 3.0 = 9.0 \mu F$$
したがって、正解は(5)です。
(b)の解説
図1のデルタ結線部分を(a)で求めたスター結線に置き換えて計算します。スター結線の中性点をnとすると、端子aから中性点nまでの間には、二つの直列回路が並列に接続された構造が現れます。
一つ目の経路は端子a-b間の $12 \mu F$ と端子b-n間の $9.0 \mu F$ が直列になったもので、その合成容量 $C_1$ は以下の通りです。
$$C_1 = \frac{12 \times 9.0}{12 + 9.0} = \frac{108}{21} \approx 5.143 \mu F$$
二つ目の経路も同様に端子a-c間の $12 \mu F$ と端子c-n間の $9.0 \mu F$ が直列になったもので、その合成容量 $C_2$ も $5.143 \mu F$ となります。これら二つの経路は並列に接続されているため、端子aから中性点nまでの合成容量 $C_{an}$ は、それぞれの和となります。
$$C_{an} = 5.143 + 5.143 = 10.286 \mu F$$
最後に、この $C_{an}$ と、中性点nから端子dに向かうスター結線の残り一辺である $9.0 \mu F$ のコンデンサが直列に接続されます。全体の合成静電容量 $C_{ad}$ は以下の計算で求められます。
$$C_{ad} = \frac{10.286 \times 9.0}{10.286 + 9.0} = \frac{92.574}{19.286} \approx 4.8 \mu F$$
したがって、正解は(3)となります。
-160x90.jpg)
【令和6年度上期・問18】アナログ変調・復調回路

無線通信で行われるアナログ変調・復調に関する記述について、次の(a)及び(b)の問に答えよ。
(a) 無線通信で音声や画像などの情報を送る場合、送信側においては、情報を電気信号(信号波)に変換する。次に信号波より (ア) 周波数の搬送波に信号波を含ませて得られる信号を送信する。受信側では、搬送波と信号波の二つの成分を含むこの信号から (イ) の成分だけを取り出すことによって、音声や画像などの情報を得る。
搬送波に信号波を含ませる操作を変調という。(ウ) の搬送波を用いる基本的な変調方式として、振幅変調(AM)、周波数変調(FM)、位相変調(PM)がある。
搬送波を変調して得られる信号からもとの信号波を取り出す操作を復調又は (エ) という。
上記の記述中の空白箇所(ア)~(エ)に当てはまる組合せとして、正しいものを次の(1)~(5)のうちから一つ選べ。
| – | (ア) | (イ) | (ウ) | (エ) |
|---|---|---|---|---|
| (1) | 高い | 信号波 | 三角波 | 検波 |
| (2) | 高い | 信号波 | 正弦波 | 検波 |
| (3) | 高い | 搬送波 | 三角波 | 增幅 |
| (4) | 低い | 信号波 | 三角波 | 增幅 |
| (5) | 低い | 搬送波 | 正弦波 | 検波 |
(b) 図1は、トランジスタの (ア) に信号波の電圧を加えて振幅変調を行う回路の原理図である。電圧 $v_1$, $v_2$, $v_3$ の波形を同時に計測したところ図2のいずれかであった。このとき、電圧 $v_1$ の波形は (イ)、 $v_2$ の波形は (ウ)、 $v_3$ の波形は (エ) である。図2のグラフより振幅変調の変調率を計算すると約 (オ) %となる。
上記の記述中の空白箇所(ア)~(オ)に当てはまる組合せとして、正しいものを次の(1)~(5)のうちから一つ選べ。
| – | (ア) | (イ) | (ウ) | (エ) | (オ) |
|---|---|---|---|---|---|
| (1) | コレクタ | 図2(c) | 図2(a) | 図2(b) | 33 |
| (2) | コレクタ | 図2(c) | 図2(b) | 図2(a) | 67 |
| (3) | ベース | 図2(b) | 図2(a) | 図2(c) | 50 |
| (4) | エミッタ | 図2(b) | 図2(c) | 図2(a) | 67 |
| (5) | ベース | 図2(c) | 図2(a) | 図2(b) | 33 |
解説
(a) 正解は(2)です。
無線通信では、信号波よりも(ア)高い周波数の搬送波を用いて送信します。受信側では、元の情報である(イ)信号波の成分を取り出します。アナログ変調では一般的に(ウ)正弦波の搬送波が用いられ、受信側で元の信号波を取り出す操作を復調又は(エ)検波と呼びます。
(b) 正解は(5)です。
振幅変調回路では、トランジスタの(ア)ベースに信号波を入力して変調を行うのが一般的です。電圧波形として、 $v_1$ は情報を含む低周波の信号波(イ)図2(c)、 $v_2$ は高周波の搬送波(ウ)図2(a)、 $v_3$ は振幅変調された変調波(エ)図2(b) に対応します。
変調率 $m$ は、変調波の最大振幅 $A_{max}$ と最小振幅 $A_{min}$ を用いて、 $m = \frac{A_{max} – A_{min}}{A_{max} + A_{min}} \times 100 \text{ [\%]}$ で求められます。グラフから読み取れる最大値と最小値の比率より、変調率は約(オ)33%となります。

関連コンテンツ




コメント