令和5年度上期に電験3種(法規分野)で出題された過去問題を解説付きでまとめています。
【問1】主任技術者に関する記述
次のa)~c)の文章は、主任技術者に関する記述である。
その記述内容として、「電気事業法」に基づき、適切なものと不適切なものの組合せについて、正しいものを次の(1)から(5)のうちから一つ選べ。
a)事業用電気工作物(小規模事業用電気工作物を除く。以下同じ。)を設置する者は、事業用電気工作物の工事、維持及び運用に関する保安の監督をさせるため、主務省令で定めるところにより、主任技術者免状の交付を受けている者のうちから、主任技術者を選任しなければならない。
b)主任技術者は、事業用電気工作物の工事、維持及び運用に関する保安の監督の職務を誠実に行わなければならない。
c)事業用電気工作物の工事、維持又は運用に従事する者は、主任技術者がその保安のためにする指示に従わなければならない。
| – | a) | b) | c) |
|---|---|---|---|
| (1) | 不適切 | 適切 | 適切 |
| (2) | 不適切 | 不適切 | 適切 |
| (3) | 適切 | 不適切 | 不適切 |
| (4) | 適切 | 適切 | 適切 |
| (5) | 適切 | 適切 | 不適切 |
解説
正解は(4)です。
問題文の記述は、すべて「電気事業法」の条文に基づいています。
a)は、電気事業法 第43条第1項にて「事業用電気工作物(小規模事業用電気工作物を除く。以下この項、次項及び次条第一項において同じ。)を設置する者は、事業用電気工作物の工事、維持及び運用に関する保安の監督をさせるため、主務省令で定めるところにより、主任技術者免状の交付を受けている者のうちから、主任技術者を選任しなければならない。」と規定されており、適切です。
b)は、電気事業法 第43条第4項にて「主任技術者は、事業用電気工作物の工事、維持及び運用に関する保安の監督の職務を誠実に行わなければならない。」と規定されており、適切です。
c)は、電気事業法 第43条第5項にて「事業用電気工作物の工事、維持又は運用に従事する者は、主任技術者がその保安のためにする指示に従わなければならない。」と規定されており、適切です。

【問2】事故の定義及び事故報告
次の文章は,「電気関係報告規則」に基づく事故の定義及び事故報告に関する記述である。
a) 「電気火災事故」とは,漏電,短絡,(ア),その他の電気的要因により建造物,車両その他の工作物(電気工作物を除く。),山林等に火災が発生することをいう。
b) 「破損事故」とは,電気工作物の変形,損傷若しくは破壊,火災又は絶縁劣化若しくは絶縁破壊が原因で,当該電気工作物の機能が低下又は喪失したことにより,(イ),その運転が停止し,若しくはその運転を停止しなければならなくなること又はその使用が不可能となり,若しくはその使用を中止することをいう。
c) 「供給支障事故」とは,破損事故又は電気工作物の誤(ウ)若しくは電気工作物を (ウ)しないことにより電気の使用者(当該電気工作物を管理する者を除く。)に対し,電気の供給が停止し,又は電気の使用を緊急に制限することをいう。ただし,電路が自動的に再閉路されることにより電気の供給の停止が終了した場合を除く。
d) 感電により人が病院(エ)した場合は事故報告をしなければならない。
上記の記述中の空白箇所(ア)~(エ)に当てはまる組合せとして,正しいものを次の(1)~(5)のうちから一つ選べ。
| – | (ア) | (イ) | (ウ) | (エ) |
|---|---|---|---|---|
| (1) | せん絡 | 直ちに | 停止 | で治療 |
| (2) | 絶縁低下 | 制御できず | 操作 | に入院 |
| (3) | せん絡 | 制御できず | 停止 | で治療 |
| (4) | せん絡 | 直ちに | 操作 | に入院 |
| (5) | 絶縁低下 | 制御できず | 停止 | で治療 |
解説
正解は(4)です。
問題文の記述は,「電気関係報告規則」が根拠となっています。それぞれの条文の記載は以下の通りです。
a) は,電気関係報告規則 第1条第2項第4号にて,「「電気火災事故」とは、漏電、短絡、せん絡その他の電気的要因により建造物、車両その他の工作物(電気工作物を除く。)、山林等に火災が発生することをいう。」と規定されています。
b) は,電気関係報告規則 第1条第2項第5号にて,「「破損事故」とは、電気工作物の変形、損傷若しくは破壊、火災又は絶縁劣化若しくは絶縁破壊が原因で、当該電気工作物の機能が低下又は喪失したことにより、直ちに、その運転が停止し、若しくはその運転を停止しなければならなくなること又はその使用が不可能となり、若しくはその使用を中止することをいう。」と規定されています。
c) は,電気関係報告規則 第1条第2項第7号にて,「「供給支障事故」とは、破損事故又は電気工作物の誤操作若しくは電気工作物を操作しないことにより電気の使用者(当該電気工作物を管理する者を除く。以下この条において同じ。)に対し、電気の供給が停止し、又は電気の使用を緊急に制限することをいう。ただし、電路が自動的に再閉路されることにより電気の供給の停止が終了した場合を除く。」と規定されています。
d) は,電気関係報告規則 第3条第1項の表 第1号にて,報告が必要な事故として「感電又は電気工作物の破損若しくは電気工作物の誤操作若しくは電気工作物を操作しないことにより人が死傷した事故(死亡又は病院若しくは診療所に入院した場合に限る。)」と規定されています。
これら条文の規定により,(ア)には「せん絡」,(イ)には「直ちに」,(ウ)には「操作」,(エ)には「に入院」が入るのが正しい内容となります。

【問3】過電流からの電線及び電気機械器具の保護対策
「電気設備技術基準」では、過電流からの電線及び電気機械器具の保護対策について、次のように規定している。
(ア)の必要な箇所には、過電流による(イ)から電線及び電気機械器具を保護し、かつ、(ウ)の発生を防止できるよう、過電流遮断器を施設しなければならない。
上記の記述中の空白箇所(ア)から(ウ)に当てはまる組合せとして、正しいものを次の(1)から(5)のうちから一つ選べ。
| – | (ア) | (イ) | (ウ) |
|---|---|---|---|
| (1) | 幹線 | 過熱焼損 | 感電事故 |
| (2) | 配線 | 温度上昇 | 感電事故 |
| (3) | 電路 | 電磁力 | 変形 |
| (4) | 配線 | 温度上昇 | 火災 |
| (5) | 電路 | 過熱焼損 | 火災 |
解説
正解は(5)です。
問題文の記述は、電気設備に関する技術基準を定める省令 第14条(過電流からの電線及び電気機械器具の保護対策)が根拠となっています。
同条文には、「電路の必要な箇所には、過電流による過熱焼損から電線及び電気機械器具を保護し、かつ、火災の発生を防止できるよう、過電流遮断器を施設しなければならない。」と規定されています。
これにより、(ア)には「電路」、(イ)には「過熱焼損」、(ウ)には「火災」が入ります。

【問4】太陽電池モジュールの絶縁性能
次の文章は、「電気設備技術基準の解釈」に基づく太陽電池モジュールの絶縁性能に関する記述の一部である。
太陽電池モジュールは、最大使用電圧の1.5倍の直流電圧又は(ア)倍の交流電圧((イ)V未満となる場合は、(イ)V)を充電部分と大地との間に連続して(ウ)分間加えたとき、これに耐える性能を有すること。
上記の記述中の空白箇所(ア)から(ウ)に当てはまる組合せとして、正しいものを次の(1)から(5)のうちから一つ選べ。
| – | (ア) | (イ) | (ウ) |
|---|---|---|---|
| (1) | 1 | 500 | 10 |
| (2) | 1 | 300 | 10 |
| (3) | 1.1 | 500 | 1 |
| (4) | 1.1 | 600 | 1 |
| (5) | 1.1 | 300 | 1 |
解説
正解は(1)です。
問題文の記述は、電気設備の技術基準の解釈 第16条第5項第1号(太陽電池モジュールの絶縁性能)が根拠となっています。
同条文には、「太陽電池モジュールは、最大使用電圧の1.5倍の直流電圧又は1倍の交流電圧(500V未満となる場合は、500V)を充電部分と大地との間に連続して10分間加えたとき、これに耐える性能を有すること。」と規定されています。
これにより、(ア)には「1」、(イ)には「500」、(ウ)には「10」が入ります。

【問5】支持物の倒壊の防止
次の文章は、「電気設備技術基準」に基づく支持物の倒壊の防止に関する記述の一部である。
架空電線路又は架空電車線路の支持物の材料及び構造(支線を施設する場合は、当該支線に係るものを含む。)は、その支持物が支持する電線等による(ア)、10分間平均で風速(イ)m/sの風圧荷重及び当該設置場所において通常想定される(ウ)の変化、振動、衝撃その他の外部環境の影響を考慮し、倒壊のおそれがないよう、安全なものでなければならない。ただし、人家が多く連なっている場所に施設する架空電線路にあっては、その施設場所を考慮して施設する場合は、10分間平均で風速(イ)m/sの風圧荷重の(エ)の風圧荷重を考慮して施設することができる。
上記の記述中の空白箇所(ア)から(エ)に当てはまる組合せとして、正しいものを次の(1)から(5)のうちから一つ選べ。
| – | (ア) | (イ) | (ウ) | (エ) |
|---|---|---|---|---|
| (1) | 引張荷重 | 60 | 温度 | 3分の2 |
| (2) | 重量荷重 | 60 | 気象 | 3分の2 |
| (3) | 引張荷重 | 40 | 気象 | 2分の1 |
| (4) | 重量荷重 | 60 | 温度 | 2分の1 |
| (5) | 重量荷重 | 40 | 気象 | 2分の1 |
解説
正解は(3)です。
問題文の記述は、電気設備に関する技術基準を定める省令 第32条第1項(支持物の倒壊の防止)が根拠となっています。
同条文には、「架空電線路又は架空電車線路の支持物の材料及び構造(支線を施設する場合は、当該支線に係るものを含む。)は、その支持物が支持する電線等による引張荷重、十分間平均で風速四十メートル毎秒の風圧荷重及び当該設置場所において通常想定される気象の変化、振動、衝撃その他の外部環境の影響を考慮し、倒壊のおそれがないよう、安全なものでなければならない。ただし、人家が多く連なつている場所に施設する架空電線路にあつては、その施設場所を考慮して施設する場合は、十分間平均で風速四十メートル毎秒の風圧荷重の二分の一の風圧荷重を考慮して施設することができる。」と規定されています。
これにより、(ア)には「引張荷重」、(イ)には「40」、(ウ)には「気象」、(エ)には「2分の1」が入ります。

【問6】地中電線と他の地中電線等との接近又は交差
次の文章は、「電気設備技術基準の解釈」における地中電線と他の地中電線等との接近又は交差に関する記述の一部である。
低圧地中電線と高圧地中電線とが接近又は交差する場合、又は低圧若しくは高圧の地中電線と特別高圧地中電線とが接近又は交差する場合は、次のいずれかによること。ただし、地中箱内についてはこの限りでない。
a)地中電線相互の離隔距離が、次に規定する値以上であること。
① 低圧地中電線と高圧地中電線との離隔距離は、(ア)m
② 低圧又は高圧の地中電線と特別高圧地中電線との離隔距離は、(イ)m
b)地中電線相互の間に堅ろうな(ウ)の隔壁を設けること。
c)(エ)の地中電線が、次のいずれかに該当するものである場合は、地中電線相互の離隔距離が0m以上であること。
① 不燃性の被覆を有すること。
② 堅ろうな不燃性の管に収められていること。
d)(オ)の地中電線が、次のいずれかに該当するものである場合は、地中電線相互の離隔距離が0m以上であること。
① 自消性のある難燃性の被覆を有すること。
② 堅ろうな自消性のある難燃性の管に収められていること。
上記の記述中の空白箇所(ア)から(オ)に当てはまる組合せとして、正しいものを次の(1)から(5)のうちから一つ選べ。
| – | (ア) | (イ) | (ウ) | (エ) | (オ) |
|---|---|---|---|---|---|
| (1) | 0.15 | 0.3 | 耐火性 | いずれか | それぞれ |
| (2) | 0.15 | 0.3 | いずれか | 耐火性 | それぞれ |
| (3) | 0.1 | 0.2 | 耐圧性 | いずれか | それぞれ |
| (4) | 0.1 | 0.2 | いずれか | 耐圧性 | それぞれ |
| (5) | 0.1 | 0.3 | 耐火性 | いずれか | それぞれ |
解説
正解は(1)です。
問題文の記述は、電気設備の技術基準の解釈 第125条第1項(地中電線と他の地中電線等との接近又は交差)が根拠となっています。
それぞれの条項の規定は以下の通りです。
a)は、第1項第一号にて「低圧地中電線と高圧地中電線との離隔距離は、0.15m以上、低圧又は高圧の地中電線と特別高圧地中電線との離隔距離は、0.3m以上であること。」と規定されています。
b)は、第1項第二号にて「地中電線相互の間に、耐火性の堅ろうな隔壁を設けること。」と規定されています。
c)は、第1項第三号にて「いずれかの地中電線が、次のいずれかに該当するものであること。 イ 不燃性の被覆を有すること。 ロ 堅ろうな不燃性の管に収められていること。」と規定されています。
d)は、第1項第四号にて「それぞれの地中電線が、次のいずれかに該当するものであること。 イ 自消性のある難燃性の被覆を有すること。 ロ 堅ろうな自消性のある難燃性の管に収められていること。」と規定されています。
これらにより、(ア)には「0.15」、(イ)には「0.3」、(ウ)には「耐火性」、(エ)には「いずれか」、(オ)には「それぞれ」が入ります。

【問7】分散型電源の低圧連系時及び高圧連系時の施設要件
次の文章は、「電気設備技術基準の解釈」における分散型電源の低圧連系時及び高圧連系時の施設要件に関する記述である。
a)単相3線式の低圧の電力系統に分散型電源を連系する場合において、(ア)の不平衡により中性線に最大電流が生じるおそれがあるときは、分散型電源を施設した構内の電路であって、負荷及び分散型電源の並列点よりも(イ)に、3極に過電流引き外し素子を有する遮断器を施設すること。
b)低圧の電力系統に逆変換装置を用いずに分散型電源を連系する場合は、(ウ)を生じさせないこと。ただし、逆変換装置を用いて分散型電源を連系する場合と同等の単独運転検出及び解列ができる場合は、この限りではない。
c)高圧の電力系統に分散型電源を連系する場合は、分散型電源を連系する配電用変電所の(エ)において、逆向きの潮流を生じさせないこと。ただし、当該配電用変電所に保護装置を施設する等の方法により分散型電源と電力系統との協調をとることができる場合は、この限りではない。
上記の記述中の空白箇所(ア)から(エ)に当てはまる組合せとして、正しいものを次の(1)から(5)のうちから一つ選べ。
| – | (ア) | (イ) | (ウ) | (エ) |
|---|---|---|---|---|
| (1) | 負荷 | 系統側 | 逆潮流 | 配電用変圧器 |
| (2) | 負荷 | 負荷側 | 逆潮流 | 引出口 |
| (3) | 負荷 | 系統側 | 逆充電 | 配電用変圧器 |
| (4) | 電源 | 負荷側 | 逆充電 | 引出口 |
| (5) | 電源 | 系統側 | 逆潮流 | 配電用変圧器 |
解説
正解は(1)です。
問題文の記述は、「電気設備の技術基準の解釈」の第8章 分散型電源の系統連系設備が根拠となっています。
a)は、電気設備の技術基準の解釈 第226条第1項にて「単相3線式の低圧の電力系統に分散型電源を連系する場合において、負荷の不平衡により中性線に最大電流が生じるおそれがあるときは、分散型電源を施設した構内の電路であって、負荷及び分散型電源の並列点よりも系統側に、3極に過電流引き外し素子を有する遮断器を施設すること。」と規定されています。
b)は、電気設備の技術基準の解釈 第228条第1項にて「低圧の電力系統に逆変換装置を用いずに分散型電源を連系する場合は、逆潮流を生じさせないこと。」と規定されています。
c)は、電気設備の技術基準の解釈 第230条第1項にて「高圧の電力系統に分散型電源を連系する場合は、分散型電源を連系する配電用変電所の配電用変圧器において、逆向きの潮流を生じさせないこと。」と規定されています。
これらにより、(ア)には「負荷」、(イ)には「系統側」、(ウ)には「逆潮流」、(エ)には「配電用変圧器」が入ります。

【問8】電気使用場所での配線の使用電線
次の文章は、「電気設備技術基準」における、電気使用場所での配線の使用電線に関する記述である。
a)配線の使用電線((ア)及び特別高圧で使用する(イ)を除く。)には、感電又は火災のおそれがないよう、施設場所の状況及び(ウ)に応じ、使用上十分な強度及び絶縁性能を有するものでなければならない。
b)配線には、(ア)を使用してはならない。ただし、施設場所の状況及び(ウ)に応じ、使用上十分な強度を有し、かつ、絶縁性がないことを考慮して、配線が感電又は火災のおそれがないように施設する場合は、この限りでない。
c)特別高圧の配線には、(イ)を使用してはならない。
上記の記述中の空白箇所(ア)から(ウ)に当てはまる組合せとして、正しいものを次の(1)から(5)のうちから一つ選べ。
| – | (ア) | (イ) | (ウ) |
|---|---|---|---|
| (1) | 接触電線 | 移動電線 | 施設方法 |
| (2) | 接触電線 | 裸電線 | 使用目的 |
| (3) | 接触電線 | 裸電線 | 電圧 |
| (4) | 裸電線 | 接触電線 | 使用目的 |
| (5) | 裸電線 | 接触電線 | 電圧 |
解説
正解は(5)です。
問題文の記述は、電気設備に関する技術基準を定める省令 第57条(配線の使用電線)が根拠となっています。
それぞれの条項の規定は以下の通りです。
a)は、第1項にて「配線の使用電線(裸電線及び特別高圧で使用する接触電線を除く。)には、感電又は火災のおそれがないよう、施設場所の状況及び電圧に応じ、使用上十分な強度及び絶縁性能を有するものでなければならない。」と規定されています。
b)は、第2項にて「配線には、裸電線を使用してはならない。ただし、施設場所の状況及び電圧に応じ、使用上十分な強度を有し、かつ、絶縁性がないことを考慮して、配線が感電又は火災のおそれがないように施設する場合は、この限りでない。」と規定されています。
c)は、第3項にて「特別高圧の配線には、接触電線を使用してはならない。」と規定されています。
これらにより、(ア)には「裸電線」、(イ)には「接触電線」、(ウ)には「電圧」が入ります。

【問9】屋内電路の対地電圧の制限
次の文章は、「電気設備技術基準の解釈」に基づく住宅及び住宅以外の場所の屋内電路(電気機械器具内の電路を除く。以下同じ)の対地電圧の制限に関する記述として、誤っているものを次の(1)から(5)のうちから一つ選べ。
(1) 住宅の屋内電路の対地電圧を150V以下とすること。
(2) 住宅と店舗、事務所、工場等が同一建造物内にある場合であって、当該住宅以外の場所に電気を供給するための屋内配線を人が触れるおそれがない隠ぺい場所に金属管工事により施設し、その対地電圧を400V以下とすること。
(3) 住宅に設置する太陽電池モジュールに接続する負荷側の屋内配線を次により施設し、その対地電圧を直流450V以下とすること。
・電路に地絡が生じたときに自動的に電路を遮断する装置を施設する。
・屋内配線は、人が触れるおそれがない隠ぺい場所に合成樹脂管工事、金属管工事又はケーブル工事により施設する。
(4) 住宅以外の場所の屋内電路に、定格消費電力が2kWの業務用の電気温風機に電気を供給するための屋内配線を簡易接触防護措置を施して施設し、その対地電圧を300V以下とすること。
(5) 住宅以外の場所の屋内電路に、定格消費電力が1.5kWの業務用の衣類乾燥機に電気を供給するための屋内配線を簡易接触防護措置を施して施設し、その対地電圧を300V以下とすること。
解説
正解は(2)です。
問題文の記述は、電気設備の技術基準の解釈 第143条(電路の対地電圧の制限)が根拠となっています。
(1) は、第143条第1項の原則通りであり適切です。
(2) は、第143条第1項第一号にて、住宅と店舗等が同一建造物内にある場合の特例が定められていますが、その条件として「対地電圧を300V以下とすること」と規定されています。したがって、400V以下とする記述は誤りです。
(3) は、第143条第1項第四号の規定に適合しており適切です。
(4) 及び (5) は、第143条第2項の規定により、住宅以外の場所であって「対地電圧を300V以下」とする場合の要件(簡易接触防護措置など)を満たしており適切です。

【問10】最大需要電力の管理
電力の需要を管理している工場がある。この工場の電力の使用状況は、図のように、9時00分から9時20分まで310kWで一定であった。
この工場では日頃から最大需要電力(正時からの30分間ごとの平均使用電力のことをいう。以下同じ。)を300kW未満に抑えるように負荷を管理しているが、その負荷の中で、換気用のファン(全て5.5kW)は最大8台まで停止する運用を行っている。この日9時00分からファンは10台運転しているが、このままだと9時00分からの最大需要電力が300kW以上になりそうなので、9時20分から9時30分の間、ファンを何台かと、その他の負荷を10kW分だけ停止することにした。ファンは最低何台停止させる必要があるか、次の(1)から(5)のうちから一つ選べ。なお、この工場の負荷は全て管理されており、負荷の増減は無いものとする。

(1) 0
(2) 2
(3) 4
(4) 6
(5) 8
解説
正解は(3)です。
最大需要電力は、30分間の平均使用電力です。9時00分から9時30分までの平均電力を $P_{avg}$ [kW]、停止するファンの台数を $n$ [台]とします。
9時00分から9時20分までの20分間の電力は310 [kW] で一定です。
9時20分から9時30分までの10分間の電力は、元の310 [kW] から、ファン $n$ 台分($5.5 \times n$ [kW])と、その他の負荷10 [kW] を停止した値となります。
30分間の平均電力が300 [kW] 未満となる条件は以下の通りです。
$$ \frac{310 \times 20 + {310 – (5.5 \times n + 10)} \times 10}{30} < 300 $$
この不等式を解きます。
$$ 6200 + 3000 – 55n < 9000 $$
$$ 9200 – 55n < 9000 $$
$$ 55n > 200 $$
$$ n > 3.63… $$
$n$ は整数であるため、最低限必要な停止台数は4台となります。

【問11】事業所内の負荷曲線と需要率、負荷率
ある事業所内におけるA工場及びB工場の、それぞれのある日の負荷曲線は図のようであった。それぞれの工場の設備容量が、A工場では400kW、B工場では700kWであるとき、次の(a)及び(b)の問に答えよ。

(a) A工場及びB工場を合わせた需要率の値[%]として、最も近いものを次の(1)から(5)のうちから一つ選べ。
(1) 54.5
(2) 56.8
(3) 63.6
(4) 89.3
(5) 90.4
(b) A工場及びB工場を合わせた総合負荷率の値[%]として、最も近いものを次の(1)から(5)のうちから一つ選べ。
(1) 56.8
(2) 63.6
(3) 78.1
(4) 89.3
(5) 91.6
解説
(a)の正解は(3)、(b)の正解は(4)です。
(a) A工場とB工場の合成最大需要電力を求めます。
図の負荷曲線より、時間帯ごとの合計需要電力は以下の通りです。
・0時~6時: $100 + 200 = 300$ [kW]
・6時~12時: $400 + 300 = 700$ [kW]
・12時~18時: $300 + 600 = 900$ [kW]
・18時~24時: $200 + 400 = 600$ [kW]
よって、合成最大需要電力 $P_{max}$ は900 [kW] です。
設備容量の合計は $400 + 700 = 1100$ [kW] です。
需要率は以下の式で求められます。
$$ \text{需要率} = \frac{\text{最大需要電力}}{\text{設備容量}} \times 100 = \frac{900}{1100} \times 100 \fallingdotseq 81.8 \text{ [\%]} $$
(b) 合計の1日の消費電力量(平均電力)を求めます。
一日の総電力量 $W$ は、
$$ W = 300 \times 6 + 700 \times 6 + 900 \times 6 + 600 \times 6 = 15000 \text{ [kWh]} $$
平均電力 $P_{avg}$ は、
$$ P_{avg} = \frac{15000}{24} = 625 \text{ [kW]} $$
負荷率は以下の式で求められます。
$$ \text{負荷率} = \frac{\text{平均電力}}{\text{最大電力}} \times 100 = \frac{625}{700} \times 100 \fallingdotseq 89.3 \text{ [\%]} $$
よって、(4)が正解となります。

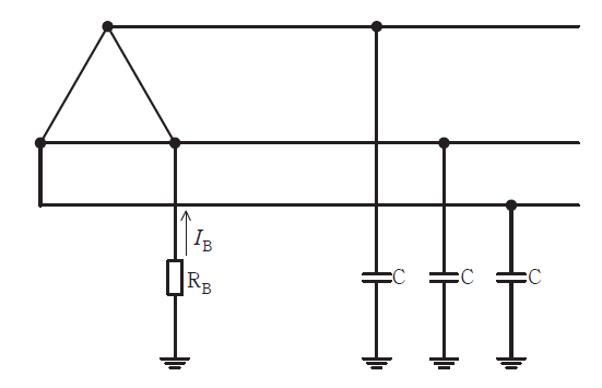
【問12】変圧器のB種接地抵抗と漏えい電流
変圧器によって高圧電路に結合されている低圧電路に施設された、対地静電容量を有する単相2線式の低圧電路がある。この低圧電路に施設された変圧器のB種接地抵抗値及び低圧電路と大地との間の絶縁性能に関して、次の(a)及び(b)の問に答えよ。
ただし、次の条件によるものとする。
(ア) 変圧器の高圧側電路の1線地絡電流は5Aとする。
(イ) 高圧側電路と低圧側電路との混触時に低圧電路の対地電圧が150Vを超えた場合は1.3秒で自動的に高圧電路を遮断する装置が設けられているものとする。

(a) 変圧器に施された、接地抵抗 $R_{B}$ の抵抗値について「電気設備技術基準の解釈」で許容されている上限の抵抗値[Ω]として、最も近いものを次の(1)から(5)のうちから一つ選べ。
(1) 20
(2) 30
(3) 40
(4) 60
(5) 100
(b) 接地抵抗 $R_{B}$ の抵抗値を100Ωとしたときに、$R_{B}$ に常時流れる電流 $I_{B}$ の値[mA]として、最も近いものを次の(1)から(5)のうちから一つ選べ。
ただし、記載以外のインピーダンスは無視するものとする。
(1) 11
(2) 19
(3) 33
(4) 65
(5) 192
解説
(a)の正解は(4)、(b)の正解は(1)です。
(a) B種接地工事の接地抵抗値 $R_{B}$ の上限は、電気設備の技術基準の解釈 第17条第2項第1号(17-1表)の規定に基づきます。
問題文の条件(1秒を超え2秒以内に自動遮断する装置がある場合)では、接地抵抗値の上限は次式で求められます。
$$ R_{B} = \frac{300}{I_{g}} $$
ここで、1線地絡電流 $I_{g} = 5$ A であるため、
$$ R_{B} = \frac{300}{5} = 60 \text{ [Ω]} $$
(b) B種接地工事の接地線に常時流れる電流 $I_{B}$(漏えい電流)を求めます。
低圧側電路は三相3線式 200V であり、1端子が接地されています。接地されていない残り2線の対地電圧はそれぞれ線間電圧と同じ 200V となります。それぞれの線から対地静電容量 $C$ を通じて流れる電流のベクトル和が $I_{B}$ となります。
2つの電流の位相差は $60^\circ$ となるため、その合成値は $\sqrt{3} \times (\text{1線分の充電電流})$ となります。あるいは、中性点からの電圧 $V_{p} = \frac{200}{\sqrt{3}}$ V を基準としたテブナンの等価回路(対地静電容量 $3C$)から求めることもできます。
$$ I_{B} \fallingdotseq \frac{200}{\sqrt{3}} \times \omega \times 3C $$
$$ I_{B} = \frac{200}{\sqrt{3}} \times (2 \pi \times 50) \times (3 \times 0.1 \times 10^{-6}) $$
$$ I_{B} \fallingdotseq 200 \times \sqrt{3} \times \pi \times 50 \times 0.1 \times 10^{-6} \fallingdotseq 0.01088 \text{ [A]} $$
これを mA 単位に直すと 約 11 mA となります。

【問13】架空電線路の風圧荷重
人家が多く連なっている場所以外の場所であって、氷雪の多い地方のうち、海岸地その他の低温季に最大風圧を生じる地方に設置されている公称断面積 $60 \text{ mm}^{2}$、仕上り外径 $d$ [mm] の6 600 V 屋外用ポリエチレン絶縁電線(6 600 V OE)を使用した高圧架空電線路がある。この電線路の電線の風圧荷重について「電気設備技術基準の解釈」に基づき、次の(a)及び(b)の問に答えよ。
ただし、電線に対する甲種風圧荷重は 980 Pa、乙種風圧荷重の計算で用いる氷雪の厚さは 6 mm とする。
(a) 低温季において電線1条、長さ1m当たりに加わる風圧荷重の値[N]として、最も近いものを次の(1)から(5)のうちから一つ選べ。
(1) 10.3
(2) 13.2
(3) 14.7
(4) 20.6
(5) 26.5
(b) 低温季に適用される風圧荷重が乙種風圧荷重となる電線の仕上り外径の値[mm]として、最も大きいものを次の(1)から(5)のうちから一つ選べ。
(1) 10
(2) 12
(3) 15
(4) 18
(5) 21
解説
(a)の正解は(3)、(b)の正解は(2)です。
(a) 「氷雪の多い地方のうち、海岸地その他の低温季に最大風圧を生じる地方」の低温季では、電気設備の技術基準の解釈 第58条第1項第1号ロにより、「甲種風圧荷重と乙種風圧荷重のいずれか大きい方」を適用します。
仕上り外径を $15$ [mm] と仮定して計算します。
甲種風圧荷重 $W_{K}$:
$$ W_{K} = 980 \times (15 \times 10^{-3}) \times 1 = 14.7 \text{ [N]} $$
乙種風圧荷重 $W_{O}$(氷雪厚 $6$ mm を考慮):
$$ W_{O} = 0.5 \times 980 \times (15 + 6 \times 2) \times 10^{-3} \times 1 = 490 \times 0.027 = 13.23 \text{ [N]} $$
大きい方の値は $14.7$ [N] となります。よって、(3)が正解です。
(b) 乙種風圧荷重が甲種風圧荷重以上となる条件を求めます。電線の仕上り外径を $d$ [mm] とすると、
$$ 0.5 \times 980 \times (d + 12) \times 10^{-3} \ge 980 \times d \times 10^{-3} $$
$$ 0.5 \times (d + 12) \ge d $$
$$ 0.5d + 6 \ge d $$
$$ 0.5d \le 6 $$
$$ d \le 12 \text{ [mm]} $$
したがって、仕上り外径が $12$ [mm] 以下のとき乙種風圧荷重が適用(または選択)されることになり、その最大値は $12$ [mm] です。よって、(2)が正解です。

関連コンテンツ




コメント