電験3種・法規でよく出題される1線地絡電流とB種接地抵抗、D種接地抵抗の計算問題を解説します。
B種およびD種接地抵抗値の上限値(許容値)
B種接地で混触事故が起きると、電位上昇(1線地絡電流Ig×接地抵抗)が起きますが、安全のために低圧電路の対地電圧に上限が定めらています。この上限値を1線地絡電流で割ったものが、B種接地工事の接地抵抗値の上限となっています。
以下表は、解釈17条の「17-1表」から抜粋・要約したものです。
| 種別 | 接地抵抗値 | 特徴 | 接地線 |
|---|---|---|---|
| B種接地 | 150/Ig[Ω]以下(漏電遮断器の動作時間が1秒以内なら600/Ig[Ω]、1秒超え2秒以内なら300/Ig[Ω]) | 高圧又は特別高圧電路と低圧電路の間にある変圧器の低圧側の中性点の1線に施す接地。変圧器の混触(高圧側と低圧側が接触し、高圧が低圧側に流れ込んむこと)時に電圧上昇を抑えるのが目的。 | 変圧器一次側電圧が15000V以下なら直径2.6mm以上の軟銅線、15000V超えなら直径4mm以上の軟銅線(その他、詳細は電技解釈第17条2項を参照) |
| D種接地 | 100[Ω]以下(漏電遮断器の動作時間が0.5秒以内なら500Ω以下) | 300V以下の低圧の電気機器外箱等、高圧計器用変成器の2次側電路の接地。感電等の災害防止用。 | 直径1.6mm以上の軟銅線(※詳細は電技解釈第17条4項を参照) |
「特別高圧と特別高圧の間の変圧器」「特別高圧と高圧の間の変圧器」「高圧と高圧の間の変圧器」にはB種接地抵抗は施しません。例えば、「22kVと10kVの間にある変圧器」や「6.6kVと3.3kVの間にある変圧器」にはB種接地抵抗は施行する必要はありません。

【ポイント1】1線地絡電流の計算方法
1線地絡電流$I_g$は、実測値か以下の式(解釈17条の「17-2表」)で求めます。(電験3種試験では問題で与えられるので暗記不要)。
$$ I_g=1+\frac{\frac{V’}{3}L-100}{150}+\frac{\frac{V’}{3}L’-1}{2}$$
$I_g$:1線地絡電流[A]・・・小数点以下切り上げ。2未満の場合は2になる。
$V’$:公称電圧÷1.1[kV]
$L$:同一母線に接続される高圧電路の電線延長(ケーブルを除く)[m]
$L’$:同一母線に接続される高圧電路の線路延長(ケーブルに限る)[m]
【ポイント2】B種接地抵抗の許容値を計算
B種接地抵抗の許容値は以下の計算式から求まります。
(線地絡電流$I_g$の値が必要)
$$ R_B=\frac{150}{Ig} [\Omega] $$
ただし、漏電遮断器の動作時間が2秒以内の場合、以下の計算式で求まり、許容値が緩和されます。
漏電遮断器の動作時間が1秒超2秒以内の場合は以下のとおり。
$$ R_B=\frac{300}{Ig} [\Omega] $$
漏電遮断器の動作時間が1秒以内の場合は以下のとおり。
$$ R_B=\frac{600}{Ig} [\Omega] $$
施設するB種接地抵抗値は、上記で求めた許容値$R_B$以下になるよう必要があります。
つまり$R_B$が基準値になり、それを上回ってしまうと技術基準違反となります。
【練習問題1】柱上変圧器のB種接地抵抗値
この配電線路に接続される柱上変圧器の低圧側に施設されるB種接地工事の抵抗値は何[Ω]以下とする必要があるか。
ここで、変電所引出口の遮断装置は、高低圧電路の混触時に1秒以内に自動的に高圧電路を遮断する装置を有している。
【解答】
題意から$L, L’, V’$は以下のとおり。
$$V’=\frac{6.6}{1.1}=6 [kV]$$
$$L=(100\cdot 3)+(20\cdot 2)=340 [km]$$
$$L’=0$$
※ケーブルはないため、$L’$は0となる
よって、一線地絡電流は以下のとおり、切り上げて5[A]となる。
$$ I=1+\frac{\frac{6}{3}\times 340-100}{150}=4.87 [A]$$
ここで、「変電所引出口の遮断装置は、高低圧電路の混触時に1秒以内に自動的に高圧電路を遮断する装置を有している。」という条件より、B種接地工事に必要な接地抵抗値は以下の計算により、120[Ω]以下と求まる。
$$ R_{B}=\frac{600}{I}=\frac{600}{5}=120 [\Omega] $$
【練習問題2】一線地絡電流とB種接地抵抗値の計算
同一母線に接続される高圧配電線路の内訳が以下のとき、各問に答えよ。
・架空配電線路(絶縁電線)が3回線(こう長15km)
・地中配電線路(ケーブル)が2回線(こう長3km)
(問1)電線延長Lはいくらか。
(問2)線路延長L’はいくらか。
(問3)高圧配電線路の1線地絡電流はいくらか。
(4)変圧器に施すB種接地工事の接地抵抗の許容値はいくらか。
(※高低圧電路の混触時に1秒以内に自動的に高圧電路を遮断する装置を有している)
【解説1】
L=こう長×回線数×電線の本数=15×3×3=135km
【解説2】
L’=こう長×回線数=3×2=6km
【解説3】
一線地絡電流は以下のとおり、切り上げて8[A]となる。
$$I=1+\frac{\frac{6}{3}(135-100)}{150}+\frac{\frac{6}{3}(6-1)}{2}=7.6 [A]$$
【解説4】
注釈(高低圧電路の混触時に1秒以内に自動的に高圧電路を遮断する装置を有している)より、B種接地抵抗の許容値は以下の計算式から75[Ω]となる。
$$R_{B}=\frac{600}{I}=\frac{600}{8}=75 [\Omega]$$
【練習問題3】D種接地抵抗値の計算(B種が既知)
D種接地工事は、感電等の危険防止のために300V以下の低圧用機器の金属製外箱や鉄台に施す接地工事です。
B種接地抵抗値とセットで、対地電圧やD種接地抵抗値を求める問題がよく出ます。
問1
低圧電路に施設された電動機に完全地絡事故が発生した場合の金属製外箱の対地電圧を25V以下にしたいときの、金属製外箱のD種接地抵抗値の許容値(上限値)を求めよ。
【解答】
完全地絡事故時の1線地絡電流を$I_g [A]$とすると、キルヒホッフの第一法則から以下のとおり求まる。
$$ E_0=R_BI_g+R_DI_g $$
$$ 100=R_BI_g+25 $$
$$ 100=75I_g+25 $$
$$ I_g = 1$$
よって、$I_g$が求まれば、D種接地抵抗の許容値$R_D$も求まる。
$$ R_D\cdot Ig=25 $$
$$ R_D=25 $$
つまり、電圧と抵抗値は比例するため、B種接地抵抗値が75Ωなら、D種接地抵抗値は25Ω以下にすれば、対地電圧は25V以下となる。
【練習問題4】B種及びD種接地抵抗値
高圧電路の1線地絡電流を10[A]とし、変圧器の低圧側の中性点に施したB種接地工事の接地抵抗値$R_B$は、高低圧混触時に中性点の対地電位が150[V]になるような値とする。
また、電動機の端子付近で1線の充電部が金属製外箱に接触して完全地絡状態となった場合を想定し、当該外箱の対地電位が25[V]以下となるようにD種接地抵抗$R_D$を施設する。この場合、$R_B$と$R_D$の許容値はいくらになるか。
【解説】
高圧電路の1線地絡電流を 10[A]とし、B種接地抵抗値は、高低圧混触時に中性点の対地電位が150[V]になるような値とするとある。
よって、$R_B$の許容値は以下のとおり15Ωとわかる。
$$R_B=\frac{150}{10}=15$$
次に、電動機の完全地絡状態時の地絡電流$I_g$は以下のようになる。
$$I_g=\frac{100}{R_B+R_D}=\frac{100}{15+R_D}$$
電動機の金属製外箱の対地電圧をV[V]が25[V]以下となるとき、以下の式を満たす。
$$V=I_gR_D=\frac{100}{15+R_D}R_D \leq 25 $$
上式を整理すると、$R_D$の許容値は5Ωとわかる。
$$R_D \leq 5$$
【練習問題5】B種及びD種接地抵抗値
①変圧器によって高圧電路に結合されている低圧電路に施設された使用電圧100[V]の低圧分電盤(D種接地された金属製外箱で、電動機用)がある。
②変圧器の高圧側電路の1線地絡電流が5[A]で、B種接地工事の接地抵抗値は「電気設備技術基準の解釈」の許容最大値$R_B$の1/2以下になるよう基準値を定めて管理している。
③変圧器の高圧側の電路と低圧側の電路との混触時に低圧電路の対地電圧が150[V]を超えた場合に、0.7秒で高圧電路を自動的に遮断する遮断器が設置されている。
【問1】
変圧器の低圧側に施されたB種接地抵抗値[Ω]の基準値Ebを求めよ。
【問2】
低圧分電盤(金属製外箱)で地絡事故が発生した場合、低圧分電盤に触れた人体に流れる電流$I_H$を5[mA]以下としたい。
そのために必要なD種接地抵抗値$R_D$[Ω]の上限値を求めよ。
なお、人体の抵抗値$R_H=6000$[Ω]とする。
【解説1】
B種接地抵抗値の許容最大値は以下のとおり120[Ω]とわかる。
$$R_B=\frac{600}{5}=120$$
題意より、基準値は$R_B$の1/2なので、60[Ω]となる。
【解説2】
題意より、地絡して人体が金属製外箱に触れているときの状態は以下の図のようになる。
$E_0$:使用電圧
$V$:対地電圧
$R_B$:B種接地抵抗値
$R_D$:D種接地抵抗値
$R_H$:人体の抵抗値
$I_H$:人体に流れる電流値
このとき、2つの閉回路についてキルヒホッフの法則式を立てる。
閉回路①
$$E_0=100=R_DI_D+R_B(I_D+I_H)$$
$$100=R_DI_D+60(I_D+0.005)$$
$$R_DI_D+60I_D=99.7$$
閉回路②
$$R_DI_D=R_HI_H$$
$$R_DI_D=6000*0.005=30$$
閉回路①②の式から$I_D$と$R_B$を求める。
まずは閉回路②の式を①へ代入すると$I_D$が求まる。
$$30+60I_D=99.7$$
$$I_D=\frac{39.7}{30}$$
$I_D$を閉回路②の式に代入すれば$R_D$が約49Ωと求まる。
$$R_D=\frac{60}{I_D}=\frac{1800}{39.7}=49$$
【令和6年度上期・問13】B種接及びD種接地抵抗値
変圧器によって高圧電路に結合されている低圧電路に施設された使用電圧 100 V の金属製外箱を有する空調機がある。
この変圧器の B 種接地抵抗値及びその低圧電路に施設された空調機の金属製外箱の D 種接地抵抗値に関して,次の(a)及び(b)に答えよ。
ただし,次の条件によるものとする。
(ア)変圧器の高圧側の電路の 1 線地絡電流は 5 A で, B 種接地工事の接地抵抗値は「電気設備技術基準の解釈」で許容されている最高限度の 1/3 に維持されている。
(イ)変圧器の高圧側の電路と低圧側の電路との混触時に低圧電路の対地電圧が 150 V を超えた場合に, 0.8 秒で高圧電路を自動的に遮断する装置が設けられている。
(a) 変圧器の低圧側に施された B 種接地工事の接地抵抗値 [Ω] の値として,最も近いのは次のうちどれか。
(1) 10 (2) 20 (3) 30 (4) 40 (5) 50
(b) 空調機に地絡事故が発生した場合,空調機の金属製外箱に触れた人体に流れる電流を 10 mA 以下としたい。このための空調機の金属製外箱に施す D 種接地工事の接地抵抗値 [Ω] の上限値として,最も近いのは次のうちどれか。
ただし,人体の電気抵抗値は 6 000 Ω とする。
(1) 10 (2) 15 (3) 20 (4) 30 (5) 60
追加:
【(a)の解答】
削除: 題意より、変圧器の高圧側の電路の1線地絡電流$Ig=5[A]$であり、「混触時に低圧電路の対地電圧が150[V]を超えた場合に1秒以下で高圧電路を自動的に遮断する装置が設けられている」ため、B種接地抵抗値の許容値$R_B$は120[Ω]と求まる。
$$ R_{B}=\frac{600}{I_g}=\frac{600}{5}=120$$
ここで、題意(ア)に「許容されている最高限度の1/3に維持されている。」とあることから、答えは$120\times\frac{1}{3}=40$[Ω]となる。
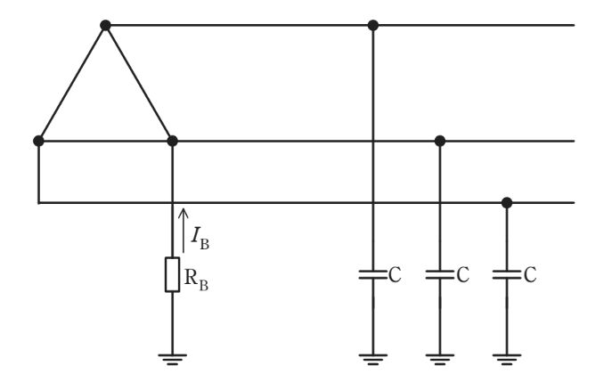
【令和6年度下期・問12】接地抵抗と漏れ電流の計算
図は三相3線式高圧電路に変圧器で結合された変圧器低圧側電路を示したものである。低圧側電路の一端子にはB種接地工事が施されている。この電路の一相当たりの対地静電容量を C とし接地抵抗を $R_B$ とする。
低圧側電路の線間電圧 200 V、周波数 50 Hz、対地静電容量 C は 0.1 µF として、次の(a)及び(b)の問に答えよ。
ただし、変圧器の高圧電路の1線地絡電流は 5 A、高低圧混触時に低圧電路の対地電圧が 150 V を超えた場合は 1.3 秒で自動的に高圧電路を遮断する装置が設けられているものとする。

(a) 接地抵抗 $R_B$ の許容されている上限の抵抗値 [Ω] はいくらか。
(1) 20 (2) 30 (3) 40 (4) 60 (5) 100
(b) 接地抵抗 $R_B$ の抵抗値を 100 Ω としたときに、$R_B$ に常時流れる電流 $I_B$ の値 [mA] はいくらか。
(1) 11 (2) 19 (3) 33 (4) 65 (5) 192
解説
正解は (a)が(4)、(b)が(1)です。
(a) B種接地工事の接地抵抗値の上限は、遮断時間が「1秒を超え2秒以内」である場合、$300 / I \text{ [Ω]}$($I$ は1線地絡電流)となります。
問題文より $I = 5 \text{ A}$ なので、
$R_B = 300 / 5 = 60 \text{ [Ω]}$
となります。
(b) 接地線に常時流れる電流 $I_B$ を求めるため、テブナンの定理を用いた等価回路を考えます。
電源の相電圧(対地電圧)を $\dot{E}$、線間電圧を $V = 200 \text{ V}$ とすると、
$E = \frac{V}{\sqrt{3}} = \frac{200}{\sqrt{3}} \approx 115.47 \text{ [V]}$
全対地静電容量は 3相分で $3C$ となり、そのリアクタンス $X_C$ は、
$X_C = \frac{1}{3 \omega C} = \frac{1}{3 \times 2 \pi f C} = \frac{1}{3 \times 2 \pi \times 50 \times 0.1 \times 10^{-6}} \approx 10610.3 \text{ [Ω]}$
等価回路において、$R_B = 100 \text{ Ω}$ と $X_C$ が直列に接続された形になるため、電流 $I_B$ は次のように計算できます。
$I_B = \frac{E}{\sqrt{R_B^2 + X_C^2}} = \frac{115.47}{\sqrt{100^2 + 10610.3^2}} \approx \frac{115.47}{10610.8} \approx 0.01088 \text{ [A]} = 10.88 \text{ [mA]}$
最も近い値は 11 mA となります。
関連ページ


コメント